N7205A119B04(1)DX Wiring Diagram - 第318页
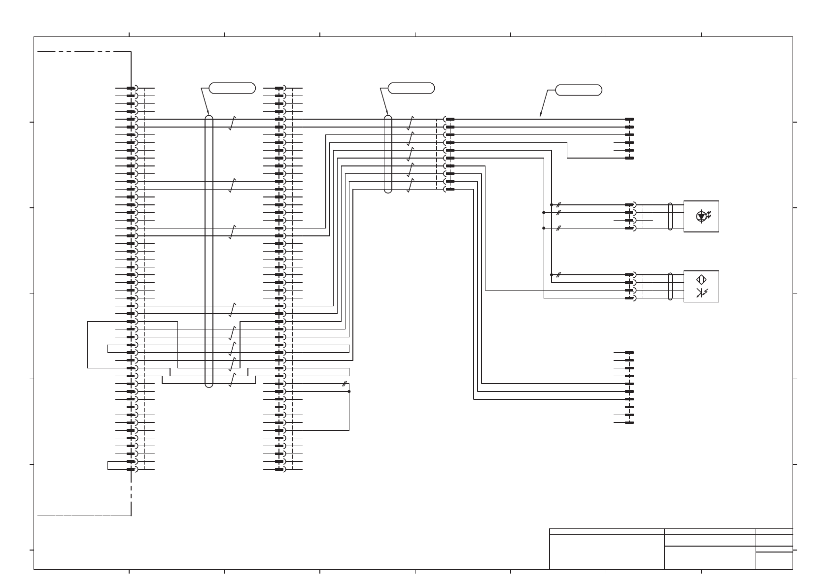
UL1007 24AWG BU CNEXR Main Body From Right Side Connector Note1) Note1) MOLEX 1B1900L 5557-10R-210 10 9 8 7 6 5 4 3 2 1 MOLEX 1B1900R/L 5559-10P-210 1 2 3 4 5 6 7 8 9 10 2464C(BPF)VVP AWG#24×5P-B BN/WH BN YE/WH YE GN/WH …

To Left side Machine
MOLEX
CNEXL/
51238-5011
C10
E9
D2
B9
B8
B7
C10
C9
C8
C7
D10
D9
E4
E3
E5
E1
E2
E6
E7
A10
D3
A9
E10
E8
D8
D1
D7
D6
D5
D4
C6
C5
C4
C3
C2
C1
B6
B5
B4
B3
B2
B1
A8
A7
A6
A5
A4
A3
A2
A1
Note1)
MOLEX
1B1900L
5557-10R-210
1
2
3
4
5
6
7
8
9
10
From 1B1900L/R (P003)
2464C(BPF)VVP AWG#24×5P-B
BN/WH
BN
YE/WH
YE
GN/WH
GN
BK/WH
BK
RD/WH
RD
Note1) Connector Pin arrangement is not sequential.
UL1007 24AWG BU BU
UL1007 24AWG BU BU
UL1007 24AWG BU BU
UL1007 24AWG BU BU
※ Left Extension Conveyor Unit
MTKC002527AB
1
2464-1061/ⅡA(PF)LF 5P×24AWG
1
(NPM-DX)
2
Wiring
2
Panasonic Factory Solutions Co.,Ltd. パナソニック ファクトリーソリューションズ株式会社
Name
Drawing No.
Loc. No.
F4K1020-05A
1
2 3 4 5 6 7 8
A
B
C
D
E
F
1 2 3 4 5 6 7 8
A
B
C
D
E
F
Page. No.
Extension Conveyor Unit (NPM X)
(Left Extension Conveyer I/F 2)
MTKA003998+004AC
P004

UL1007 24AWG BU
CNEXR
Main Body
From
Right Side
Connector
Note1) Note1)
MOLEX
1B1900L
5557-10R-210
10
9
8
7
6
5
4
3
2
1
MOLEX
1B1900R/L
5559-10P-210
1
2
3
4
5
6
7
8
9
10
2464C(BPF)VVP AWG#24×5P-B
BN/WH
BN
YE/WH
YE
GN/WH
GN
BK/WH
BK
RD/WH
RD
Right side
Transportation opening
sensor (projection)
-B1901T
BN
BK
BU
Right side
Transportation opening
sensor (Receive)
-B1901
BN
PK
BK
BU
MOLEX
1RS485P
5559-06P-210
6
5
4
3
2
1
For OPTION
Note1) Connector Pin arrangement is not sequential.
MOLEX
CNEXL/
51238-5011
A1
A2
A3
A4
A5
A6
A7
A8
B1
B2
B3
B4
B5
B6
C1
C2
C3
C4
C5
C6
D4
D5
D6
D7
D1
D8
E8
E10
E7
E6
E5
A9
D3
E4
E3
A10
E1
E2
E9
C10
B7
B8
B9
B10
C7
C8
C9
D2
D9
D10
A1
A2
A3
A4
A5
A6
A7
A8
B1
B2
B4
B5
B6
C1
C2
C3
C4
C5
C6
D4
D1
D8
E8
A9
E10
D3
B3
E7
A10
E6
E2
E1
E3
E5
E4
D9
D5
D6
D7
C7
D10
C8
C9
B7
B10
B8
B9
D2
E9
C10
V24(M)
GND(M)
V24(M)
GND(M)
V24(C)
GND(C)
IN720
IN721
OUT720
OUT721
OUT722
OUT436
D+MAIN
D-MAIN
OUT723
OUT724
OUT725
OUT437
D+SUB
D-SUB
IN722
IN723
OUT726
OUT727
IN707
GND
+24
IN517/117
24V_CN2K121
24GND_CN2K121
OPENRB
V24XRB
G24XRB
RLR
MOLEX
CNEXL
55836-5001
D10
D9
D2
C9
C8
C7
B10
B9
B8
B7
C10
E9
E2
E1
A10
E3
E4
D3
A9
E5
E6
E7
E10
E8
D8
D1
D7
D6
D5
D4
C6
C5
C4
C3
C2
C1
B6
B5
B4
B3
B2
B1
A8
A7
A6
A5
A4
A3
A2
A1
Note1)
MOLEX
CNEXR
54332-5001
A1
A2
A3
A4
A5
A6
A7
A8
B1
B2
B3
B4
B5
B6
C1
C2
C3
C4
C5
C6
D4
D5
D6
D7
D1
D8
E8
E10
A9
D3
A10
E7
E6
E2
E1
E5
E3
E4
D9
D10
C7
C8
C9
B10
B7
B8
B9
D2
E9
C10
※ Right Extension Conveyor Unit
UL1007 24AWG BU BU
UL1007 24AWG BU BU
UL1007 24AWG BU BU
UL1007 24AWG BU BU
To 1B1900R (P006)
AMP
B1900/1TP
177908-1
4
3
2
1
AMP
B1900/1P
177908-1
4
3
2
1
AMP
B1900/1TR
177900-6
4
3
2
1
AMP
B1900/1R
177900-6
4
3
2
1
MOLEX
1B1900L/R
5559-10P-210
10
9
8
7
6
5
4
3
2
1
MTKC002527AB
UL1007 24AWG BU BU
UL1007 24AWG BU BU
UL1007 24AWG BU BU
UL1007 24AWG BU BU
UL1007 24AWG BU BU
UL1007 24AWG BU BU
MTKC002504AA
UL1007 24AWG BU BU
UL1007 24AWG BU BU
UL1007 24AWG BU BU
UL1007 24AWG BU BU
UL1007 24AWG BU BU
UL1007 24AWG BU BU
UL1007 24AWG BU BU
BU
GY/WH
GY
BU/WH
BU
BN/WH
BN
YE/WH
YE
GN/WH
GN
BK/WH
BK
RD/WH
RD
MTKC002426AB
OG/WH
OG
2464C(BPF)VVP AWG#24×8P-B
1 1
1
A10
A9
D3
1
E6
E7
E1
E2
E3
E5
E4
D10
D9
C8
C7
C9
E5
E7
E6
D3
A9
E3
E4
E1
A10
E2
C10
E9
B8
B7
B10
B9
C8
C7
C9
D9
D2
D10
B10
B8
B7
D2
B9
C10
E9
V24XRB
G24XRB
24V_CN2K121
24GND_CN2K121
RLR
OPENRB
1
E8
D8
+24V
GND
E8
D8
1
1
1
2464-1061/ⅡA(PF)LF 5P×24AWG
1
2464-1061/ⅡA(PF)LF 8P×24AWG
1
(NPM-DX)
2
Wiring
2
Panasonic Factory Solutions Co.,Ltd. パナソニック ファクトリーソリューションズ株式会社
Name
Drawing No.
Loc. No.
F4K1020-05A
1
2 3 4 5 6 7 8
A
B
C
D
E
F
1 2 3 4 5 6 7 8
A
B
C
D
E
F
Page. No.
Extension Conveyor Unit (NPM X)
(Right Extension Conveyer I/F 1)
MTKA003998+005AC
P005

To Right side Machine
Note1)
MOLEX
1B1900R
5557-10R-210
1
2
3
4
5
6
7
8
9
10
2464C(BPF)VVP AWG#24×5P-B
BN/WH
BN
YE/WH
YE
GN/WH
GN
BK/WH
BK
RD/WH
RD
MTKC002465AB
Note1) Connector Pin arrangement is not sequential.
Note1)
MOLEX
CNEXR/
51233-5011
C10
E9
D2
B9
B8
B7
C10
C9
C8
C7
D10
D9
E4
E3
E5
E1
E2
E6
E7
A10
D3
A9
E10
E8
D8
D1
D7
D6
D5
D4
C6
C5
C4
C3
C2
C1
B6
B5
B4
B3
B2
B1
A8
A7
A6
A5
A4
A3
A2
A1
※ Right Extension Conveyor Unit
UL1007 24AWG BU BU
UL1007 24AWG BU BU
UL1007 24AWG BU BU
UL1007 24AWG BU BU
From 1B1900L/R (P005)
1
2464-1061/ⅡA(PF)LF 5P×24AWG
1
(NPM-DX)
2
Wiring
2
Panasonic Factory Solutions Co.,Ltd. パナソニック ファクトリーソリューションズ株式会社
Name
Drawing No.
Loc. No.
F4K1020-05A
1
2 3 4 5 6 7 8
A
B
C
D
E
F
1 2 3 4 5 6 7 8
A
B
C
D
E
F
Page. No.
Extension Conveyor Unit (NPM X)
(Right Extension Conveyer I/F 2)
MTKA003998+006AC
P006