文档中心
/
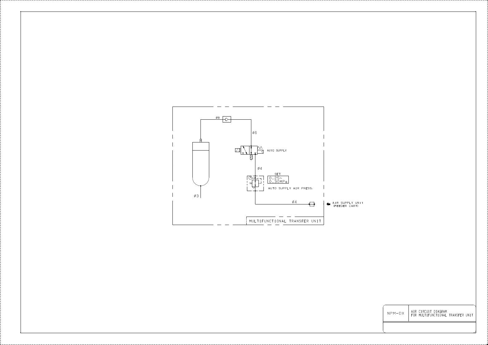
N7205A119B04(1)DX Wiring Diagram
N7205A119B04(1)DX Wiring Diagram - 第372页
在线预览 N7205A119B04(1)DX Wiring Diagram PDF 文档。
目录
100%
显示:宽度
宽度
1 / 378
回到旧版
旧版
?
该页面需要启用 JavaScript 才能进行交互式预览。