TR6DNR_TR6DNV_TR6DNX-Rev04 - 第56页
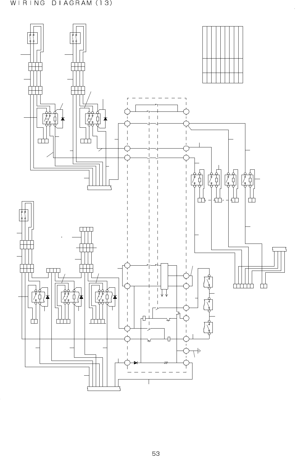
- - 27 . WIRI NG D IAG RAM (13 ) 1 _ 1 D ( C E ) 1 _ 1 B ( C E ) 5 _ 4 B ( C E ) 5 _ 4 B ( C E ) 1 1 _ 2 D ( C E ) 5 _ 4 C ( C E ) C N 1 1 7 4 2 3 1 5 _ 5 C ( C E ) 1 C N 0 7 8 3 2 1 C N 1 0 7 - A C N 0 5 9 - B M Y 2 D…

- -
REF.NO NOTE PART NO D E S C R I P T I O N Qty
1 E9522-716-0A0 I/F CABLE ASM. 1 1
2 400-45200 I/F CABLE ASM 1
3 400-45201 PANEL CABLE ASM 1
4 400-46243 LCD I/F CABLE ASM. 1
5 400-46244 LCD BL CABLE ASM. 1
6 400-45202 TRAY LED CABLE 1 ASM. 1
7 400-45203 TRAY LED CABLE 2 ASM. 1
8
#01
400-94573 I/F CABLE ASM 1
9
#01
400-96157 MTC/MTS I/F CABLE ASM 1

- -
27. WIRING DIAGRAM (13)
1 _ 1 D
( C E )
1 _ 1 B
( C E )
5 _ 4 B
( C E )
5 _ 4 B
( C E )
1 1 _ 2 D
( C E )
5 _ 4 C
( C E )
C N 1 1 7
4
2
3
1
5 _ 5 C
( C E )
1
C N 0 7 8
3
2
1
C N 1 0 7 - A
C N 0 5 9 - B
M Y 2 D C 2 4 V
M Y 2 D C 2 4 V
M Y 2 D C 2 4 V
M Y 2 D C 2 4 V
G 7 S A - 3 A 1 B D C 2 4 V
G 7 S A - 3 A 1 B D C 2 4 V
G 7 S A - 3 A 1 B D C 2 4 V
G 7 S A - 3 A 1 B D C 2 4 V
G 7 S A - 3 A 1 B D C 2 4 V
O M R O N
O M R O N
O M R O N
O M R O N
O M R O N
O M R O N
O M R O N
O M R O N
O M R O N
R L Y 1 7
R L Y 1 6
R L Y 1 5
R L Y 1 4
R L Y 1 3
R L Y 1 2
R L Y 1 1
R L Y 1 0
R L Y 9
C N 0 7 6
B R
1 41 3
8
R L Y 1 7
1 2
1 41 3
8
R L Y 1 6
1 2
1 41 3
8
R L Y 1 5
1 2
1 41 3
8
R L Y 1 4
1 3 _ 2 B
R L Y 1 1
3 3 3 4
1 3 _ 2 A
R L Y 1 0
3 3 3 4
1 3 _ 2 A
1 1 _ 2 D
( C E )
D 9
R L Y 1 3
4 44 3
3 4 3 3
1 0
D 8
R L Y 1 2
D 7
1 3 _ 2 C
1 3 _ 2 C
D 6
1 3 _ 1 C
4 44 3
3 4 3 3
3
2
C N 0 7 7
2 32 4
4 34 4
4
2
3
1
R L Y 1 1
1 0
2 32 4
4 34 4
4 34 4
D 5
1 _ 5 C
( C E )
1 _ 5 B
( C E )
C N 0 5 9 - A
2
1
C N 0 6 7 - A
6
5
4
2
3
1
C N 0 7 5
4
2
3
1
4
2
3
1
3 1
11
D O O R S O P E N S W
3 2
1 2
C N 0 7 4
4
2
3
1
4
2
3
1
1 0
4
2
3
1
5 _ 5 C
( C E ) 2
1
C N 0 8 0
C N 0 7 3C N 0 7 2
4
2
3
1
4
2
3
1
4
2
3
1
4
2
3
1
B R
C N 0 7 1C N 0 7 1
4
2
3
1
4
2
3
1
C N 0 7 0
C N 1 0 7 - B
4
2
3
1
4
2
3
1
R L Y 1 0
1 0
4
2
3
1
C N 0 6 9C N 0 6 8
4
2
3
1
4
2
3
1
4
2
3
1
4
2
3
1
C N 0 6 7 - B
T B 2
-
-
-
-
2
1
6
5
4
3
2
1
1 2
O M R O N
G 9 S A - 3 0 1
S R L Y
41
4 23 4
3 3
2 4
2 3
+
-
+
+
-
+
+
T B 2
14
13
3 1
11
D O O R M O P E N S W
3 2
1 2
T 3 2
b
a
BA
C o n t r o l
C i r c u i t
T 3 1
R L Y 9
3 3 3 4
K 1
K 2
K 2
b
a K 1
T 2 3 T 2 2T 2 1
P E
T 1 2
A 2
T1 1
A 1
-
+
-
-
-
R L Y 9
1 0
3 1
11
C O V E R O P E N S W
3 2
12
+
+
+
T B 2
1
2
3
4 5 6
7
1 9
2 0
2 3
2 2
2 1
1 8
1 7
1 3
9
8
1 2
1 6
1 0
1 1
1 4
1 5 4 7
3 9
4 0
4 6
4 1
4 2
4 4
4 5
4 3
3 8
2 5
2 4
3 7
3 6
3 5
3 2
2 9
2 7
2 6
2 8
3 0 3 3
3 43 1

- -
REF.NO NOTE PART NO D E S C R I P T I O N Qty
1 400-45204 SAFETY RELAY UNIT CABLE ASM. 1
2 400-45218 SRLY POWER CABLE(+) ASM. 1
3 400-45219 SRLY POWER CABLE(-) ASM. 1
4 400-45210 RELAY9 DRIVE CABLE ASM. 1
5 400-45212 RELAY10 DRIVE CABLE ASM. 1
6 400-45214 RELAY11 DRIVE CABLE ASM. 1
7 400-45220 SRLY-FG CABLE ASM. 1
8 400-45215 RELAY9 I/O CABLE ASM. 1
9 400-45209 RELAY9 DIODE CABLE ASM. 1
10 400-45205 COVER OPEN SW CABLE ASM. 1
11 400-45206 COVER OPEN SW ASM. 1
12 400-45216 RELAY10 I/O CABLE ASM. 1
13 400-45211 RELAY10 DIODE CABLE ASM. 1
14 400-45207 EMERGENCY SW(CNV) CABLE 1 ASM 1
15 400-45208 EMERGENCY SW(CNV) CABLE 2 ASM 1
16 400-45217 RELAY11 I/O CABLE 2 ASM 1
17 400-45213 RELAY11 DIODE CABLE ASM. 1
18 400-45226 SRLY-T3 CABLE ASM. 1
19 400-45221 SRLY-T21 CABLE ASM. 1
20 400-45222 RLAY9-10 CABLE ASM. 1
21 400-45225 SRLY-AB CABLE ASM 1
22 400-45224 SRLY-T22 CABLE ASM 1
23 400-45223 RLAY10-11 CABLE ASM. 1
24 400-45227 DOOR M OPEN SW CABLE ASM. 1
25 400-45235 RELAY13 DRIVE CABLE ASM 1
26 400-45231 SRLY-13 CABLE ASM. 1
27 400-45230 RELAY12 DRIVE CABLE ASM. 1
28 400-45238 RELAY12 I/O CABLE ASM. 1
29 400-45229 RELAY12 DIODE CABLE ASM. 1
30 400-45084 DOOR M OPEN SW CABLE 2 ASM 1
31 400-45228 DOOR M OPEN SW ASM 1
32 400-45232 DOOR S OPEN SW CABLE 1 ASM 1
33 400-45088 DOOR S OPEN SW CABLE 2 ASM 1
34 400-45233 DOOR S OPEN SW ASM 1
35 400-45239 RELAY13 I/O CABLE ASM 1
36 400-45236 SPLY-23 CABLE ASM 1
37 400-45234 RELAY13 DIODE CABLE ASM 1
38 400-45237 SPLY-33 CABLE ASM 1
39 400-45283 RELAY14-16 OUTPUT CABLE ASM 1
40 400-45284 RELAY17 OUTPUT CABLE ASM 1
41 400-45285 RELAY14-16 DRIVE CABLE ASM 1
42 400-45240 RELAY14 INPUT CABLE ASM. 1
43 400-45241 RELAY15 INPUT CABLE ASM 1
44 400-45242 RELAY16 INPUT CABLE ASM. 1
45 400-45243 RELAY17 INPUT CABLE ASM. 1
46 400-45286 RELAY17 DRIVE CABLE ASM 1
47
#01
400-94583 EMERGENCY SW(CNV) CABLE 2 ASM(XL) 1