文档中心
/
444CEMMF-CM202
444CEMMF-CM202
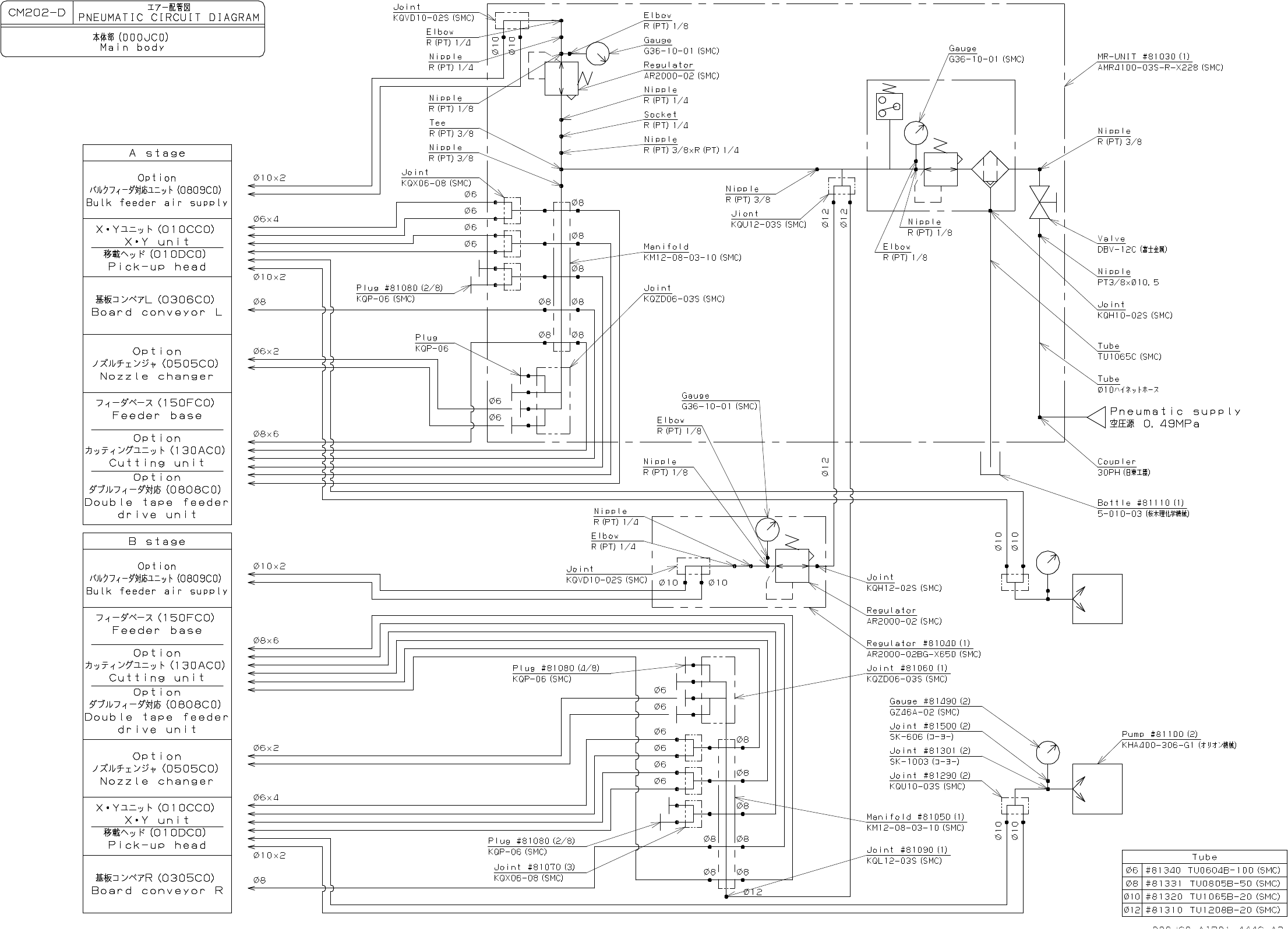
444C-E-MMA0A-A00-00 Appendix F AIR CIRCUIT DIAGRAM
目录
100%
显示:宽度
宽度
1 / 6
回到旧版
旧版
?
444C-E-MMA0A-A00-00
Appendix
F
AIR CIRCUIT DIAGRAM
该页面需要启用 JavaScript 才能进行交互式预览。