PTS-NAHEAD-10.pdf - 第134页
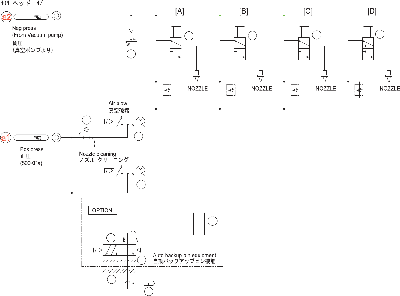
Ref.BED Ref.BED a1 a2 5 6 10 9 7 1 1 2 3 3 3 8 3 H04 HEAD 4/ UH00879 134 PTS-NAHEAD-10 H 04 K 4 / [ Cl 通 M [ D ] ) ◎ Neg press ( From Vacuum pump ) 負圧 ( 真空木 ° > 夕 j : y ) V o S S g s NOZZLE NOZZLE NOZZLE NOZZLE Air bl…
このページはブランクページです
This page is intentionally blank.
此页是空白页
133
PTS-NAHEAD-10

Ref.BED
Ref.BED
a1
a2
5
6
10
9
7
1
1
2
3
3
3
8
3
H04 HEAD 4/
UH00879
134
PTS-NAHEAD-10
H
04
K
4
/
[
Cl
通
M
[
D
]
)
◎
Neg
press
(
From
Vacuum
pump
)
負圧
(
真空木
°
>
夕
j
:
y
)
V
o
S S
g
s
NOZZLE
NOZZLE
NOZZLE NOZZLE
Air
blow
真空破壊
O
o
@
c
◎
•
^
B
)
—
)
Pos
press
正圧
(
500
KPa
)
Nozzle
cleaning
yX
)
l
0
U
-
二
:
/
夕
、
腿
O
|
OPTION
|
o
o
B
A
2
Auto
backup
pin
equipment
自動八
7
夕
7
、
>
夕匕
°
>
機能
o
v
/
//
/
/
:
2
O
——
cz
>
o

H04 HEAD 4/
H04 ヘッド 4/
UH00879
No.
Drg.No. & Code No.
QTY
Description
Rating
Remarks
番号
図番
&
コード番号
個数
品名
規格
備考
1
XB03330
2
VALVE, SOL
バルブ SOL
2
2MGKHB006000
1
VALVE, PRESSURE REDUCING
バルブ 減圧
3
XS01186
4
SPOOL
スプール
5
S1058B
1
SILENCER
サイレンサ
AN120-M3
6
H62140
1
PLATE
プレート
SYJ3000-21-12A
7
XS00842
1
SENSOR, PRESSURE
センサ 圧力
8
PJ06032
1
PLATE, ACRYLIC
プレート アクリル
9
H1122D
1
VALVE, SOL
バルブ SOL
SYJ3140-5M0U
10
XS01844
1
CYLINDER
シリンダ
135
PTS-NAHEAD-10