PTS-NAHEAD-10.pdf - 第21页
このページはブランクページです This page is intentionally blank. 此页是空白页 21 PTS-NAHEAD-10

H24S HEAD 2/
H24S ヘッド 2/
2UGTHA000161
No.
Drg.No. & Code No.
QTY
Description
Rating
Remarks
番号
図番
&
コード番号
個数
品名
規格
備考
53
2MGTHA063101
2
NUT
ナット
54
2MGTHA068801
2
PIN, ROLLER
ピン ローラ
55
2MGTHA068900
2
ROLLER
ローラ
55.1
2MGTHA069000
2
COLLAR
カラー
56
2MGTHA043102
1
BLOCK, LOCATING
ブロック 位置決め
57
H5425N
1
BOLT, HEX SOCKET
ボルト 六角穴
M02X008(3
カ
シロ
)
58
2MGTHA061600
1
BKT, MOTOR
BKT モータ
59
H54252
3
BOLT, HEX SOCKET
ボルト 六角穴
M03X008(3
カ
シロ
)
60
W1106C
3
WASHER, LOCK
ワッシャ スプリング
3M/M(3
カ
シロ
)
61
W1108D
3
WASHER, FLAT
ワッシャ 平
4W-3(3
カ
シロ
)
62
2MGTHA027101
1
MOTOR, STEPPING
モータ ステッピング
63
K5169R
4
SCREW, C/R COUNTERSUNK
小ネジ 十穴皿
M02.6X005(
ステンレス
)
64
2MGTHA029102
1
ARM
アーム
65
K61765
1
CAM FOLLOWER
カムフォロア
CFS1.4WV
66
H5425L
1
BOLT, HEX SOCKET
ボルト 六角穴
M02X005(3
カ
シロ
)
67
2MGTHA018101
1
NUT
ナット
68
H68369
2
BOLT, HEX SOCKET
ボルト 六角穴
M03X010(
ゴクテイトウ
3
カ
シロ
)
69
W1106C
2
WASHER, LOCK
ワッシャ スプリング
3M/M(3
カ
シロ
)
70
2MGTHA054000
1
PLATE
プレート
71
S67550
1
SENSOR, PHOTO
センサ フォト
EE-SX951P-R 1M
72
2MGTHA060400
1
BKT
BKT
73
2MGTHA060500
1
BKT
BKT
74
H67169
4
BOLT, HEX SOCKET
ボルト 六角穴
M03×008(
ゴクテイトウ
ステンレス
)
75
W1106C
4
WASHER, LOCK
ワッシャ スプリング
3M/M(3
カ
シロ
)
76
2MGTHA061001
1
BKT
BKT
77
2MGTHA060901
1
BKT
BKT
78
H54254
4
BOLT, HEX SOCKET
ボルト 六角穴
M03X012(3
カ
シロ
)
79
W1106C
4
WASHER, LOCK
ワッシャ スプリング
3M/M(3
カ
シロ
)
80
W1108D
4
WASHER, FLAT
ワッシャ 平
4W-3(3
カ
シロ
)
81
2MGTHA036900
4
BUSHING
ブシュ
82
2MGKHA033300
2
PLATE, INSULATING
プレート 絶縁
83
2AGTHA005005
1
CAMERA
カメラ
84
H54252
4
BOLT, HEX SOCKET
ボルト 六角穴
M03X008(3
カ
シロ
)
85
W1106C
4
WASHER, LOCK
ワッシャ スプリング
3M/M(3
カ
シロ
)
86
W1108D
4
WASHER, FLAT
ワッシャ 平
4W-3(3
カ
シロ
)
88
2EGTHA000202
1
BOARD, PRINTED CIRCUIT
基板 プリント
88.1
XH01230
1
CABLE
ケーブル
89
H70751
2
BOLT, HEX
ボルト 六角
IKD-30990-1009-B (M2.5X5 SUS
十字穴付
)
90
W1106A
2
WASHER, LOCK
ワッシャ スプリング
2.5M/M(3
カ
シロ
)
91
W60565
2
WASHER, FLAT
ワッシャ 平
2.5M/MX0.5X5
コガタマル
(3
カ
シロ
)
92
2MGTHA064001
1
COVER
カバー
93
K62149
4
SCREW, C/R FLAT
小ネジ 十穴平
M03X006
ヒラトウ
H=0.6
ヤキイレ
(
ニッケルメッキ
)
94
2MGTHA090004
1
COVER
カバー
95
K62149
4
SCREW, C/R FLAT
小ネジ 十穴平
M03X006
ヒラトウ
H=0.6
ヤキイレ
(
ニッケルメッキ
)
96
2MGTHA064200
1
BKT
BKT
97
2MGTHA064100
1
BKT
BKT
20
PTS-NAHEAD-10
このページはブランクページです
This page is intentionally blank.
此页是空白页
21
PTS-NAHEAD-10

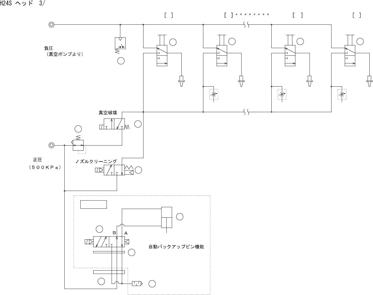
W X
Option
Auto backup pin equipment
Nozzle cleaning
Neg press
(From Vacuum pump)
NOZZLE NOZZLE NOZZLE NOZZLE
A B
Pos press
Air blow
555
5
10
9
11
8
7
4
3
2
1
H24S HEAD 3/
2UGTHA000161
22
PTS-NAHEAD-10
H
24
S
八
、
:
/
卜
'
3
/
◎
V
O
o o
o
負圧
(
真空术
:
/
夕
j
:
y
)
o
-
]
0
真空破壊
/
TL
◦
O
<
◎
正圧
/
X
)
VO
IJ
—
二
:
/
夕
'
(
5
0 0
K
P
a
)
o
o
o
巳
A
3
自動
/
<
、
>
々
7
、
>
夕匕
°
>
機能
O
o
M
◦