PTS-NAHEAD-10.pdf - 第41页
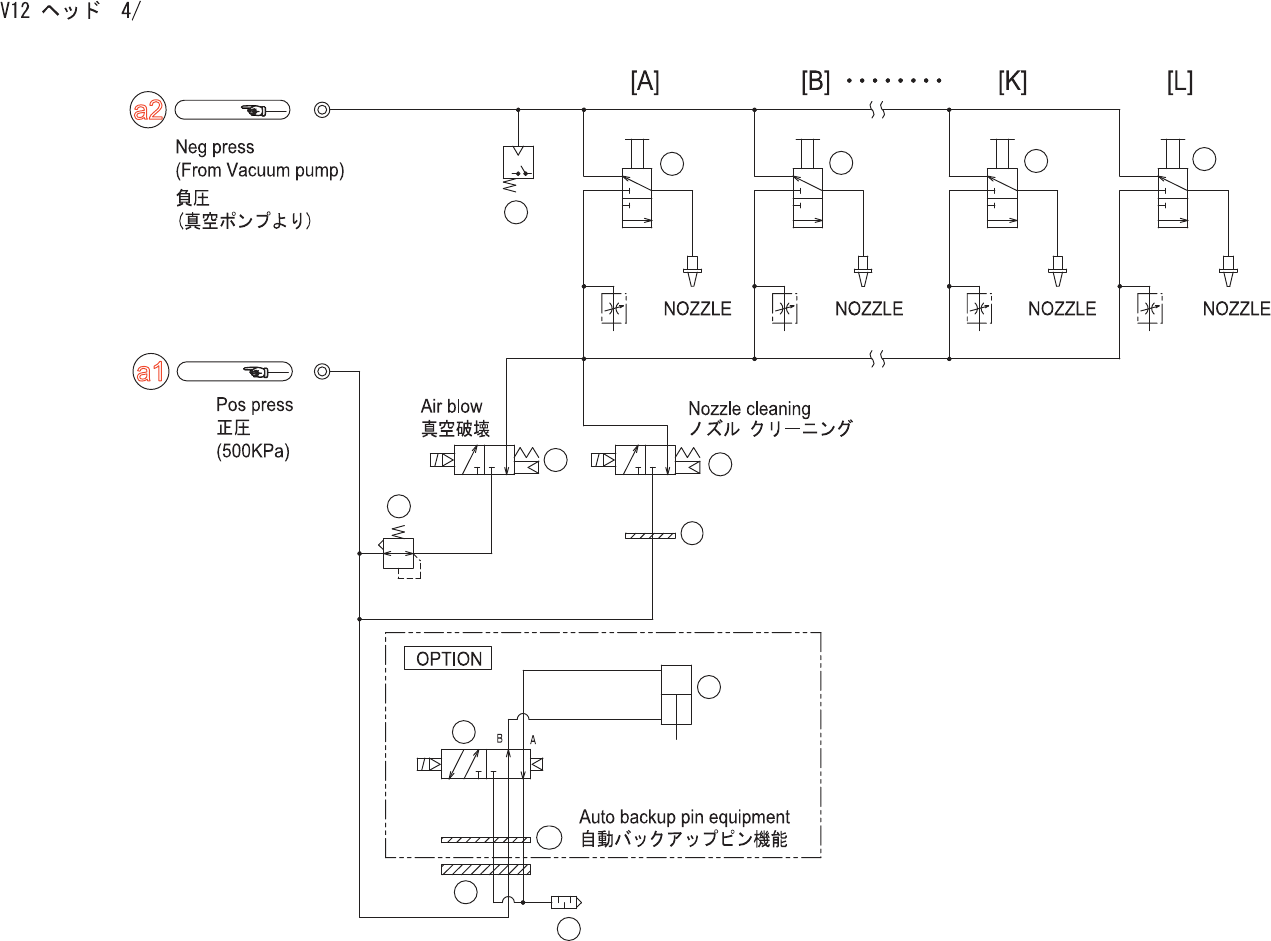
V12 HEAD 4/ V12 ヘッ ド 4/ U H03377 No. Drg.No. & Cod e No. QT Y Description Ra ting Re marks 番号 図番 & コード番号 個数 品名 規格 備考 1 XS008 4 2 1 SE NSOR, PRESSURE センサ 圧力 2 XS037 6 4 12 SP OOL スプー ル 4 H1135 2 2 VA LVE, SOL バルブ…

Ref.BED
a2
Ref.BED
a1
2
2
2
2
1
6
7
5
4
4
9
13
11
8
UH03377
V12 HEAD 4/
40
PTS-NAHEAD-10
V
12
K
4
/
[
A
] [
B
]
[
K
] [
L
]
Eo
Neg
press
(
From
Vacuum
pump
)
負圧
o
(
真空木
°
>
夕
ct
;
y
)
■
]
i
■
]
i
NOZZLE
NOZZLE NOZZLE NOZZLE
Pos
press
正圧
(
500
KPa
)
Air
blow
真空破壊
Nozzle
cleanii
yX
)
l
夕
1
J
-
控
o
啦
控
◦
o
o
4
I
OPTION
|
O
中
o
Auto
backup
pin
equipment
自動八
7
々
7
、
y
艾機能
o
o
_
_
[
TJT
^
o

V12 HEAD 4/
V12 ヘッド 4/
UH03377
No.
Drg.No. & Code No.
QTY
Description
Rating
Remarks
番号
図番
&
コード番号
個数
品名
規格
備考
1
XS00842
1
SENSOR, PRESSURE
センサ 圧力
2
XS03764
12
SPOOL
スプール
4
H11352
2
VALVE, SOL
バルブ SOL
SYJ314R-5G
5
2MGKHB006000
1
VALVE, PRESSURE REDUCING
バルブ 減圧
6
H62140
1
PLATE
プレート
SYJ3000-21-12A
7
S1058B
1
SILENCER
サイレンサ
AN120-M3
8
H1122D
1
VALVE, SOL
バルブ SOL
SYJ3140-5M0U
9
XS01844
1
CYLINDER
シリンダ
11
2MGKHA008101
1
PLATE, ACRYLIC
プレート アクリル
13
PJ22721
1
PLATE, ACRYLIC
プレート アクリル
41
PTS-NAHEAD-10

1
4
5
31
32
6
7
8
9
9
10
11
12
13
14
15
16
20
21
22
23
24
25
26
27
28
29
30
18
19
3
4.1
33
31
32
22.1
V12 HEAD (AUTO BACKUP PIN EQUIPMENT)
AA9TG13
42
PTS-NAHEAD-10
V
12
K
(
自動
/
《
、
:
/
夕
7
、
>
夕匕
>
機能
)