PTS-NAHEAD-10.pdf - 第55页
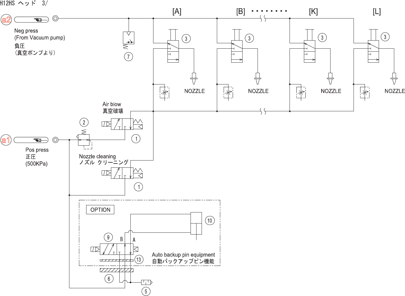
H12HS HEAD 3/ H12HS ヘ ッド 3/ U H03057 No. Drg.No. & Cod e No. QT Y Description Ra ting Re marks 番号 図番 & コード番号 個数 品名 規格 備考 1 XB033 3 0 2 VA LVE, SOL バルブ SO L 2 2MGKHB 006000 1 VA LVE, PRESS URE REDUCING バルブ 減圧 3 X…

Ref.BED
Ref.BED
a1
a2
H12HS HEAD 3/
UH03057
54
PTS-NAHEAD-10
H
12
HS
八
'
v
卜
'
3
/
[
A
]
[
B
] [
K
]
[
L
]
Neg
press
(
From
Vacuum
pump
)
耳
v
負圧
(
真空木
°
>
夕
cby
)
NOZZLE NOZZLE
NOZZLE NOZZLE
Air
blow
真空破壊
——
@
c
◎
Pos
press
Nozzle
cleaning
JX
)
l
々
go
叮
—
~
^
4717
^
正圧
(
500
KPa
)
©
|
OPTION
|
㊈
B
A
3
Auto
backup
pin
equipment
自動八
7
夕犮匕
°
>
機能
_
(
!
□
>

H12HS HEAD 3/
H12HS ヘッド 3/
UH03057
No.
Drg.No. & Code No.
QTY
Description
Rating
Remarks
番号
図番
&
コード番号
個数
品名
規格
備考
1
XB03330
2
VALVE, SOL
バルブ SOL
2
2MGKHB006000
1
VALVE, PRESSURE REDUCING
バルブ 減圧
3
XS03693
12
SPOOL
スプール
5
S1058B
1
SILENCER
サイレンサ
AN120-M3
6
H62140
1
PLATE
プレート
SYJ3000-21-12A
7
XS00842
1
SENSOR, PRESSURE
センサ 圧力
9
H1122D
1
VALVE, SOL
バルブ SOL
SYJ3140-5M0U
10
XS01844
1
CYLINDER
シリンダ
13
PJ06032
1
PLATE, ACRYLIC
プレート アクリル
55
PTS-NAHEAD-10

49
25
30
29
28
35
34
18
19
20
21
22
24
23
8
9
10
11
5
7
6
25.1
25.1
6.1
26
27
45
46
1
31
32
33
37
41
40
42
43
AA74A16
H12HS HEAD (AUTO BACKUP PIN EQUIPMENT)
56
PTS-NAHEAD-10
H
12
HS
八
、
:
/
卜
'
(
自動
/
<
、
>
夕
7
、
>
夕匕
°
>
機能
)