PTS-NAHEAD-10.pdf - 第58页
A A B B 7 8 9 10 11 12 12 13 13 14 15 15 16 16 17 19 20 21 22 23 25 26 27 28 27 28 29 30 31 33 34 35 36 37 38 39 40 43 44 45 46 57 58 59 60 61 65 62 63 64 65 66 67 69 71 72 73 73 73 73 74 71 68 66 32 17 70 77 77 1 68.1 6…

H12HS HEAD (AUTO BACKUP PIN EQUIPMENT)
H12HS ヘッド (自動バックアップピン機能)
AA74A16
No.
Drg.No. & Code No.
QTY
Description
Rating
Remarks
番号
図番
&
コード番号
個数
品名
規格
備考
1
AA17R14
1
CHUCK
チャック
5
2AGKHC000803
1
BOARD, PRINTED CIRCUIT
基板 プリント
6
H5425M
2
BOLT, HEX SOCKET
ボルト 六角穴
M02X006(3
カ
シロ
)
6.1
W1106B
2
WASHER, LOCK
ワッシャ スプリング
2M/M(3
カ
シロ
)
7
W1108A
2
WASHER, FLAT
ワッシャ 平
2M/MX0.3X4.3(3
カシロ
)
8
PB91411
1
BKT, SENSOR
BKT センサ
9
H67896
2
BOLT, HEX SOCKET
ボルト 六角穴
M02.5X005(3
カ
シロ
)
10
W1106A
2
WASHER, LOCK
ワッシャ スプリング
2.5M/M(3
カ
シロ
)
11
W1039K
2
WASHER, FLAT
ワッシャ 平
2.5M/MX0.5X5(
ステンレス
)
18
PB39801
1
DOG, SW
ドッグ SW
19
K5180G
2
SCREW, C/R PAN
小ネジ 十穴鍋
M02X004 0
バン
3
シュ
(3
カクロ
)
20
PB39811
1
DOG, SW
ドッグ SW
21
K5180C
2
SCREW, C/R PAN
小ネジ 十穴鍋
M01.7X003 0
バン
3
シュ
(3
カクロ
)
22
PB88524
1
BKT, SENSOR
BKT センサ
23
K5258F
2
SCREW, HEX SOCKET BUTTON
小ネジ 六角穴ボタン
M03X008(3
カ
シロ
)
24
W1106C
2
WASHER, LOCK
ワッシャ スプリング
3M/M(3
カ
シロ
)
25
PM08TL1
1
FLANGE
フランジ
25.1
N4087K
2
SCREW, HEX SOCKET SET
ネジ 六角穴止め
M01.6X002
クボミサキ
26
H5425L
3
BOLT, HEX SOCKET
ボルト 六角穴
M02X005(3
カ
シロ
)
27
W1106B
3
WASHER, LOCK
ワッシャ スプリング
2M/M(3
カ
シロ
)
28
H5425L
1
BOLT, HEX SOCKET
ボルト 六角穴
M02X005(3
カ
シロ
)
29
H5425M
1
BOLT, HEX SOCKET
ボルト 六角穴
M02X006(3
カ
シロ
)
30
W1106B
1
WASHER, LOCK
ワッシャ スプリング
2M/M(3
カ
シロ
)
31
XS01844
1
CYLINDER
シリンダ
32
H5425N
3
BOLT, HEX SOCKET
ボルト 六角穴
M02X008(3
カ
シロ
)
33
W1106B
3
WASHER, LOCK
ワッシャ スプリング
2M/M(3
カ
シロ
)
34
PM55703
1
SHAFT
シャフト
35
PM55002
1
BUSHING, GUIDE
ブシュ ガイド
37
K51684
1
SCREW, C/R COUNTERSUNK
小ネジ 十穴皿
M02X006(3
カクロ
)
40
AA53A01
1
SENSOR
センサ
41
S40580
1
SENSOR
センサ
E3T-FD14 2M
42
XS02681
1
SLIT
スリット
43
K5175M
2
SCREW, C/R PAN
小ネジ 十穴鍋
M02X004 0
バン
1
シュ
(
ステンレス
)
45
PJ06032
1
PLATE, ACRYLIC
プレート アクリル
46
H1122D
1
VALVE, SOL
バルブ SOL
SYJ3140-5M0U
49
PX07571
1
SEAL, BAR CODE
シール バーコード
HR0B1, unit serial number
57
PTS-NAHEAD-10

A
A
B
B
7
8
9
10
11
12
12
13
13
14
15
15
16
16
17
19
20
21
22
23
25
26
27
28
27
28
29
30
31
33
34
35
36
37
38
39
40
43
44
45
46
57
58
59
60
61
65
62
63
64
65
66
67
69
71
72
73
73
73
73
74
71
68
66
32
17
70
77
77
1
68.1
67
68
68.1
75
37
38
39
76
43.1
AA74B51
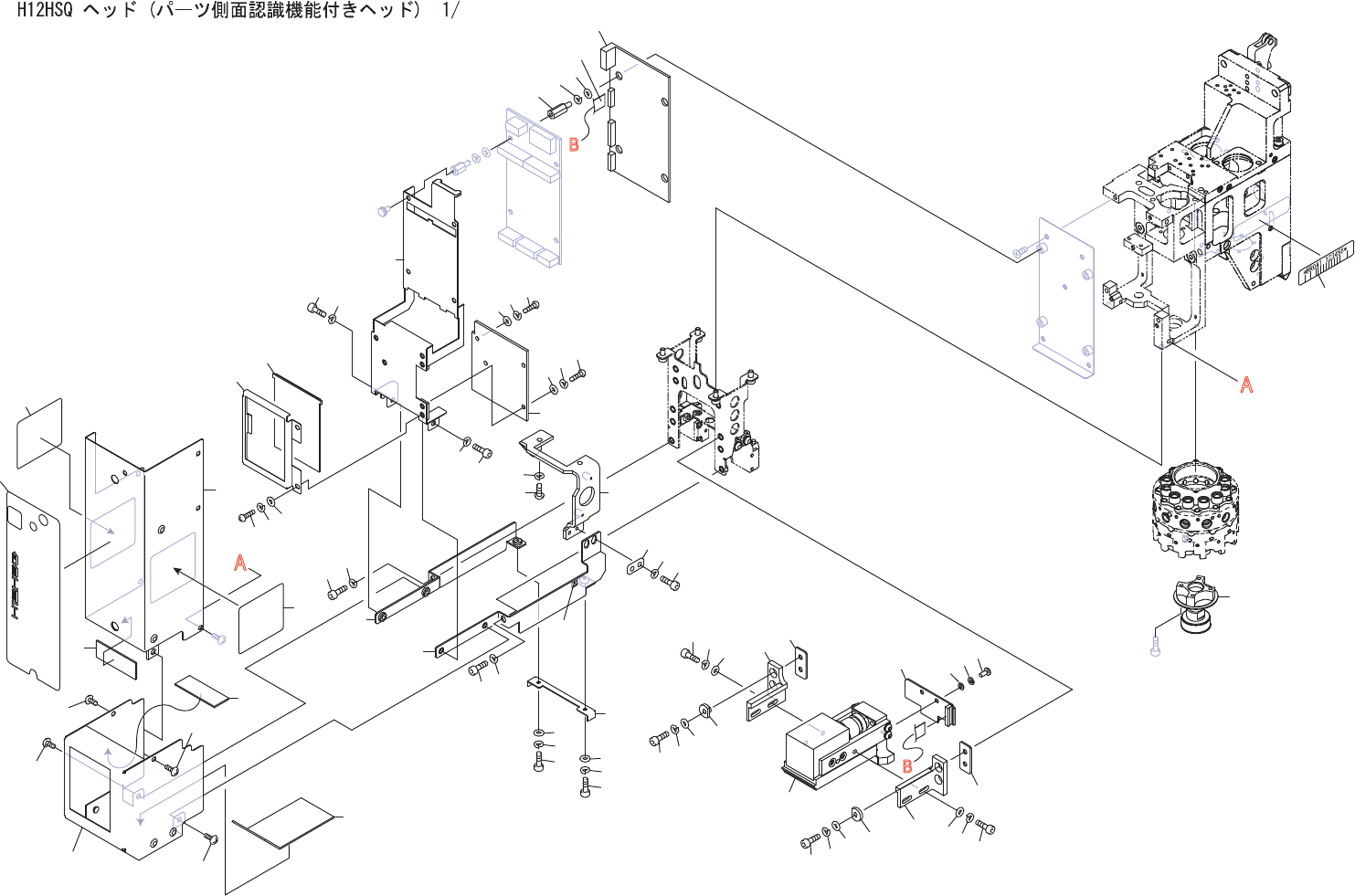
H12HSQ HEAD (Head with part side recognition) 1/
58
PTS-NAHEAD-10
H
12
HSQ
K
(
八
_
、
y
側面認識機能付含
/
F
'
)
1
/

H12HSQ HEAD (Head with part side recognition) 1/
H12HSQ ヘッド (パーツ側面認識機能付きヘッド) 1/
AA74B51
No.
Drg.No. & Code No.
QTY
Description
Rating
Remarks
番号
図番
&
コード番号
個数
品名
規格
備考
1
AA79S11
1
PIN, REFERENCE
ピン 基準
7
2EGKHB000113
1
BOARD, PRINTED CIRCUIT
基板 プリント
8
W1108B
4
WASHER, FLAT
ワッシャ 平
3M/MX0.5X7(3
カシロ
)
9
W1106C
4
WASHER, LOCK
ワッシャ スプリング
3M/M(3
カ
シロ
)
10
S3228T
4
SPACER
スペーサ
BSF-312E
11
2MGKHB002002
1
BKT, COVER
BKT カバー
12
H5425Z
2
BOLT, HEX SOCKET
ボルト 六角穴
M03X004(3
カ
シロ
)
13
W1106C
2
WASHER, LOCK
ワッシャ スプリング
3M/M(3
カ
シロ
)
14
2EGKHA007400
1
BOARD, PRINTED CIRCUIT
基板 プリント
15
K51756
4
SCREW, C/R PAN
小ネジ 十穴鍋
M02.5X005(
ステンレス
)
16
W1106A
4
WASHER, LOCK
ワッシャ スプリング
2.5M/M(3
カ
シロ
)
17
W60565
4
WASHER, FLAT
ワッシャ 平
2.5M/MX0.5X5
コガタマル
(3
カ
シロ
)
19
2MGKHB001701
1
RETAINER, COVER
押え カバー
20
K5173M
2
SCREW, C/R PAN
小ネジ 十穴鍋
M02.5X004(
ステンレス
)
21
W1106A
2
WASHER, LOCK
ワッシャ スプリング
2.5M/M(3
カ
シロ
)
22
W60565
2
WASHER, FLAT
ワッシャ 平
2.5M/MX0.5X5
コガタマル
(3
カ
シロ
)
23
2AGKHB000200
1
COVER
カバー
25
2MGKHB000700
1
BKT
BKT
26
2MGKHB000600
1
BKT
BKT
27
H54251
2
BOLT, HEX SOCKET
ボルト 六角穴
M03X006(3
カ
シロ
)
28
W1106C
2
WASHER, LOCK
ワッシャ スプリング
3M/M(3
カ
シロ
)
29
PX00182
1
NAMEPLATE
銘板
30
PB73151
1
WASHER
ワッシャ
31
H54251
2
BOLT, HEX SOCKET
ボルト 六角穴
M03X006(3
カ
シロ
)
32
W1106C
2
WASHER, LOCK
ワッシャ スプリング
3M/M(3
カ
シロ
)
33
PB88524
1
BKT, SENSOR
BKT センサ
34
K5258F
2
SCREW, HEX SOCKET BUTTON
小ネジ 六角穴ボタン
M03X008(3
カ
シロ
)
35
W1106C
2
WASHER, LOCK
ワッシャ スプリング
3M/M(3
カ
シロ
)
36
PB93573
1
BKT, CONNECTING
BKT ツナギ
37
H68438
2
BOLT, HEX SOCKET
ボルト 六角穴
M02X005(3
カクロ
)
38
W61308
2
WASHER, LOCK
ワッシャ スプリング
2M/M(3
カ
クロ
)
39
W1108A
2
WASHER, FLAT
ワッシャ 平
2M/MX0.3X4.3(3
カシロ
)
40
2AGKHA014002
1
CAMERA
カメラ
43
2EGKHA003802
1
BOARD, PRINTED CIRCUIT
基板 プリント
43.1
XH01230
1
CABLE
ケーブル
44
K71493
2
SCREW
小ネジ
M02.5X006
バインド(
3
カ
クロ)
45
W61309
2
WASHER, LOCK
ワッシャ スプリング
2.5M/M(3
カ
クロ
)
46
W11081
2
WASHER, FLAT
ワッシャ 平
2.5M/MX0.5X5(3
カクロ
)
57
PM09TH3
1
BKT
BKT
58
H54252
2
BOLT, HEX SOCKET
ボルト 六角穴
M03X008(3
カ
シロ
)
59
W1106C
2
WASHER, LOCK
ワッシャ スプリング
3M/M(3
カ
シロ
)
60
W1108D
2
WASHER, FLAT
ワッシャ 平
4W-3(3
カ
シロ
)
61
PM09TG3
1
BKT
BKT
62
H54252
2
BOLT, HEX SOCKET
ボルト 六角穴
M03X008(3
カ
シロ
)
63
W1106C
2
WASHER, LOCK
ワッシャ スプリング
3M/M(3
カ
シロ
)
64
W1108D
2
WASHER, FLAT
ワッシャ 平
4W-3(3
カ
シロ
)
65
2MGKHA033300
2
PLATE, INSULATING
プレート 絶縁
66
PJ17392
4
BUSHING
ブシュ
67
H54254
4
BOLT, HEX SOCKET
ボルト 六角穴
M03X012(3
カ
シロ
)
68
W1106C
4
WASHER, LOCK
ワッシャ スプリング
3M/M(3
カ
シロ
)
68.1
W1108D
4
WASHER, FLAT
ワッシャ 平
4W-3(3
カ
シロ
)
59
PTS-NAHEAD-10