PTS-NAHEAD-10.pdf - 第64页
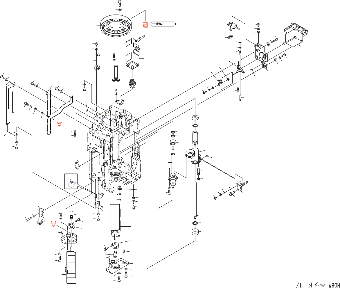
A A B Ref.2/ 1 2 2 3 4 5 6 7 8 9 10 11 24 25 26 33 34 35 36 37 37 38 39 40 41 42 43 44 45 46 16.1 48 49 50 51 52 53 54 55 56 57 58 59 62 63 64 65 66 67 68 69 67 68 69 70 71 72 73 74 105 106 108 107 75 76 77 78 79 80 81 8…

H12HSQ HEAD (Head with part side recognition) 2/
H12HSQ ヘッド (パーツ側面認識機能付きヘッド) 2/
AA74B51
No.
Drg.No. & Code No.
QTY
Description
Rating
Remarks
番号
図番
&
コード番号
個数
品名
規格
備考
2
2MGKHB004702
1
COVER
カバー
3
2MGKHB004800
1
COVER
カバー
4
K62149
2
SCREW, C/R FLAT
小ネジ 十穴平
M03X006
ヒラトウ
H=0.6
ヤキイレ
(
ニッケルメッキ
)
5
2MGKHB004900
1
COVER
カバー
6
K62149
2
SCREW, C/R FLAT
小ネジ 十穴平
M03X006
ヒラトウ
H=0.6
ヤキイレ
(
ニッケルメッキ
)
7
2MGKHB005001
1
CATCH, OIL
受け 油
8
2MGKHB005100
1
PLATE
プレート
9
K62149
2
SCREW, C/R FLAT
小ネジ 十穴平
M03X006
ヒラトウ
H=0.6
ヤキイレ
(
ニッケルメッキ
)
11
2MGKHB005301
1
BKT
BKT
12
2MGKHB005401
1
BKT
BKT
13
2MGKHB005502
1
COVER
カバー
14
K62149
2
SCREW, C/R FLAT
小ネジ 十穴平
M03X006
ヒラトウ
H=0.6
ヤキイレ
(
ニッケルメッキ
)
63
PTS-NAHEAD-10

A
A
B
Ref.2/
1
2
2
3
4
5
6
7
8
9
10
11
24
25
26
33
34
35
36
37
37
38
39
40
41
42
43
44
45
46
16.1
48
49
50
51
52
53
54
55
56
57
58
59
62
63
64
65
66
67
68
69
67
68
69
70
71
72
73
74
105
106
108
107
75
76
77
78
79
80
81
82
83
84
85
86
88
88
89
90
89
90
92
93
94
109
96
97
97
98
98
99
100
101
110
103
102
104
12
13
14
16
17
18
19
20
21
22
23
23.1
15
60
92.1
92.2
79
21.1
22
H08M HEAD 1/
2UGKHF000172
64
PTS-NAHEAD-10
<
t
/
{
、
H
W
80
H

H08M HEAD 1/
H08M ヘッド 1/
2UGKHF000172
No.
Drg.No. & Code No.
QTY
Description
Rating
Remarks
番号
図番
&
コード番号
個数
品名
規格
備考
1
2MGKHF005001
1
PLATE
プレート
2
R50035
2
ROLLER, NEEDLE
ローラ ニードル
φ3X7.8 AWC3
3
H54252
3
BOLT, HEX SOCKET
ボルト 六角穴
M03X008(3
カ
シロ
)
4
W1010A
3
WASHER, CONICAL
ワッシャ 皿
M-3-L
5
2MGKHF017100
1
MOTOR, AC SERVO
モータ ACサーボ
6
H54252
2
BOLT, HEX SOCKET
ボルト 六角穴
M03X008(3
カ
シロ
)
7
W1010A
2
WASHER, CONICAL
ワッシャ 皿
M-3-L
8
PM0CMZ5
1
GEAR
ギヤ
9
PM76241
1
COLLAR
カラー
10
H5274A
1
BOLT, HEX SOCKET
ボルト 六角穴
M03X006
11
2MGKHA113400
1
MOTOR, AC SERVO
モータ ACサーボ
12
H54252
2
BOLT, HEX SOCKET
ボルト 六角穴
M03X008(3
カ
シロ
)
13
W1010A
2
WASHER, CONICAL
ワッシャ 皿
M-3-L
14
2MGKHF004900
1
PLATE
プレート
15
H5289R
2
BOLT, HEX SOCKET
ボルト 六角穴
M04X014(3
カ
シロ
)
16
W1106D
2
WASHER, LOCK
ワッシャ スプリング
4M/M(3
カ
シロ
)
16.1
R50035
2
ROLLER, NEEDLE
ローラ ニードル
φ3X7.8 AWC3
17
PM76241
1
COLLAR
カラー
18
H5274A
1
BOLT, HEX SOCKET
ボルト 六角穴
M03X006
19
PM06FL7
1
GEAR
ギヤ
20
PB04BN0
1
BKT, RETAINER
BKT 押え
21
H67896
1
BOLT, HEX SOCKET
ボルト 六角穴
M02.5X005(3
カ
シロ
)
21.1
H5425F
1
BOLT, HEX SOCKET
ボルト 六角穴
M02.5X006(3
カ
シロ
)
22
W1106A
2
WASHER, LOCK
ワッシャ スプリング
2.5M/M(3
カ
シロ
)
23
XS00842
1
SENSOR, PRESSURE
センサ 圧力
23.1
A60764
1
O RING
Oリング
φ2.8X1.6(NBR)
ACC-23
24
AA06D10
1
ROLLER
ローラ
25
H54255
2
BOLT, HEX SOCKET
ボルト 六角穴
M03X015(3
カ
シロ
)
26
W1106C
2
WASHER, LOCK
ワッシャ スプリング
3M/M(3
カ
シロ
)
33
PZ48711
1
SHAFT
シャフト
34
H54251
1
BOLT, HEX SOCKET
ボルト 六角穴
M03X006(3
カ
シロ
)
35
W1106C
1
WASHER, LOCK
ワッシャ スプリング
3M/M(3
カ
シロ
)
36
W1108B
1
WASHER, FLAT
ワッシャ 平
3M/MX0.5X7(3
カシロ
)
37
S10015
2
CIR-CLIP
サークリップ
RTW 12
38
PG07300
1
STOPPER
ストッパ
39
H42740
1
BEARING, SLIDE
ベアリング スライド
NL-6VUU-SW
40
PG06500
1
STOPPER
ストッパ
41
PM0CXR1
1
SLIDER
スライダ
42
PM76232
1
PIN
ピン
43
S1027A
1
CIR-CLIP
サークリップ
STW 5
44
N4019C
1
SCREW, HEX SOCKET SET
ネジ 六角穴止め
M03X004
ヒラサキ
(
ステンレス
)
45
PM0CXS2
1
ARM
アーム
46
K1090B
1
CAM FOLLOWER
カムフォロア
CFS4-A
48
PM04565
2
PIN, ROLLER
ピン ローラ
49
PM04574
2
ROLLER
ローラ
50
PM04552
2
COLLAR
カラー
51
PH00908
1
ARM
アーム
52
N1074Z
2
NUT, HEX
ナット 六角
M02.5(
ステンレス
)
53
PM064M2
1
ARM
アーム
54
H5425L
1
BOLT, HEX SOCKET
ボルト 六角穴
M02X005(3
カ
シロ
)
55
PM46182
1
PIN
ピン
65
PTS-NAHEAD-10