PTS-NAHEAD-10.pdf - 第75页
このページはブランクページです This page is intentionally blank. 此页是空白页 75 PTS-NAHEAD-10

H08M HEAD 3/
H08M ヘッド 3/
2UGKHF000172
No.
Drg.No. & Code No.
QTY
Description
Rating
Remarks
番号
図番
&
コード番号
個数
品名
規格
備考
44.2
W1011A
1
WASHER, CONICAL
ワッシャ 皿
M-4-L
45
H5426L
2
BOLT, HEX SOCKET
ボルト 六角穴
M04X010(3
カ
シロ
)
46
W1011A
2
WASHER, CONICAL
ワッシャ 皿
M-4-L
47
2AGKHF001006
1
BODY
本体
48
S3062N
3
SPACER
スペーサ
BSF-314E
48.1
W1106C
3
WASHER, LOCK
ワッシャ スプリング
3M/M(3
カ
シロ
)
49
W1108B
3
WASHER, FLAT
ワッシャ 平
3M/MX0.5X7(3
カシロ
)
50
2MGKHF010500
1
COVER
カバー
51
K51710
3
SCREW, C/R TRUSS
小ネジ 十穴トラス
M03X005(3
カ
シロ
)
52
PX09951
1
SEAL, BAR CODE
シール バーコード
HA0A1, unit serial number
53
2MGKHF004301
1
BKT, SENSOR
BKT センサ
54
H54252
2
BOLT, HEX SOCKET
ボルト 六角穴
M03X008(3
カ
シロ
)
55
W1106C
2
WASHER, LOCK
ワッシャ スプリング
3M/M(3
カ
シロ
)
56
W1108D
2
WASHER, FLAT
ワッシャ 平
4W-3(3
カ
シロ
)
57
PB080N2
1
COVER, LOWER
カバー 下
58
2MGKHF011903
4
SCREW, C/R PAN
小ネジ 十穴鍋
59
2MGKHF002800
4
WASHER
ワッシャ
60
2MGKHF004200
1
BKT, SENSOR
BKT センサ
61
H54252
2
BOLT, HEX SOCKET
ボルト 六角穴
M03X008(3
カ
シロ
)
62
W1106C
2
WASHER, LOCK
ワッシャ スプリング
3M/M(3
カ
シロ
)
63
W1108D
2
WASHER, FLAT
ワッシャ 平
4W-3(3
カ
シロ
)
64
2MGKHB006000
1
VALVE, PRESSURE REDUCING
バルブ 減圧
70
PB0ASZ0
2
SPACER
スペーサ
71
S65846
4
SENSOR
センサ
EX-11A-FJ2-PN
(ビスナシ)
SET
72
H76570
12
BOLT, HEX SOCKET
ボルト 六角穴
M02X004(3
カ
クロ
)
73
H68019
4
BOLT, HEX SOCKET
ボルト 六角穴
M02X008(3
カ
クロ
)
74
XB03330
2
VALVE, SOL
バルブ SOL
75
2MGKHF014200
1
VALVE, SOL
バルブ SOL
76
PJ24640
1
PLATE, ACRYLIC
プレート アクリル
77
K51753
2
SCREW, C/R PAN
小ネジ 十穴鍋
M02X016(
ステンレス
)
78
A5202A
8
O RING
Oリング
φ2.4X0.8
Consumable Parts
80
S1058B
2
SILENCER
サイレンサ
AN120-M3
81
S40264
1
SENSOR
センサ
E2S-W25 1M
82
K5258G
1
SCREW, HEX SOCKET BUTTON
小ネジ 六角穴ボタン
M03X010(3
カ
シロ
)
83
W1108B
1
WASHER, FLAT
ワッシャ 平
3M/MX0.5X7(3
カシロ
)
84
2MGKHF004800
1
BKT, SENSOR
BKT センサ
85
H54251
2
BOLT, HEX SOCKET
ボルト 六角穴
M03X006(3
カ
シロ
)
86
W1106C
2
WASHER, LOCK
ワッシャ スプリング
3M/M(3
カ
シロ
)
87
H5425L
4
BOLT, HEX SOCKET
ボルト 六角穴
M02X005(3
カ
シロ
)
88
S61583
1
SENSOR
センサ
EX-11B-FJ-PN
(ビスナシ)
SET
89
PB04BM0
1
BKT, SENSOR
BKT センサ
90
H54253
2
BOLT, HEX SOCKET
ボルト 六角穴
M03X010(3
カ
シロ
)
91
W1106C
2
WASHER, LOCK
ワッシャ スプリング
3M/M(3
カ
シロ
)
92
W1108D
2
WASHER, FLAT
ワッシャ 平
4W-3(3
カ
シロ
)
93
2MGKHF017300
1
BKT, WIRING
BKT 配線
94
K5258E
1
SCREW, HEX SOCKET BUTTON
小ネジ 六角穴ボタン
M03X006(3
カ
シロ
)
95
W1106C
1
WASHER, LOCK
ワッシャ スプリング
3M/M(3
カ
シロ
)
74
PTS-NAHEAD-10
このページはブランクページです
This page is intentionally blank.
此页是空白页
75
PTS-NAHEAD-10

3333
8
2
1
1
5
5
6
13
9
7
6
10
11
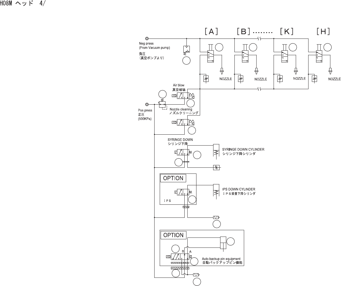
H08M HEAD 4/
2UGKHF000172
76
PTS-NAHEAD-10
H
08
M
K
4
/
[
A
] [
B
]
[
K
] [
H
]
©
-
5
Neg
press
(
From
Vacuum
pump
)
負圧
(
真空
丑
O
肛
o
o
=
r
=
r
v
1
1
NOZZLE
NOZZLE
NOZZLE
NOZZLE
Air
blow
真空破壊
o
o
©
-
Nozzle
cleaning
/
;
OU
夕
1
J
一二
:
/
夕
Pos
press
正圧
(
500
KPa
)
O
SYRINGE
DOWN
夕
U
>
v
下降
i
_
SYRINGE
DOWN
CYLINDER
ffl
OPTION
IPS
DOWN
CYLINDER
I
口
3
背景下降
>
|
彡
:
/
夕
gfTTV
¥
IPS
[
23
■
d
>
o
OPTION
O
T
Oi
HZZI
h
Auto
backup
pin
equipment
自動夕
77
汐匕
:
/
機育
I
Lyvi
——
P
7
i
>
o