PTS-NAHEAD-10.pdf - 第97页
このページはブランクページです This page is intentionally blank. 此页是空白页 97 PTS-NAHEAD-10

H08 HEAD 4/
H08 ヘッド 4/
2UGKHC000122
No.
Drg.No. & Code No.
QTY
Description
Rating
Remarks
番号
図番
&
コード番号
個数
品名
規格
備考
45
H5425N
8
BOLT, HEX SOCKET
ボルト 六角穴
M02X008(3
カ
シロ
)
46
H21927
2
PIN, PARALLEL
ピン 平行
φ02X06 B
種
(h8)
47
AA0AL05
8
FILTER
フィルタ
Consumable Parts
47.1
XH00402
1
FILTER
フィルタ
Consumable Parts
48
PH00312
1
HOLDER
ホルダ
49
A51906
1
O RING
Oリング
φ4.20X0.53(FKM70)
Consumable Parts
49.1
A5188S
1
O RING
Oリング
φ3.0X0.5(FKM70)
Consumable Parts
50
PB27432
1
RING
リング
51
PM33086
1
SHAFT, CENTER
シヤフト センタ
52
H1161B
1
PACKING
パッキン
MYN-5
53
A5172Y
1
O RING
Oリング
SS 9
Consumable Parts
54
A51720
1
O RING
Oリング
SS 12
Consumable Parts
55
H54251
4
BOLT, HEX SOCKET
ボルト 六角穴
M03X006(3
カ
シロ
)
56
W1106C
4
WASHER, LOCK
ワッシャ スプリング
3M/M(3
カ
シロ
)
57
PP00102
1
RETAINER, BEARING
押え ベアリング
58
H68438
8
BOLT, HEX SOCKET
ボルト 六角穴
M02X005(3
カクロ
)
59
W61308
8
WASHER, LOCK
ワッシャ スプリング
2M/M(3
カ
クロ
)
60
PM18862
1
COVER
カバー
61
2MGTHA070300
4
BOLT, HEX SOCKET
ボルト 六角穴
66
PZ08841
8
SPRING, COIL
スプリング コイル
67
PM18075
8
COLLAR
カラー
68
PX00202
1
NAMEPLATE
銘板
69
PX00182
1
NAMEPLATE
銘板
70
PX00211
1
NAMEPLATE
銘板
71
AA45H06
1
PIN, REFERENCE
ピン 基準
72
2MGKHK009600
2
BOLT, HEX SOCKET
ボルト 六角穴
73
W61308
2
WASHER, LOCK
ワッシャ スプリング
2M/M(3
カ
クロ
)
75
AA1ZX14
8
SYRINGE
シリンジ
76
2AGKHC000702
1
SYRINGE
シリンジ
77
R5028R
1
ROD
ロッド
MRSB0.6-6.5
78
PZ16856
1
SPRING, COIL
スプリング コイル
79
PM19126
1
PIPE
パイプ
80
PG00613
1
O RING
Oリング
Consumable Parts
81
2MGKHA014800
1
O RING
Oリング
Consumable Parts
83
R50235
8
ROLLER, NEEDLE
ローラ ニードル
φ1X6.8F(
トウキュウ
2)
96
PTS-NAHEAD-10
このページはブランクページです
This page is intentionally blank.
此页是空白页
97
PTS-NAHEAD-10

Ref.BED
Ref.BED
a1
a2
7
3
3
3
3
10
1
1
2
5
6
9
8
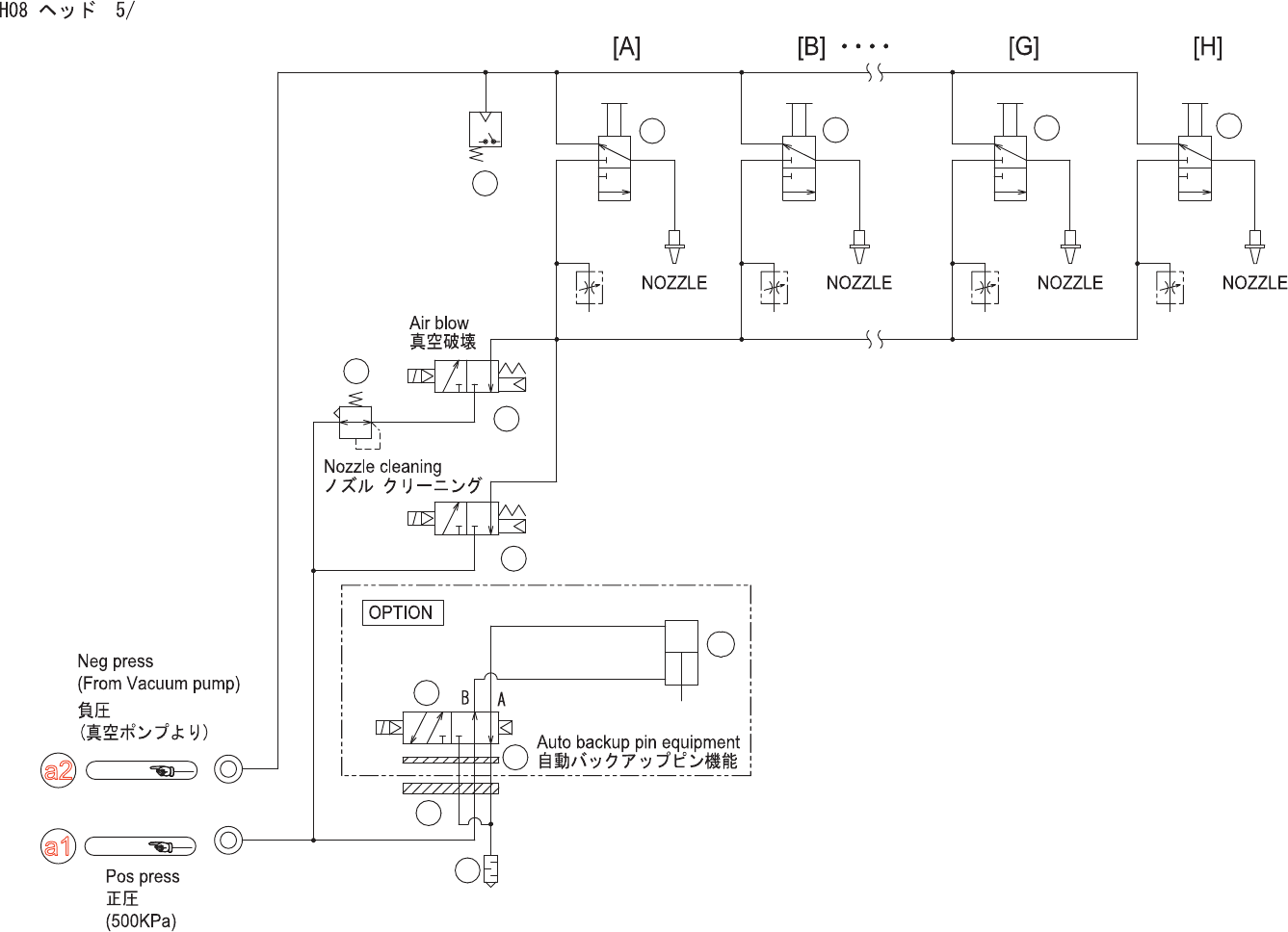
H08 HEAD 5/
2UGKHC000122
98
PTS-NAHEAD-10
H
08
K
5
/
[
A
]
[
B
]
•
[
G
] [
H
]
Ko
So
Ko
Eo
V
o
4
B
@ @
B
NOZZLE NOZZLE
NOZZLE
NOZZLE
Air
blow
真空破壊一
O
n
^
TT
^
O
Nozzle
yX
)
i
cleaning
夕
g
-
二
o
|
OPTION
|
o
Neg
press
(
From
Vacuum
pump
)
O
B
A
負圧
3
(
真空木
°
>
犮
cfcy
)
Auto
backup
pin
equipment
自動八
7
夕
77
夕
tr
°
>
機能
:
o
5
◎
~
o
u
,
◎
)
Pos
press
正圧
(
500
KPa
)