N7205A106B04[201502] - 第44页
-K331 PNF0B4 ILK Board #2 24VIN 24VIN 24GND 24GND CP+24V 24GND BU UL#18 80/300-0.75mm2 BU UL#18 80/300-0.75mm2 BU UL#18 80/300-0.75mm2 BU UL#18 80/300-0.75mm2 1 2 4 MOLEX CN24VK331 5557-06R-210 5 3 6 CN24V 1CN24VR P24 P2…

-K331
PNF0B4
ILK Board #2
CN24V
CNMC4 CNMC5
CNMC3 CNMC2
CNEXL-M CNEXR-M
CNEMGCOV
EXTOT1
(RX)
OPT1
(TX)
OPT2
ILK#1
OPT2
I/O
CN4
1CN24VP 1EMGCOVP
CN-FANA
1G103P
Safety Relay
-K132
CN1
CN2
G9SC-400-CNP4E
Safety Relay
-K131
CN1
CN2
G9SC-400-CNP4E
To Power Unit1 To Power Unit1 To Power Unit1
1EXTOT1P
To Power Unit1
1CN2K132P
To Power Unit1
SF24VP
To Power Unit1
1T122P
To Power Unit1
1CN2K131P
To Power Unit1
1
Panasonic Factory Solutions Co.,Ltd. パナソニック ファクトリーソリューションズ株式会社
Name
Drawing No.
Loc. No.
F4K1020-05A
1
2 3 4 5 6 7 8
A
B
C
D
E
F
1 2 3 4 5 6 7 8
A
B
C
D
E
F
Page. No.
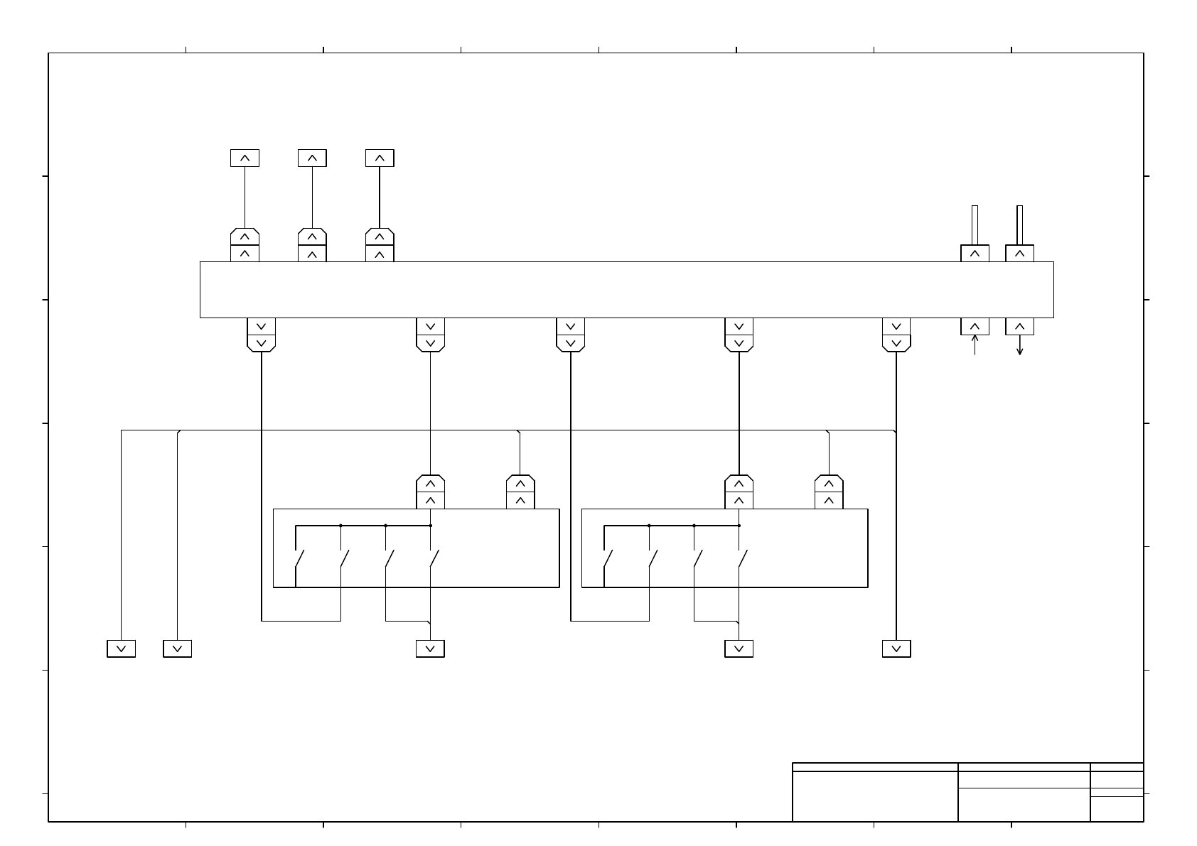
Power Unit 2 Wiring:NPM-D3
(Block Diagram)
N610161321+002AB
P002

-K331
PNF0B4
ILK Board #2
24VIN
24VIN
24GND
24GND
CP+24V
24GND
BU
UL#18 80/300-0.75mm2
BU UL#18 80/300-0.75mm2
BU
UL#18 80/300-0.75mm2
BU
UL#18 80/300-0.75mm2
1
2
4
MOLEX
CN24VK331
5557-06R-210
5
3
6
CN24V
1CN24VR
P24
P24
G24
G24
2
1
3
4
Power Unit 1
N610159576AC
AMP
1CN24VP
177908-1
4
3
2
1
1EMGCOVR
OT035(ILK OUT EMG #1)
OT036(ILK OUT COV #2)
OT035COM(ILK OUT EMG #1)
1
2
3
OT036COM(ILK OUT COV #2)
4
5
6
N.C
N.C
MOLEX
1EMGCOVP
5559-06P-210
6
5
4
3
2
1
18
17
16
15
14
13
12
11
10
9
8
7
6
5
4
3
2
1
CNEMGCOV
IN317
24GND
24GND
24VOUT
IN310
NC
IN311
24GND
24GND
24VOUT
24GND
IN314
OT312
24GND
24GND
IN315
6
3
5
4
2
1
N610159622AB
BU UL#22 80/300-0.3mm2
BU UL#22 80/300-0.3mm2
BU
UL#22 80/300-0.3mm2
BU UL#22 80/300-0.3mm2
1G103R
Sensor Output
P24
2
1
N610159623AC
BU UL#22 80/300-0.3mm2
BU
UL#22 80/300-0.3mm2
24VOUT
IN404
24GND
CN-FANA
3
2
1
JST
CN-FANAK331
PAP-03V-S
3
2
1
N.C
G24
4
3
AMP
1G103P
177908-1
4
3
2
1
BU UL#22 80/300-0.3mm2
1
2
3
JST
CNEMGCOVK331
PUDP-18V-S
4
5
6
7
8
9
10
11
12
13
14
15
16
17
18
BU UL#22 80/300-0.3mm2
BU UL#22 80/300-0.3mm2
Note1)
Note1) Connector Pin arrangement is not sequential.
1
1
1
Panasonic Factory Solutions Co.,Ltd. パナソニック ファクトリーソリューションズ株式会社
Name
Drawing No.
Loc. No.
F4K1020-05A
1
2 3 4 5 6 7 8
A
B
C
D
E
F
1 2 3 4 5 6 7 8
A
B
C
D
E
F
Page. No.
Power Unit 2 Wiring:NPM-D3
(ILK #2 DC Input)
N610161321+003AB
P003

-K131
G9SC-400-CNP4E
OMRON
CN1
CN2
Safty Relay
(Front)
CNMC2
CNMC4
EXTOT1
ILK Board #2
1
2
3
4
IN400
24GND
OT320(24VOUT)
24GND
1
2
3
4
OT322(24VOUT)
OT322(24VOUT)
24VOUT
24GND
24VOUT
OT330
OT331
24VOUT
24GND
24VOUT
OT330COM
OT331COM
24VOUT
24GND
1
2
3
4
5
6
7
8
9
10
13
23
33
43
NC
14
24
34
44
NC
1
2
3
4
5
6
7
8
9
10
T22
T12T31
NC
NC
T21
T32(RESET)
NC
NC
COM
T11
11
12
13
14
15
16
2
1
4
3
A2
A1
1
2
3
4
5
6
7
8
9
11
12
13
14
15
16
17
18
19
10
20
21
22
-K331
PNF0B4
OT332
OT333
OT334
OT335
OT336
OT337
OT332COM
OT333COM
OT334COM
OT335COM
OT336COM
OT337COM
K2K1
K2
K2
Control
Circuit
K2
K1
K1
SA
TH
a
a
K1
JST
CNMC2K331
PAP-04V-S
4
3
2
1
JST
EXTOT1K331
PUDP-22V-S
22
21
20
19
18
17
16
15
14
13
12
11
10
9
8
7
6
5
4
3
2
1
OMRON
CN1K131
XG5N-161-U
16
15
14
13
12
11
10
9
8
7
6
5
4
3
2
1
JST
CN2K131
XHP-10
10
9
8
7
6
5
4
3
2
1
MOLEX
CNMC4K331
5557-04R-210
4
3
2
1
UL#22 80/300-0.3mm2 BU
UL#22 80/300-0.3mm2 BU
UL#22 80/300-0.3mm2 BU
UL#22 80/300-0.3mm2 BU
UL#22 80/300-0.3mm2 BU
UL#22 80/300-0.3mm2 BU
UL#22 80/300-0.3mm2 BU
UL#22 80/300-0.3mm2 BU
UL#22 80/300-0.3mm2 BU
UL#22 80/300-0.3mm2 BU
UL#22 80/300-0.3mm2 BU
EXTOT1K331-14
P005-5C
UL#22 80/300-0.3mm2 BU
N610159578AC
N610159577AC
AMP
1T122P
177906-1
2
1
MOLEX
1EXTOT1P
5559-04P-210
4
3
2
1
AMP
1CN2K131P
177907-1
3
2
1
UL#22 80/300-0.3mm2 BU
UL#22 80/300-0.3mm2 BU
UL#22 80/300-0.3mm2 BU
MOLEX
SF24VP
5559-04P-210
4
3
2
1
1EXTOT1R
2
1
3
4
2
1
2
1
3
4
2
1
3
Power Unit 1
1T122R
1CN2K131R
SF24VR
SF24VP-2
P005-5C
1T122P-1
P005-5C
1EXTOT1P-4
P005-5B
1
1
Panasonic Factory Solutions Co.,Ltd. パナソニック ファクトリーソリューションズ株式会社
Name
Drawing No.
Loc. No.
F4K1020-05A
1
2 3 4 5 6 7 8
A
B
C
D
E
F
1 2 3 4 5 6 7 8
A
B
C
D
E
F
Page. No.
Power Unit 2 Wiring:NPM-D3
(Front Safety Relay)
N610161321+004AB
P004