N7205A106B04[201502] - 第68页
-A01 CPU Box -K301 CPU Board LAN1K301 Kaneko cord B841S-88GF-H001 CNLN STPC26-5E(LB)-S220C USB1 Y-E DATA YD-8V76-00000001 -C101 Card Reader KUSB2-AM-MBM L=2100 L CNLAN2 N510051861AA MTNW000200AA N510040518AA CNLAN1 LAN1K…

-A02
Power Unit 1
-K321
PNF0B4
ILK Board #1
CN-SRV
-K328
PNF0A5
CN11
CN15
Panel Control Board
N610112733** :Whole Cover (H):NPM-D
N610159588AA
N610159632AB
IN046
24GND
SERVO
COM
12G
START SWF
12G
1
2
3
CONNECTION STATUS SWF
+12VD-OUT
START LPF
4
5
6
7
8
+12VD-OUT
CONNECTION STATUS LPF
12G
START SWR
12G
9
10
11
CONNECTION STATUS SWR
+12VD-OUT
START LPR
12
13
14
15
16
+12VD-OUT
CONNECTION STATUS LPR
BK/WH
BK
2464-1061/ⅡA(PF) LF 1P×22AWG
BK/WH
BK
RD/WH
RD
2464-1061/ⅡA(PF) LF 2P×24AWG
BK/WH
BK
RD/WH
RD
2464-1061/ⅡA(PF) LF 2P×24AWG
T/2464-3599 クロ LF 4×24AWG
GN
RD
WH
BK
N610131527AA
N610131528AA
T/2464-3599 クロ LF 4×24AWG
GN
RD
WH
BK
MOLEX
CN11K328
43025-1600
1
2
3
4
5
6
7
8
9
10
11
12
13
14
15
16
AMP
1S104P
177911-1
9
8
7
6
5
4
3
2
1
AMP
1S104R
177903-1
9
8
7
6
5
4
3
2
1
MOLEX
CN15K328
5557-02R-210
2
1
JST
CN-SRV
PAP-02V-S
2
1
AMP
1S114P
177911-1
9
8
7
6
5
4
3
2
1
AMP
1S114R
177903-1
9
8
7
6
5
4
3
2
1
AMP
S104R
2-1318119-4
B1
A1
B2
A2
B3
A3
B4
A4
AMP
S114R
2-1318119-4
B1
A1
B2
A2
B3
A3
B4
A4
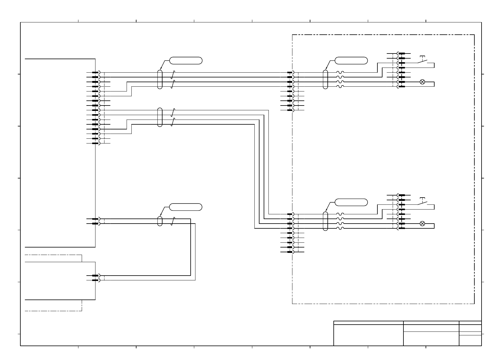
Front Start SW
A4
B4
A3
B3
A2
B2
A1
B1
1376009-2
AMP
-S104
LW6L-M1C13VG-BC-TK2504-B
IDEC
Rear Start SW
A4
B4
A3
B3
A2
B2
A1
B1
1376009-2
AMP
-S114
LW6L-M1C13VG-BC-TK2504-B
IDEC
1
2
1
2
Note1) Connector Pin arrangement is not sequential.
Note1)
Note1)
1
Panasonic Factory Solutions Co.,Ltd. パナソニック ファクトリーソリューションズ株式会社
Name
Drawing No.
Loc. No.
F4K1020-05A
1
2 3 4 5 6 7 8
A
B
C
D
E
F
1 2 3 4 5 6 7 8
A
B
C
D
E
F
Page. No.
Main Body Wiring : NPM-D3
(Operation Switch Wiring)
N610159580+018AB
P018

-A01
CPU Box
-K301
CPU Board
LAN1K301
Kaneko cord
B841S-88GF-H001
CNLN
STPC26-5E(LB)-S220C
USB1
Y-E DATA
YD-8V76-00000001
-C101
Card
Reader
KUSB2-AM-MBM L=2100 L
CNLAN2
N510051861AA
MTNW000200AA
N510040518AA
CNLAN1
LAN1K301
CNLAN1
USB1
CNLN
NPM-D3 Main Body
HUB Unit(Electric Parts):NPM-D
Inspection Box
LAN1K301
Inspection Box (Option)
CNLAN2
Wiring Assy OP : NPM_2D
LAN1K301
CNLAN1
N510051861AA
N510051164AA
Connection in case of
Inspection Box OP
Connection in case of
Inspection Box OP
HUB
Panasonic Factory Solutions Co.,Ltd. パナソニック ファクトリーソリューションズ株式会社
Name
Drawing No.
Loc. No.
F4K1020-05A
1
2 3 4 5 6 7 8
A
B
C
D
E
F
1 2 3 4 5 6 7 8
A
B
C
D
E
F
Page. No.
Main Body Wiring : NPM-D3
(LAN,USB Wiring)
N610159580+019AB
P019
1
1
1

NCIO Board
-K321
PNF0B4
-K302
PNFCAC
T05×2-PJS-2100-A
T05×2-PJS-1300-A
-A01
CPU Box
CN6K302
CN7K302
ILK Board #1
-K322
PNF0B3
CN6
CN7 OPT1
RX
-A02
Power Unit 1
CN3K322
OPT1K321
CN11
CN12
I/O Board
CN3
TX
OPT2
TX
CN8
OPT2K321 CN4
RX
T05×2-PJS-1000-A
LCVLIO
LCVL
Cart (Front)
Cart (Rear)
CN4K322 OPT1K331 OPT1
RX
OPT2
TX
OPT2K331
-K331
PNF0B4
ILK Board #2
-A06
Power Unit 2
T05×2-PJS-2100-A
N510055185AA
N510048093AA
N610159589AB
N610159590AB
N510040330AA N510055185AA
RING IN
RING OUT
TXD+
TXD-
RXD+
1
4
2
RXD-
EMG
GND
5
3
6
TXD+
TXD-
RXD+
1
4
2
RXD-
EMG
GND
5
3
6
1
2
3
4
P24
G24
P24
1
2
3
G24
4
24V
24GND
24V
1
2
7
24GND
OT220
OT221
8
3
9
OT224
OT225
24VOUT
4
10
5
24VOUT
N.C
N.C
11
6
12
GY/WH
GY
BU/WH
BU
BN/WH
BN
YE/WH
YE
GN/WH
GN
BK/WH
BK
RD/WH
RD
MOLEX
CN11K302
43025-0600
6
3
5
2
4
1
MOLEX
CN8K302
43025-0400
4
3
2
1
MOLEX
LCVLIOK322
43025-1200
12
6
11
5
10
4
9
3
8
7
2
1
MOLEX
CN12K302
43025-0600
6
3
5
2
4
1
MOLEX
LCVLR
5557-04R-210
4
3
2
1
BK/WH
BK
RD/WH
RD
2464-1061/ⅡA(PF) LF 2P×24AWG
EMG_IN
EMG_OUT
RETURN
FAIL IN
2464-1061/ⅡA(PF) LF 7P×24AWG
CN1
1
3
2
4
5
6
8
7
9
10
11
12
13
14
RXD1+
RXD1-
TXD1+
TXD1-
GND
RXD2+
RXD2-
TXD2+
TXD2-
GND
EMGCOM
EMG
24VOUT
24GND
Note1) Connector Pin arrangement is not sequential.
Note1)
Note1)
Note1)
Note1)
MOLEX
CN1K321
43025-1400
14
13
12
11
10
9
7
8
6
5
4
2
3
1
1
1
Panasonic Factory Solutions Co.,Ltd. パナソニック ファクトリーソリューションズ株式会社
Name
Drawing No.
Loc. No.
F4K1020-05A
1
2 3 4 5 6 7 8
A
B
C
D
E
F
1 2 3 4 5 6 7 8
A
B
C
D
E
F
Page. No.
Main Body Wiring : NPM-D3
(Board Wiring)
N610159580+020AB
P020