N7205A106B04[201502] - 第84页
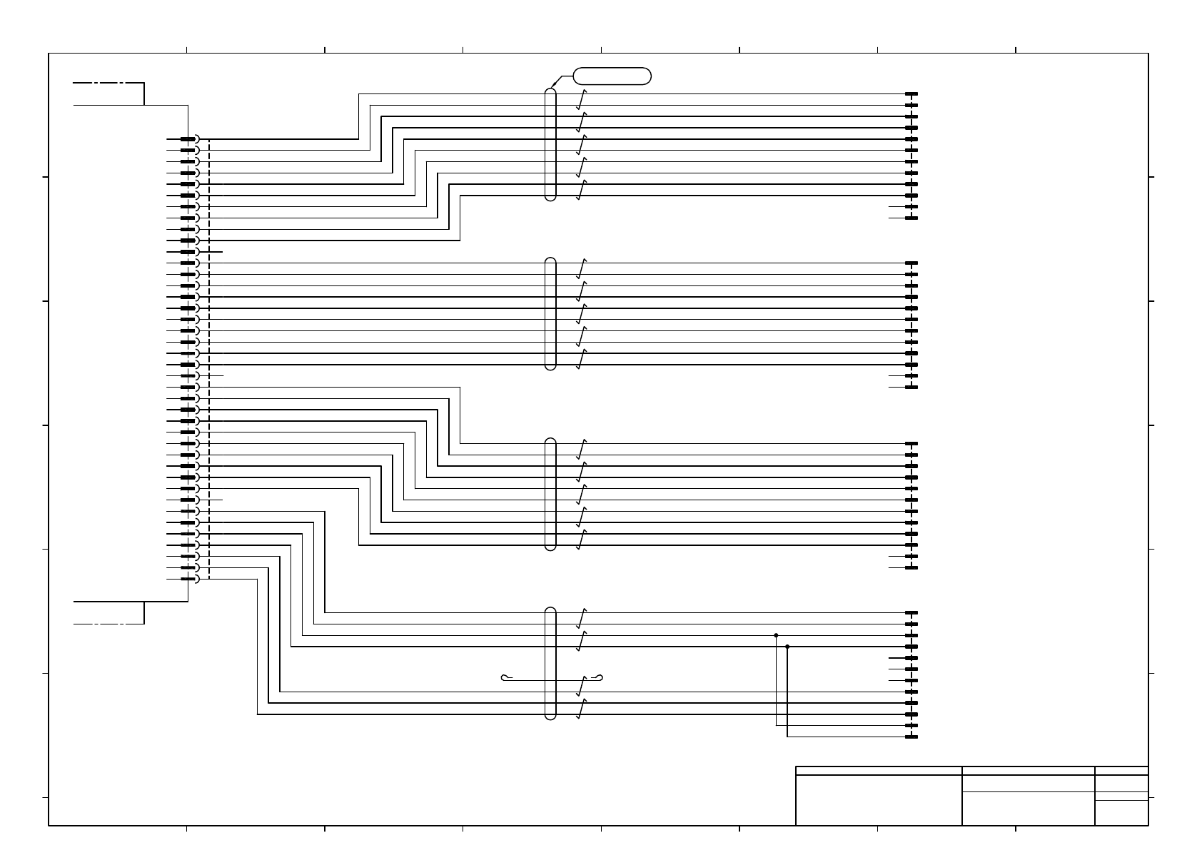
For 1M634R L2 Left Conveyor Motor -K321 PNF0B4 +V24(M) GND(M) +V24(C) GND(C) M-REV03 OT112 M-SPD03 EMG11 D+MAIN D-MAIN GND(C) +V24(M) GND(M) +V24(C) GND(C) S-REV02 OT115 S-SPD02 EMG11 D+SUB D-SUB GND(C) +V24(M) GND(M) +V…

For 1M603R
L1 Right Conveyor Motor
Power Unit 1
-A02
-K321
PNF0B4
ILK Board #1
+V24(M)
GND(M)
+V24(C)
GND(C)
M-REV01
OT110
M-SPD01
EMG10
D+MAIN
D-MAIN
GND(C)
+24V(M)
GND(M)
+24V(C)
GND(C)
M-REV02
OT111
M-SPD02
EMG10
D+MAIN
D-MAIN
GND(C)
+V24(M)
GND(M)
+24V(C)
GND(C)
S-REV01
OT114
S-SPD01
EMG11
D+SUB
D-SUB
GND(C)
+V24(M)
GND(M)
+V24(C)
GND(C)
EMG20
D+MAIN
D-MAIN
CNTM1
1
2
3
4
5
6
7
8
9
11
12
13
14
15
16
17
18
19
10
20
21
22
23
24
25
26
27
28
29
30
31
33
34
35
36
32
36
35
34
33
32
31
30
29
28
27
26
25
24
23
22
21
20
19
18
17
16
15
14
13
12
11
10
9
8
7
6
5
4
JST
CNTM1K321
PUDP-40V-S
3
2
1
40
39
38
37
37
38
39
40
For 1M602R
L1 Mount Position Conveyor Motor
For 1M636R
L2 Right Conveyor Motor
For 1M607R
L1 Width Adjustment Motor, Sensor
+V24(M)
GND(M)
+V24(C)
GND(C)
M-REV01
OT110
M-SPD01
EMG10
D+MAIN
D-MAIN
+24V(M)
GND(M)
+24V(C)
GND(C)
M-REV02
OT111
M-SPD02
EMG10
D+MAIN
D-MAIN
+V24(M)
GND(M)
+24V(C)
GND(C)
S-REV01
OT114
S-SPD01
EMG11
D+SUB
D-SUB
+V24(M)
GND(M)
+V24(C)
GND(C)
EMG20
D+MAIN
D-MAIN
+V24(C)
GND(C)
MOLEX
1M603P
43020-1200
12
6
11
5
10
4
9
3
8
2
7
1
N610159599AB
UL#24 80/300-0.2mm2 BU
UL#24 80/300-0.2mm2 BU
2464-1061/ⅡA(PF) LF 5P×24AWG
BN/WH
BN
YE/WH
YE
GN/WH
GN
BK/WH
BK
RD/WH
RD
2464-1061/ⅡA(PF) LF 5P×24AWG
BN/WH
BN
YE/WH
YE
GN/WH
GN
BK/WH
BK
RD/WH
RD
2464-1061/ⅡA(PF) LF 5P×24AWG
BN/WH
BN
YE/WH
YE
GN/WH
GN
BK/WH
BK
RD/WH
RD
2464-1061/ⅡA(PF) LF 4P×24AWG
YE/WH
YE
GN/WH
GN
BK/WH
BK
RD/WH
RD
MOLEX
1M602P
43020-1200
12
6
11
5
10
4
9
3
8
2
7
1
MOLEX
1M636P
43020-1200
12
6
11
5
10
4
9
3
8
2
7
1
MOLEX
1M607P
43020-1200
12
6
11
5
10
4
9
3
8
2
7
1
Note1) Connector Pin arrangement is not sequential.
Note1)
Note1)
Note1)
Note1)
Panasonic Factory Solutions Co.,Ltd. パナソニック ファクトリーソリューションズ株式会社
Name
Drawing No.
Loc. No.
F4K1020-05A
1
2 3 4 5 6 7 8
A
B
C
D
E
F
1 2 3 4 5 6 7 8
A
B
C
D
E
F
Page. No.
Main Body Wiring : NPM-D3
(Conveyor I/F 1)
N610159580+034AC
P034
1
2
2
2
2

For 1M634R
L2 Left Conveyor Motor
-K321
PNF0B4
+V24(M)
GND(M)
+V24(C)
GND(C)
M-REV03
OT112
M-SPD03
EMG11
D+MAIN
D-MAIN
GND(C)
+V24(M)
GND(M)
+V24(C)
GND(C)
S-REV02
OT115
S-SPD02
EMG11
D+SUB
D-SUB
GND(C)
+V24(M)
GND(M)
+V24(C)
GND(C)
S-REV03
OT116
S-SPD03
EMG11
D+SUB
D-SUB
GND(C)
+V24(M)
GND(M)
+V24(C)
GND(C)
EMG20
D+SUB
D-SUB
CNTM2
1
2
3
4
5
6
7
8
9
11
12
13
14
15
16
17
18
19
Power Unit 1
-A02
10
20
ILK Board #1
21
22
23
24
25
26
27
28
29
31
32
33
34
35
36
37
38
39
30
40
For 1M601R
L1 Left Conveyor Motor
For 1M635R
L2 Mount Position Conveyor Motor
N610159600AB
1
2
3
JST
CNTM2K321
PUDP-40V-S
4
5
6
7
8
9
10
11
12
13
14
15
16
17
18
19
20
21
22
23
24
25
26
27
28
29
30
31
32
33
34
35
36
37
38
39
40
For 1M638R
L2 Width Adjustment Motor, Sensor
+V24(M)
GND(M)
+V24(C)
GND(C)
M-REV03
OT112
M-SPD03
EMG11
D+MAIN
D-MAIN
+V24(M)
GND(M)
+V24(C)
GND(C)
S-REV02
OT115
S-SPD02
EMG11
D+SUB
D-SUB
+V24(M)
GND(M)
+V24(C)
GND(C)
S-REV03
OT116
S-SPD03
EMG11
D+SUB
D-SUB
GND(C)
+V24(M)
GND(M)
+V24(C)
GND(C)
EMG20
D+SUB
D-SUB
+24V(C)
GND(C)
MOLEX
1M601P
43020-1200
12
6
11
5
10
4
9
3
8
2
7
1
UL#24 80/300-0.2mm2 BU
UL#24 80/300-0.2mm2 BU
2464-1061/ⅡA(PF) LF 5P×24AWG
BN/WH
BN
YE/WH
YE
GN/WH
GN
BK/WH
BK
RD/WH
RD
2464-1061/ⅡA(PF) LF 5P×24AWG
BN/WH
BN
YE/WH
YE
GN/WH
GN
BK/WH
BK
RD/WH
RD
BN/WH
BN
YE/WH
YE
GN/WH
GN
BK/WH
BK
RD/WH
RD
2464-1061/ⅡA(PF) LF 4P×24AWG
YE/WH
YE
GN/WH
GN
BK/WH
BK
RD/WH
RD
MOLEX
1M635P
43020-1200
12
6
11
5
10
4
9
3
8
2
7
1
MOLEX
1M634P
43020-1200
12
6
11
5
10
4
9
3
8
2
7
1
MOLEX
1M638P
43020-1200
12
6
11
5
10
4
9
3
8
2
7
1
BU/WH
BU
2464-1061/ⅡA(PF) LF 6P×24AWG
Note1) Connector Pin arrangement is not sequential.
Note1)
Note1)
Note1)
Note1)
Panasonic Factory Solutions Co.,Ltd. パナソニック ファクトリーソリューションズ株式会社
Name
Drawing No.
Loc. No.
F4K1020-05A
1
2 3 4 5 6 7 8
A
B
C
D
E
F
1 2 3 4 5 6 7 8
A
B
C
D
E
F
Page. No.
Main Body Wiring : NPM-D3
(Conveyor I/F 2)
N610159580+035AC
P035
1
2
2
2
2

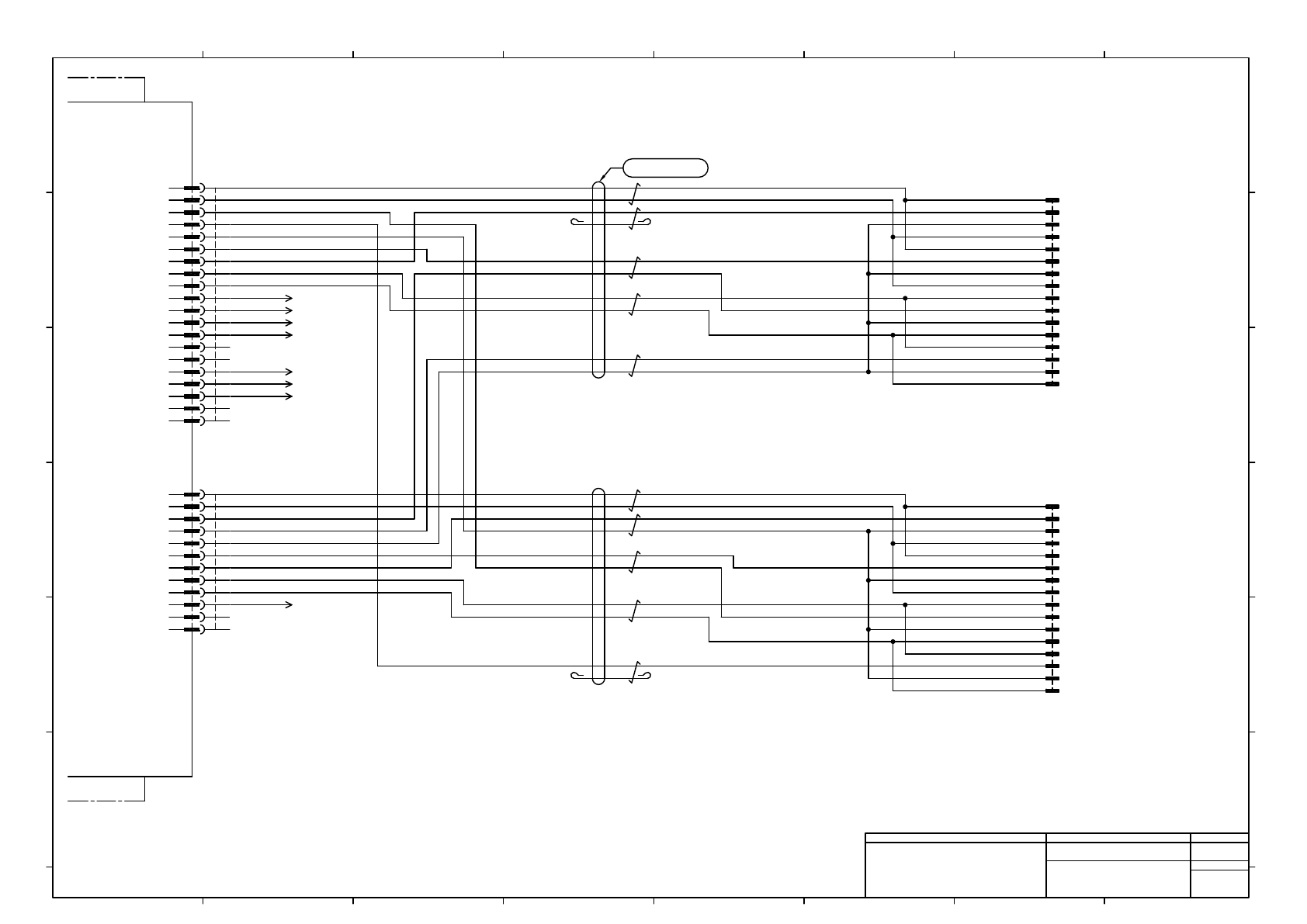
-K321
PNF0B4
Power Unit 1
-A02
ILK Board #1
CNTL
1
2
3
4
5
6
7
8
9
10
11
12
13
14
15
16
17
18
19
20
20
19
18
17
16
15
14
13
12
11
10
9
8
7
6
5
4
JST
CNTLK321
PUDP-20V-S
3
2
1
24VOUT
24GND
IN124
IN117
OT101
IN113
IN136
24VOUT
24GND
IN126
OT103
IN127
IN125
24VOUT
24GND
IN132
OT105
IN133
24VOUT
24GND
MOLEX
B1115P
43020-1600
16
15
14
13
12
11
10
9
8
7
6
5
4
3
2
1
MOLEX
B1117P
43020-1600
16
15
14
13
12
11
10
9
8
7
6
5
4
3
2
1
IN134
24VOUT
24GND
IN120
7
8
9
10
CNTR1
1
2
3
4
5
6
24VOUT
24GND
IN122
IN115
OT100
IN112
11
12
24VOUT
24GND
12
11
10
9
8
7
6
5
4
MOLEX
CNTR1K321
43025-1200
3
2
1
BK/WH
BK
RD/WH
RD
GN/WH
GN
YE/WH
YE
BU UL#24 80/300-0.2mm2
BU UL#24 80/300-0.2mm2
BU UL#24 80/300-0.2mm2
BU UL#24 80/300-0.2mm2
BU UL#24 80/300-0.2mm2
BU UL#24 80/300-0.2mm2
BU
UL#24 80/300-0.2mm2 BN/WH
BN
BK/WH
BK
RD/WH
RD
GN/WH
GN
YE/WH
YE
BN/WH
BN
2464-1061/ⅡA(PF) LF 5P×24AWG
BU UL#24 80/300-0.2mm2
BU UL#24 80/300-0.2mm2
BU UL#24 80/300-0.2mm2
BU UL#24 80/300-0.2mm2
BU UL#24 80/300-0.2mm2
BU UL#24 80/300-0.2mm2
BU UL#24 80/300-0.2mm2
N610159601AB
IN126
P037-4B
OT103
P037-4C
IN127
P037-4C
IN125
P037-4D
IN132
P037-4E
OT105
P037-4D
IN133
P037-4D
IN120
P037-4B
2464-1061/ⅡA(PF) LF 5P×24AWG
Panasonic Factory Solutions Co.,Ltd. パナソニック ファクトリーソリューションズ株式会社
Name
Drawing No.
Loc. No.
F4K1020-05A
1
2 3 4 5 6 7 8
A
B
C
D
E
F
1 2 3 4 5 6 7 8
A
B
C
D
E
F
Page. No.
Main Body Wiring : NPM-D3
(Conveyor I/F 3)
N610159580+036AC
P036
1
For B1115R
L1 Conveyor Sensor
2
For B1117R
L2 Conveyor Sensor
2