03229208-01-01 All Purpose Clamping (APC) Manual DEPDFA - 第109页
All Purpose Clamps (APC) Manual 1 220329 Issue 2 Circuit Diagram OTS 2 Syste m NDC 02 5 4 3 2 1 A B C C B A 123 45 67 8 91 0 11 12 13 6 7 8 9 10 11 12 13 D E F G H I D E F G H I 0 OTS 2 A OF SH. TITLE DRAWING NUMBER DATE…

4 A3 ZEICHNUNGEN
4.1 ELEKTROTECHNISCHE ZEICHNUNGEN
108 EIGENSTÄNDIGES HANDBUCH UNIVERSALKLEMMEN (APC) 12/2019

All Purpose Clamps (APC) Manual 1
220329 Issue 2 Circuit Diagram OTS 2 System
NDC
02
54321
A
B
C
C
B
A
12345
67
8
910
11 12
13
6
7
8
9
10 11
12
13
D
E
F
G
H
I
D
E
F
G
H
I
0
OTS 2
A
OF
SH.
TITLE
DRAWING NUMBER
DATE INITIALDCR
LATEST
ISSUE
No.
06/01/2016
220329
1
1
DRW^CIRCUIT DIAGRAM^
43791
OTS SOLENOID BANK
8SOL10
MIDDLE PLATE UP
8SOL11
MIDDLE PLATE DOWN
01
14
02
15
PART N5PL06
322
323
324
325
PART 8SK22
01
03
05
07
DIG OUT 0
DIG OUT 1
DIG OUT 2
DIG OUT 3
199237
PART I/O NODE 5
PT No. 200660
CCT DIAGRAM 198772
01
07
01 01
02
02
02 02
03
03
03 03
04 04 04
05 05 05
06 06 06
035
035
035
035 035
015
015
015
015 015
045
045
045
045 045
055
055
055 055 055
023023 023 023
032032 032 032
0V RETURN
+24V US
+24V SW
0V RETURN
+12V
0 RETURN
M37PL07
M37PL07 N5PL1
M37SK07
M37SK07A N5SK1
07
02
03
CAN_L
CAN_H
CAN GND
PART N5PL2PART N5SK2
PART N5PL3PART N5SK3
185165
400
401
402
07
07
02
02
03
03
CAN_L
CAN_H
CAN GND
400
401
402
(OR 185568 IF
SCREEN CLEANER
OPTION IS FITTED)
8SOL12
OVERTOP PLATE EXTEND
8SOL13
OVERTOP PLATE RETRACT
8SOL14
BRAKE
8SOL15
SNUG
03
16
13
326
327
035
09
11
12
DIG OUT 4
DIG OUT 5
0V
SNUGGING PRESSURE
REGULATOR
PT No. 171369
01
02
03
04
015
318
035
711
8SK222 8PL222
+24V
PRESSURE DEMAND INPUT
0V
PRESSURE MONITOR OUTPUT
CLAMP PRESSURE
REGULATOR
PT No. 171369
01
02
03
04
015
319
035
712
8SK223 8PL223
+24V
PRESSURE DEMAND INPUT
0V
PRESSURE MONITOR OUTPUT
01
01
08
02
02
06
03
03
01
04 01
0104
04
+12V
+12V
+24V US
DIG IN 6
DIG IN 4
ANALOGUE OUT0
0V
0V
0V
05 02
0205
03
06 03
0306
09
07
02
0V
0V
+24V US
ANALOGUE OUT1
0V
05
N/C
N/C
015
N/C
N/C
318
N/C
N/C
035
023
023
711
035
035
015
319
035
712
317
315
N/C
199243
+12V
+12V
ADC IN0
ADC IN1
322
023
324
325
326
327
035
DIG IN 7
DIG IN 5
0V
N5PL08
8PL236
8PL235
N5PL07
N5PL10
PART N5SK06
N5SK08
8SK236
8SK235
N5SK07
N5SK10
023
023
023
023
023
023
317
317
317
315 315315
035 035035
035
035
035
+12V
+12V
8SE100
TOP PLATE RETRACT REAR
8SE98
TOP PLATE RETRACT FRONT
0V
0V
INDUCTIVE
PROXIMITY
SWITCH NC
INDUCTIVE
PROXIMITY
SWITCH NC
SIG
SIG
PART POWER SUPPLY ENCLOSURE
PT No. 185309
CCT DIAGRAM 185233
PART OTS2 MOVING RAIL MOTOR
NODE 20
PT No. 220372
01
01
02
BN 055
GN 015
WH 045
N20SK02 - P1
02
07
03
PART
N20SK01
CAN H
CAN L
CAN GND
+24V US (AUX PWR CON P2B BLUE)
+24V SW
0V RETURN
(PWR CON P1 GREEN)
PART
N20PL02 - P2B
N20PL02 - P1
PART
N20PL01 (P3)
M
401
400
402
400
402
401
N CAMP
02/09/2015
07
07
02
02
03
03
PART N9PL4
PART N9SK4A
PART N2SK3
400
400
400
401
401
401
402
402
402
(GEMINI OPTION ONLY)
220512
223322
(GEMINI OPTION ONLY)
220344
220341
200488
CAN OUT
CAN IN
FROM NODE 2
NTS
DRAWN
DATE
DRAWING SCALE
DO NOT SCALE
ORIGINAL SCALE
(PLOT)
(CAD) 1:1
THIS DRAWING AND THE COPYRIGHT
IN IT, IS THE PROPERTY OF ASM
ASSEMBLY SYSTEMS SWITZERLAND
GmbH, IT MAY NOT BE COPIED,
REPRODUCED, PUBLISHED OR
DISCLOSED IN WHOLE OR IN PART
WITHOUT OUR WRITTEN CONSENT.
COPYRIGHT © BY ASM ASSEMBLY SYSTEMS
SWITZERLAND GmbH
0V RETURN
+24V US
+24V SW
0V RETURN
+12V
0 RETURN
220336
220327
220363
220361
07
02
03
PART N5SK3
PART N2PL3B
400
400
401
401
402
402
PART
N20SK02 - P2B

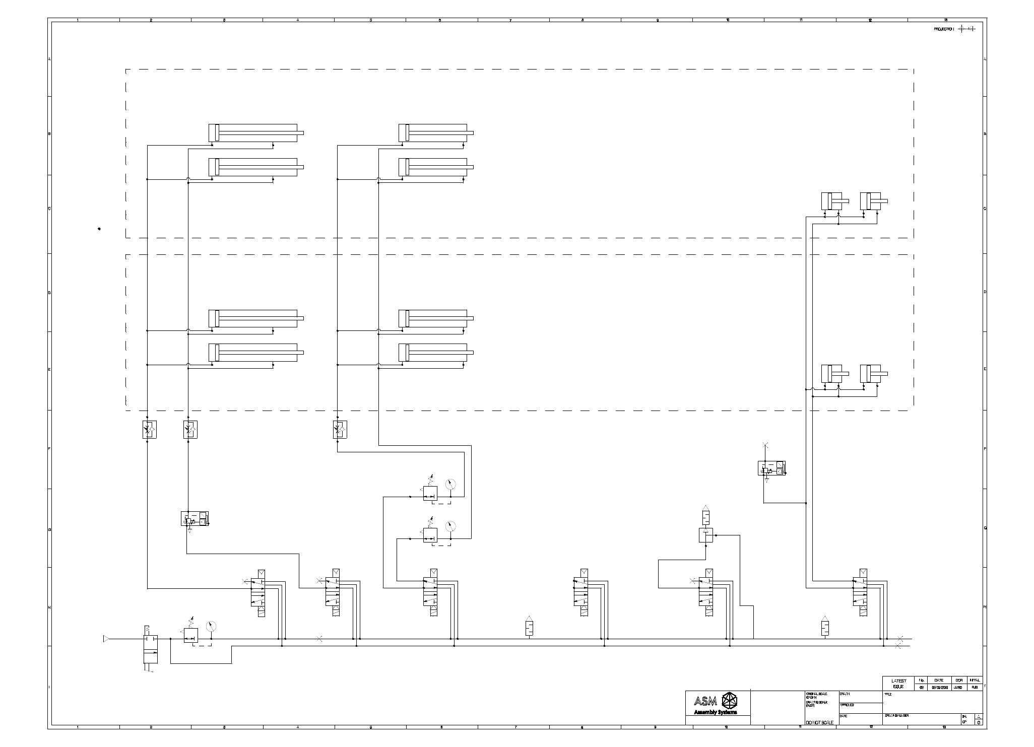
2 All Purpose Clamps (APC) Manual
222966 Issue 1 Pneumatic Circuit Diagram APC
NTS
1
222966
RICHARD BELL
27/04/2016
DWG^^APC^PNEUMATIC DIAGRAM
BALANCE VALVE
FROM 188794
SHEET 1
LOCATION E2
VALVE 1
1
1
2
2
3
4
5
MID PLATE UP
VALVE 2
2
MID PLATE DOWN
VALVE 3
OVER TOP CLAMP
VALVE 4
2
VALVE 5
2
VACUUM
VALVE 6
2
BRAKE
EXTEND / RETRACT
12
3
CLAMP PRESSURE
2
1
2
1
1
2
3
4
5
2A
12
3
12
3
2
1
3A
3B
VACUUM GENERATOR
FRONT CLAMP
REAR CLAMP
MID PLATE CYLINDER
OVERTOP CYLINDER
MID PLATE CYLINDER
OVERTOP CYLINDER
Z-CLAMPS
2
1
2
3
4
5
1
2
3
4
5
1
2
3
4
5
1
2
3
4
5
1
2
p
=
2A
1A
3A
3B
6A
THIS DRAWING AND THE COPYRIGHT
IN IT, IS THE PROPERTY OF ASM
ASSEMBLY SYSTEMS SWITZERLAND
GmbH, IT MAY NOT BE COPIED,
REPRODUCED, PUBLISHED OR
DISCLOSED IN WHOLE OR IN PART
WITHOUT OUR WRITTEN CONSENT.
COPYRIGHT © BY ASM ASSEMBLY SYSTEMS
SWITZERLAND GmbH
3B
3A
3B
3A
3B
3A
6A
6A
Z-CLAMPS
2A
1A
2A
1A
2A
1A
1A
BLUE TUBE
BLUE TUBE
BLACK
TUBE
RED
TUBE
RED
TUBE
ITV 2
1
2
p
=
7B
BLACK
TUBE
7B
7B