M4serviceManual_e - 第21页
1 Installation 1-13 Sequence of Receiving PC board (Standard spec.) ① When the m achine is ready to receive PC board, Permit Transfer (Machine Not Ready) is sent to Pre-process machine. ② The transfer belt will be activa…

1 Installation
1-12
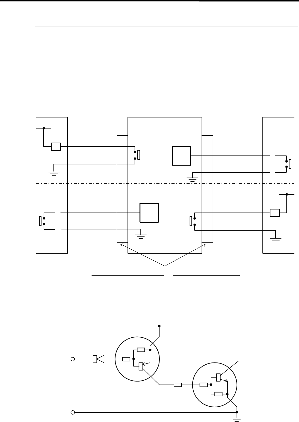
Pre-Process and Post-Process of Machine
Connecting Pre-Process and Post-Process
When using other manufacturer’s machines as the pre-process or post-process, connect them as shown in
the below diagram. No-voltage output (relay) is recommended for post-process.
Standard spec. : Upper half of the diagram.
SMEMA Interface spec. : Whole diagram.
*INPUT CIRCUIT
*INPUT CIRCUIT
2
1
CN2 CN1
Post-process
Connector (Cable side)
AMP
206044-1(plug)
66099-2 or equivalent (pin)
206070-1(cable clamp)
Connector (Mounter side)
AMP
206043-1(receptacle)
MounterPre-process
BOARD
AVAILABLE
BOARD
AVAILABLE
MACHINE
NOT READY
2.2K Ω
10K Ω
10K Ω
10K Ω
10K Ω
COM
Input
terminal
*INPUT CIRCUIT
+5V
30VDC 1A or less
100VAC 0.5A or less
RELAY
RELAY
MACHINE
NOT READY
3
4
2
1
3
4

1 Installation
1-13
Sequence of Receiving PC board (Standard spec.)
① When the machine is ready to receive PC board, Permit Transfer (Machine Not Ready) is sent to
Pre-process machine.
② The transfer belt will be activated when the Permit Transfer and the Entrance Sensor turn on.
③ The Permit Transfer will be sent-off when Entrance Sensor turns on.
④ The transfer belt will be deactivated when the Arrival Sensor turns on.
⑤ “Conveyor Trouble” error happens if the Arrival Sensor does not turn on or the Entrance Sensor does
not turn off within 10 seconds after the transfer belt was activated.
⑥ Pressing START button restarts the operation paused by the error.

1 Installation
1-14
Sequence of Sending PC board (Standard sepc.)
① The transfer belt will be activated when the machine is ready to send PC board and the Permit Transfer
(Machine Not Ready) is received from Post-process machine.
② The transfer belt will be deactivated when the Exit Sensor turns off after the sensor turns on at the PC
board arrival and it passed under the sensor.
③ “Conveyor Trouble” error happens if the Exit Sensor does not turn on or the sensor does not turn off
from turning on within 10 seconds after the transfer belt was activated.
④ Pressing START button restarts the operation paused by the error.