M4serviceManual_e - 第86页
5 Materials 5-12 Layout of Electrical Parts

5 Materials
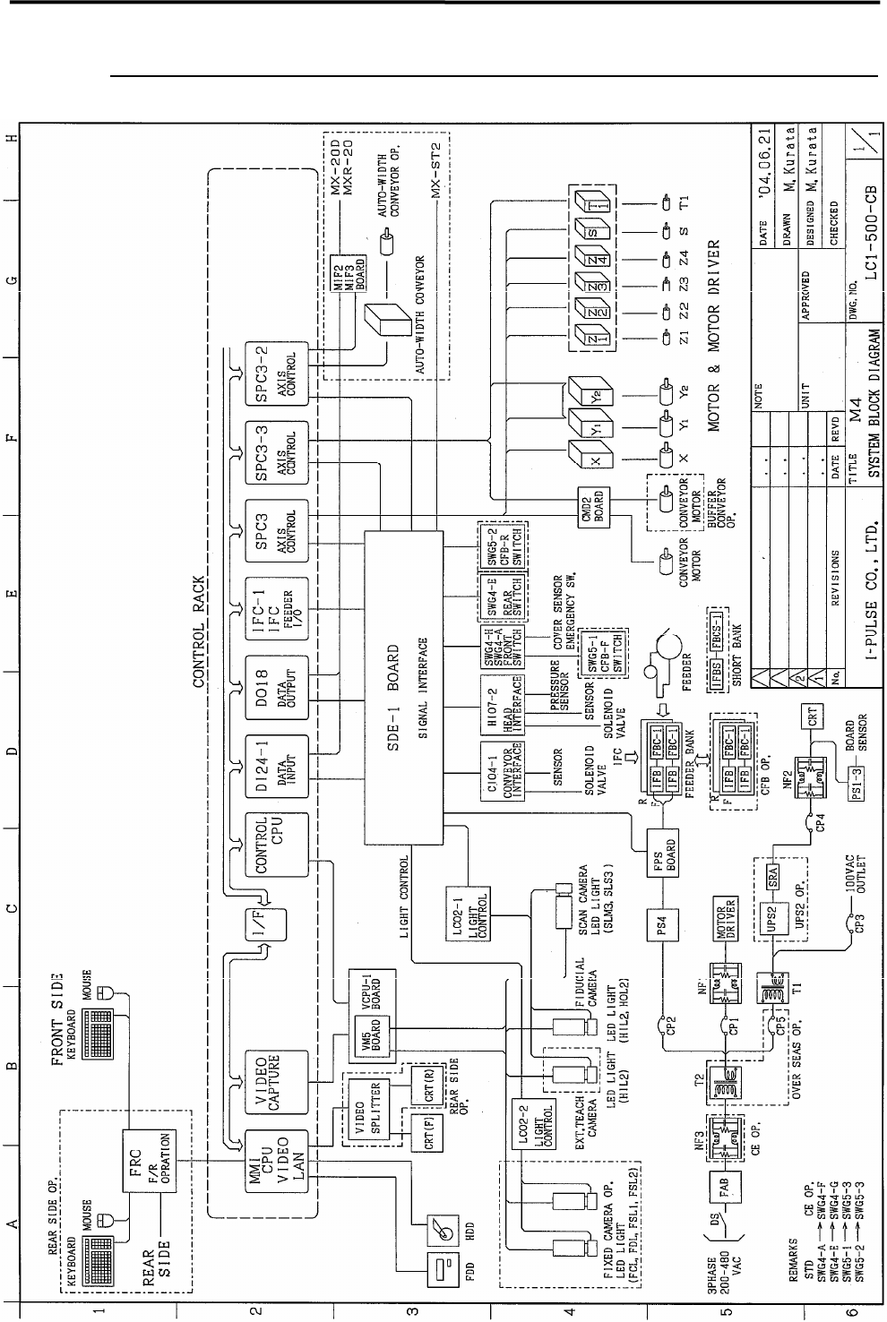
5-11
System Block Diagram

5 Materials
5-12
Layout of Electrical Parts

5 Materials
5-13
M4a: CPU BOX ASSY.
BOARD, SDE-5 LG0-M40HG-50X
1: BOARD, V. CAP. ASSY. LG0-M40J4-00X
2: MMI CPU BOARD ASSY LC1-M40H5-00X
3: PANEL, USB LC1-M40H4-00X
4: ---
5: MT CPU BOARD ASSY LC0-M40H0-00X
6: BOARD, DI24-1 LG0-M40HC-01X
7: BOARD, DO18 LG0-M40HD-00X
8: BOARD, IFC-1 LC1-M40H0-10X
9: BOARD, SPC3 LC1-M40HF-00X
10: BOARD, SPC3-4 LC1-M40HF-40X
11: BOARD, SPC3-2 LC1-M40HF-20X
12: BOARD, KPX-2 LG0-M40HU-20X