E53C-E-WDBA-0002-A4.pdf - 第120页

1. = MEMO = E53C-E-W DB0A-A 01-00

100%1 / 274
1.
= MEMO =
E53C-E-WDB0A-A01-00
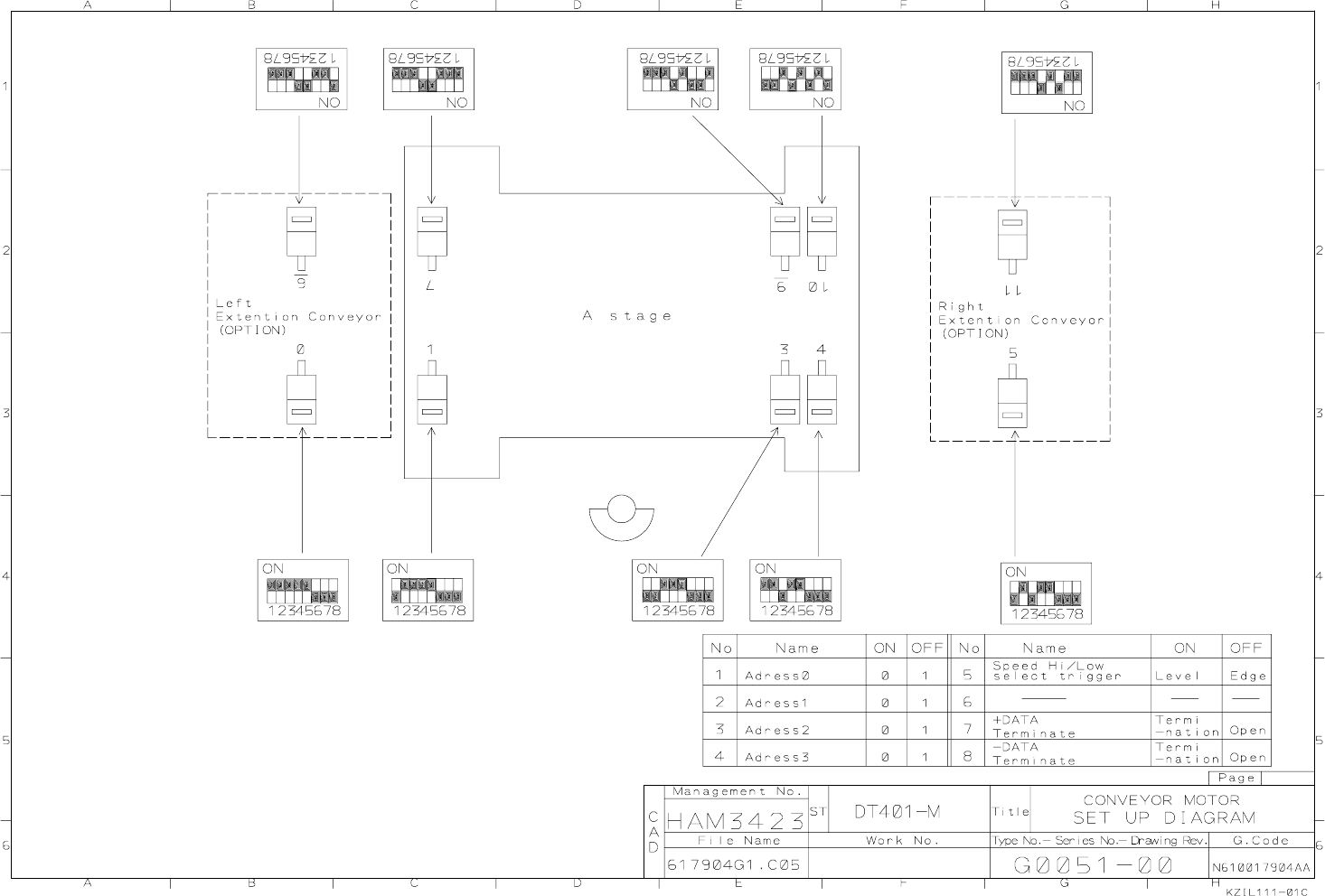
3. JUMPER CONFIGURATION
DIAGRAM
3-2 DT40S-20 (SET UP DIAGRAM)
E53C-E-WDB0A-A00-00