文档中心
/
E53C-E-WDBA-0002-A4.pdf
E53C-E-WDBA-0002-A4.pdf - 第158页
在线预览 E53C-E-WDBA-0002-A4.pdf PDF 文档。
目录
100%
显示:宽度
宽度
1 / 274
回到旧版
旧版
?
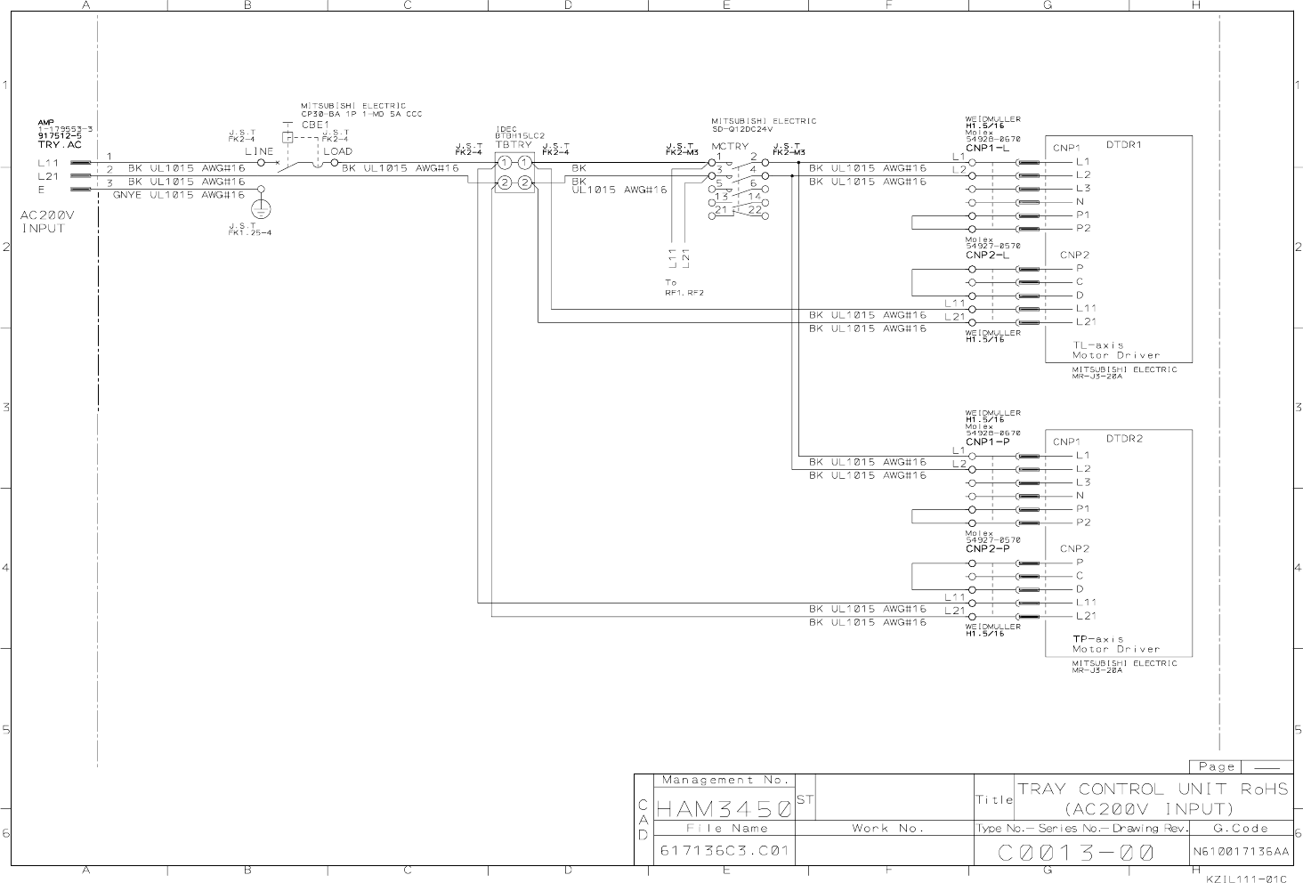
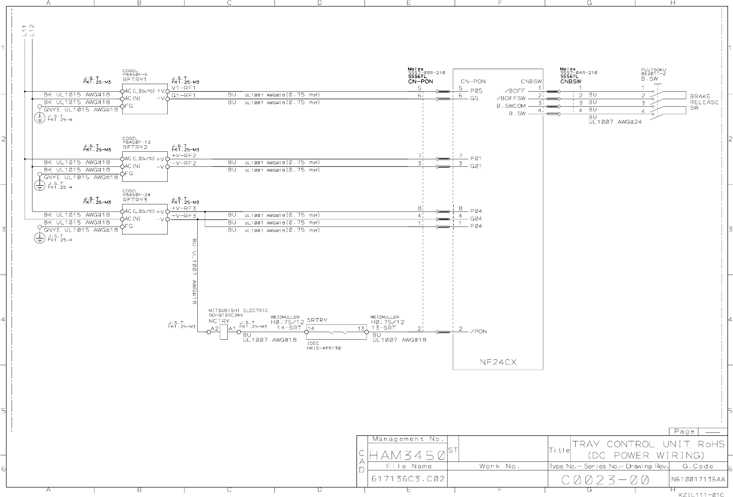
4. OPTION
4-6 TRAY POWER BOX DIA
GR
AM
E53C-E-W
DB0A-A
00-00
该页面需要启用 JavaScript 才能进行交互式预览。