E53C-E-WDBA-0002-A4.pdf - 第186页
在线预览 E53C-E-WDBA-0002-A4.pdf PDF 文档。

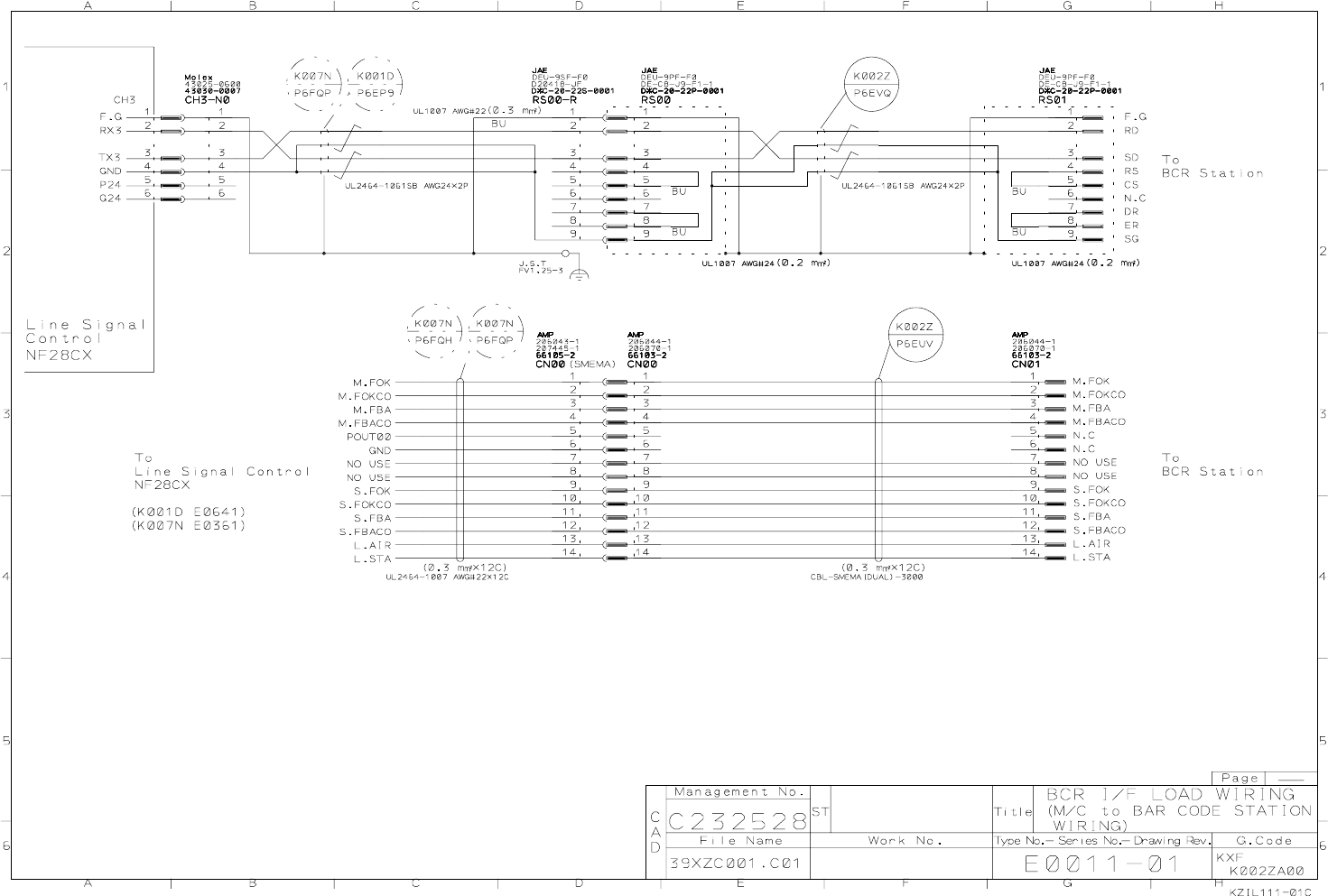
4. OPTION
4-12 BCR (BAR CODE READER STATION)
I/F LOAD WIRING DIAGRAM
E53C-E-WDB0A-A00-00


4. OPTION
4-13 BYPASS I/F LOAD WIRING DIAGRAM
E53C-E-WDB0A-A00-00
在线预览 E53C-E-WDBA-0002-A4.pdf PDF 文档。


