文档中心
/
E53C-E-WDBA-0002-A4.pdf
E53C-E-WDBA-0002-A4.pdf - 第187页
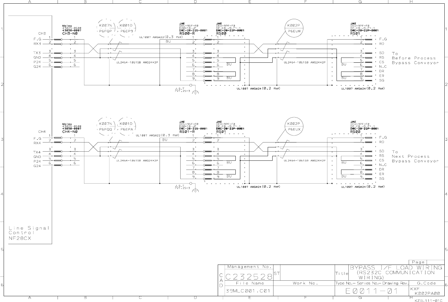
4. OPTION 4-13 BYPASS I/F LOA D WIRING DI A G RAM E53C-E-W DB0A-A 00-00
目录
100%
显示:宽度
宽度
1 / 274
回到旧版
旧版
?
4. OPTION
4-13 BYPASS I/F LOA
D WIRING DI
A
G
RAM
E53C-E-W
DB0A-A
00-00
该页面需要启用 JavaScript 才能进行交互式预览。