E53C-E-WDBA-0002-A4.pdf - 第235页
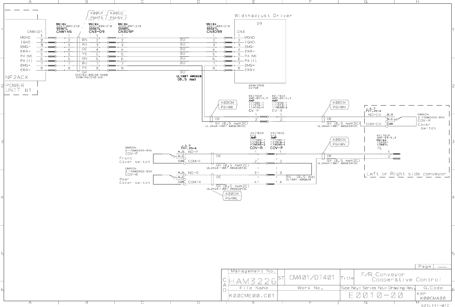
4. OPTION 4-22 POWER/SIGNAL for FA -COMP A NY CONVEYOR E53C-E-W DB0A-A 00-00


4. OPTION
4-22 POWER/SIGNAL for FA-COMPANY CONVEYOR
E53C-E-WDB0A-A00-00

4. OPTION 4-22 POWER/SIGNAL for FA -COMP A NY CONVEYOR E53C-E-W DB0A-A 00-00


