E53C-E-WDBA-0002-A4.pdf - 第239页

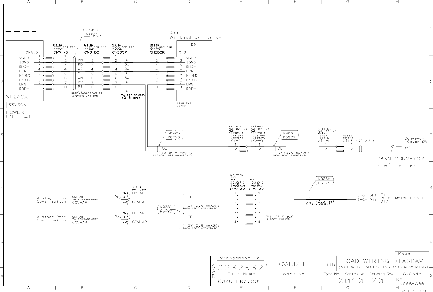
4. OPTION 4-23 F A -COMP A NY LEFT CONVEYOR E53C-E-W DB0A-A 00-00

100%1 / 274
1.
= MEMO =
E53C-E-WDB0A-A01-00
4. OPTION
4-23 FA-COMPANY LEFT CONVEYOR
E53C-E-WDB0A-A00-00