RL132参考手册 - 第74页
RL132 参考手册 2.7 插入条件 DA9RCC-12-180-A0 2.7-1 1 N 折弯 引线折弯角度为 45° 时 如下图所示,由于砧台 ( 用来将引线切断、折弯的装置 ) ,在基板下面存在着死区。 根据离基板下的高度位置,其范围各 不相同。 另外,元件的相邻条件,根据元件的 插入顺序和引线的折弯角度如下 分类。 从基板上面看的砧台死区 基板下 1 mm 基板下 2 mm 基板下 7 mm 右图是 X 方向 (90 …

RL132
参考手册
2.7 插入条件
DA9RCC-12-180-A0
2.7-10
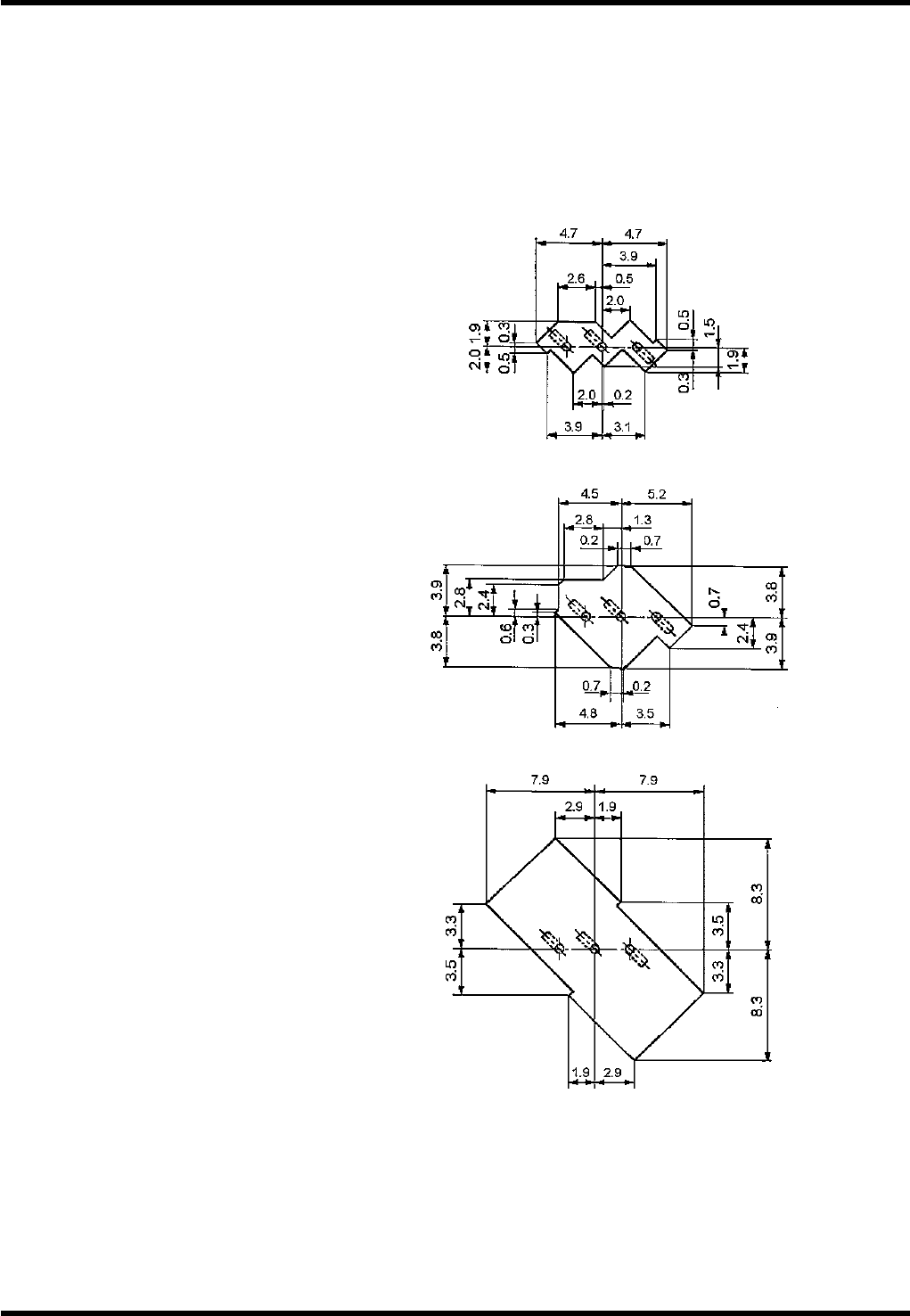
N 扭曲 10 mm 间距规格 引脚线弯曲角度 35 °时 的情况
从基板上方看到的铁砧死区
基板下 1 mm
单位: mm
基板下 2 mm
基板下 7 mm
※上图表示 90 °插入时的情况。
0 °、180 °、-90 °插入时,请各自旋转进行参照。
※元件的邻接条件,请另外咨询。

RL132
参考手册
2.7 插入条件
DA9RCC-12-180-A0
2.7-11
N折弯 引线折弯角度为 45°时
如下图所示,由于砧台 (用来将引线切断、折弯的装置) ,在基板下面存在着死区。
根据离基板下的高度位置,其范围各不相同。
另外,元件的相邻条件,根据元件的插入顺序和引线的折弯角度如下分类。
从基板上面看的砧台死区
基板下 1 mm
基板下 2 mm
基板下 7 mm
右图是 X 方向 (90°) 插入时的图。
0°、180°、-90°插入时,请按各个角度旋转之后进行参照。
机器前面
机器前面
机器前面

RL132
参考手册
2.7 插入条件
DA9RCC-12-180-A0
2.7-12
元件相邻条件
2.
1.
表内的数字表示 P 尺寸。 单位:mm
b 元件
插入顺序
a ⇒ b
2.5p
90°插入
2.5p
-90°插入
5.0p (2 个引线)
90°, -90°插入
5.0p (3 个引线)
90°, -90°插入
2.5p 90°插入
5.5 3 3 3
2.5p -90°插入
5.5 3 3 3
5.0p (2 个引线) 90°, -90°插入
5.5 3 3 3
a
元
件
5.0p (3 个引线) 90°, -90°插入
5.5 3 3 3
b 元件
插入顺序
b ⇒ a
2.5p
90°插入
2.5p
-90°插入
5.0p (2 个引线)
90°, -90°插入
5.0p (3 个引线)
90°, -90°插入
2.5p 90°插入
3 3 3 3
2.5p -90°插入
5.5 5.5 5.5 5.5
5.0p (2 个引线) 90°, -90°插入
3 3 3 3
a
元
件
5.0p (3 个引线) 90°, -90°插入
3 3 3 3
2.
b 元件
插入元件
a ⇒ b
2.5p
90°插入
2.5p
-90°插入
5.0p (2 个引线)
90°, -90°插入
5.0p (3 个引线)
90°, -90°插入
2.5p 90°插入
2.5 2.5 3.5 3.5
2.5p -90°插入
2.5 2.5 3.5 3.5
5.0p (2 个引线) 90°, -90°插入
3.5 2.5 2.5 2.5
a
元
件
5.0p (3 个引线) 90°, -90°插入
3.5 3.5 2.5 2.5
b 元件
插入顺序
b ⇒ a
2.5p
90°插入
2.5p
-90°插入
5.0p (2 个引线)
90°, -90°插入
5.0p (3 个引线)
90°, -90°插入
2.5p 90°插入
2.5 2.5 2.5 3.5
2.5p -90°插入
2.5 2.5 3.5 3.5
5.0p (2 个引线) 90°, -90°插入
3.5 3.5 2.5 2.5
a
元
件
5.0p (3 个引线) 90°, -90°插入
3.5 3.5 2.5 2.5