RL132参考手册 - 第78页
RL132 参考手册 2.7 插入条件 DA9RCC-12-180-A0 2.7-15 7. 表内数字表示 P 尺寸 。 单位 :mm b 元件 插入顺序 a ⇒ b 2.5p 0° 插入 2.5p 180° 插入 5.0p (2 个引线 ) 0°, 180° 插入 5.0p (3 个引线 ) 0°, 180° 插入 2.5p 90° 插入 3.5 3.5 3.5 3.5 2.5p -90° 插入 3.5 3.5 3.5 3.5 5.0…

RL132
参考手册
2.7 插入条件
DA9RCC-12-180-A0
2.7-14
5.
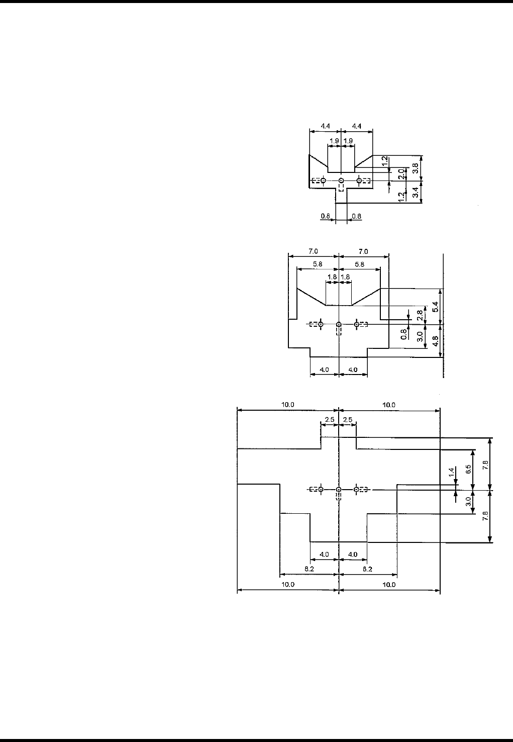
表内的数字表示 P 尺寸。 单位:mm
b 元件
插入顺序
a ⇒ b
2.5p
0°插入
2.5p
180°插入
5.0p (2 个引线)
0°, 180°插入
5.0p (3 个引线)
0°, 180°插入
2.5p 90°插入
2.5 3.5 3.5 3.5
2.5p -90°插入
2.5 3.5 3.5 3.5
5.0p (2 个引线) 90°, -90°插入
2.5 3.5 3.5 3.5
a
元
件
5.0p (3 个引线) 90°, -90°插入
2.5 3.5 3.5 3.5
b 元件
插入顺序
b ⇒ a
2.5p
0°插入
2.5p
180°插入
5.0p (2 个引线)
0°, 180°插入
5.0p (3 个引线)
0°, 180°插入
2.5p 90°插入
3 3 3 3
2.5p -90°插入
5.5 5.5 5.5 5.5
5.0p (2 个引线) 90°, -90°插入
3 3 3 3
a
元
件
5.0p (3 个引线) 90°, -90°插入
3 3 3 3
6.
b 元件
插入顺序
a ⇒ b
2.5p
90°插入
2.5p
-90°插入
5.0p (2 个引线)
90°, -90°插入
5.0p (3 个引线)
90°, -90°插入
2.5p 0°插入
5.5 3 3 3
2.5p 180°插入
5.5 3 3 3
5.0p (2 个引线) 0°, 180°插入
5.5 3 3 3
a
元
件
5.0p (3 个引线) 0°, 180°插入
5.5 3 3 3
b 元件
插入顺序
b ⇒ a
2.5p
90°插入
2.5p
-90°插入
5.0p (2 个引线)
90°, -90°插入
5.0p (3 个引线)
90°, -90°插入
2.5p 0°插入
3.5 3.5 3.5 3.5
2.5p 180°插入
2.5 2.5 2.5 2.5
5.0p (2 个引线) 0°, 180°插入
3.5 3.5 3.5 3.5
a
元
件
5.0p (3 个引线) 0°, 180°插入
3.5 3.5 3.5 3.5

RL132
参考手册
2.7 插入条件
DA9RCC-12-180-A0
2.7-15
7.
表内数字表示 P 尺寸。 单位:mm
b 元件
插入顺序
a ⇒ b
2.5p
0°插入
2.5p
180°插入
5.0p (2 个引线)
0°, 180°插入
5.0p (3 个引线)
0°, 180°插入
2.5p 90°插入
3.5 3.5 3.5 3.5
2.5p -90°插入
3.5 3.5 3.5 3.5
5.0p (2 个引线) 90°, -90°插入
3.5 3.5 3.5 3.5
a
元
件
5.0p (3 个引线) 90°, -90°插入
3.5 3.5 3.5 3.5
b 元件
插入顺序
b ⇒ a
2.5p
0°插入
2.5p
180°插入
5.0p (2 个引线)
0°, 180°插入
5.0p (3 个引线)
0°, 180°插入
2.5p 90°插入
3.5 3.5 3.5 3.5
2.5p -90°插入
6 6 6 6
5.0p (2 个引线) 90°, -90°插入
3.5 3.5 3.5 3.5
a
元
件
5.0p (3 个引线) 90°, -90°插入
3.5 3.5 3.5 3.5
8.
b 元件
插入顺序
a ⇒ b
2.5p
90°插入
2.5p
-90°插入
5.0p (2 个引线)
90°, -90°插入
5.0p (3 个引线)
90°, -90°插入
2.5p 0°插入
6 3.5 3.5 3.5
2.5p 180°插入
6 3.5 3.5 3.5
5.0p (2 个引线) 0°, 180°插入
6 3.5 3.5 3.5
a
元
件
5.0p (3 个引线) 0°, 180°插入
6 3.5 3.5 3.5
b 元件
插入顺序
b ⇒ a
2.5p
90°插入
2.5p
-90°插入
5.0p (2 个元件)
90°, -90°插入
5.0p (3 个元件)
90°, -90°插入
2.5p 0°插入
3.5 3.5 3.5 3.5
2.5p 180°插入
3.5 3.5 3.5 3.5
5.0p (2 个引线) 0°, 180°插入
3.5 3.5 3.5 3.5
a
元
件
5.0p (3 个引线) 0°, 180°插入
3.5 3.5 3.5 3.5

RL132
参考手册
2.7 插入条件
DA9RCC-12-180-A0
2.7-16
T折弯时
如下图所示,由于砧台 (用来将引线切断、折弯的装置) ,在基板下面存在着死区。
根据离基板下的高度位置,其范围各不相同。
从基板上面看的砧台死区
基板下 1 mm
基板下 2 mm
基板下 7 mm
右图是 X 方向 (90°) 插入时的图。
0°、180°、-90°插入时,请按各个角度旋转之后进行参照。
机器前面 (90°插入)
机器前面 (90°插入)
机器前面 (90°插入)