P-212-001.pdf - 第8页
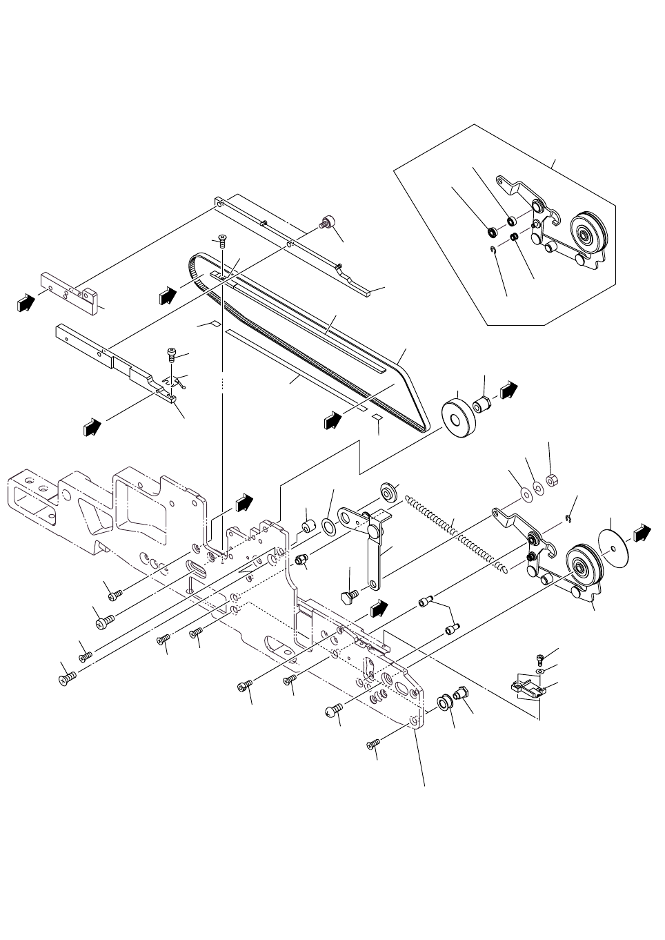
0203-001 ࡃ࡞ࠢࡈࠖ࠳ BULK FEEDER Fig. B-2 ៝ㅍࠪࡘ࠻ㇱ Transfer Chute Section 119 Fig.2-2 BF-1005 109 138 134 111 108 See Fig.B-1 Key No.1 136 139 141 138 114 125 130 126 140 138 139 101 146 147 147 116 112 113 122 115 124 105 11…

0203-001
Key No. PART No. PART NAME Q’ty REMARKS
NOTE
B-1
1 630 106 1023 FRAME 1 1 770B--010-001
2 630 054 4817 PIN,LOCATE 1 1 770B--010-002
3 630 044 3493 LEVER 1 1 770B--010-003
4 630 039 3002 PLATE 2 2 770B--010-004
5 630 039 3200 PIN,LOCATE 1 1 770B--010-005
6 630 039 3187 PIN,LOCATE 1 1 770B--010-006
7 630 010 5957 SPRING,COMP 1 1 770B--010-007
8 630 070 7601 BRACKET(GRIP) 1 1 770B--010-008
9 630 054 4800 BRACKET 1 1 770B--010-009
10 630 066 9015 BRACKET 1 1 770B--010-010
11 630 094 1951 PIN,LOCATE 1 1 770B--010-011
12 630 000 9859 NUT,HEX 1 1 770B--010-012
13 630 039 7062 TUBE,WIRING 1 RED 770B--010-013
13 630 039 7086 TUBE,WIRING 1 BLUE 770D--010-013
14 411 002 2600 SCR FLT 3X6 2 2 770B--010-014
15 411 140 7208 SCR FLT 4X6 4 4 770B--010-015
16 411 113 4708 SCR FLT 4X10 1 1 770B--010-016
17 411 141 0307 NUT HEX 4 3 3 770B--010-017
18 411 141 2905 WASHER SPR 4 2 2 770B--010-018
19 411 141 4008 WASHER V 4X9X0.8 2 2 770B--010-019
BF-1005
BF-1605

0203-001
ࡃ࡞ࠢࡈࠖ࠳ BULK FEEDER
Fig. B-2 ៝ㅍࠪࡘ࠻ㇱ Transfer Chute Section
119
Fig.2-2
BF-1005
109
138
134
111
108
See Fig.B-1
Key No.1
136
139
141
138
114
125
130
126
140
138
139
101
146
147
147
116
112
113
122
115
124
105
117
118
145
137
120
123
104
103
109
135
107
143
144
142
127
128
123-11
123-12
123-09
123
123-10
A
A
B
B
C
D
C
D

0203-001
Key No. PART No. PART NAME Q’ty REMARKS
NOTE
B-2
BF-1005
BF-1605
101 630 112 7705 CHUTE 1 770B--010-101
101 630 112 7743 CHUTE 1 770D--010-101
103 630 113 3720 COVER 1 1 770B--010-103
104 630 107 2180 BOLT 2 2 770B--010-104
105 630 112 7699 CHUTE 1 770B--010-105
105 630 112 7736 CHUTE 1 770D--010-105
107 630 076 0200 CHUTE 1 770B--010-107
107 630 076 0224 CHUTE 1 770D--010-107
108 630 074 1582 SPRING,FLAT 1 1 770B--010-108
109 630 008 3057 BOLT,HEX-SCT 4 4 770B--010-109
111 411 162 1000 SCR PAN 2X3 2 2 770B--010-111
112 630 113 3829 COLLAR 1 1 770B--010-112
113 630 113 3812 PIN,HINGE 1 1 770B--010-113
114 630 107 2029 PIN,HINGE 1 1 770B--010-114
115 630 107 2036 PIN,HINGE 2 2 770B--010-115
116 630 110 2023 HOOK 1 1 770B--010-116
117 630 107 2050 BLOCK 1 1 770B--010-117
118 630 112 7989 SHEET 1 1 770D--010-118
119 630 107 2098 SPRING,TENSION 1 1 770B--010-119
120 630 113 3898 PIN,HINGE 2 2 770B--010-120
122 630 107 2449 ASSY,LINK 1 1 770B--010-122
123 630 114 3767 ASSY,LINK 1 1 770B--010-123
123 -09 630 001 1630 BEARING,RADIAL 1 1
123 -10 630 007 1764 BEARING,RADIAL 1 1
123 -11 630 107 2210 ROLLER 1 1
123 -12 411 000 9304 RING E 2 1 1
124 630 066 0081 PULLEY,FLAT 2 2 770B--010-124
125 630 065 9726 PIN,HINGE 1 1 770B--010-125
126 630 067 1926 PULLEY,FLAT 1 1 770B--010-126
127 630 074 5665 PLATE 1 1 770B--010-127
128 411 000 9304 RING E 2 1 1 770B--010-128
130 630 067 2299 BELT,TIMING 1 1 770B--010-130
134 411 041 5600 SCR PAN 3X4 2 2 770B--010-134
135 411 141 2608 WASHER SPR 2 2 2 770B--010-135
136 411 043 5004 SCR PAN 4X8 1 1 770B--010-136
137 411 140 6805 SCR FLT 2X4 1 1 770D--010-137
138 411 002 2600 SCR FLT 3X6 3 3 770B--010-138
139 411 034 7208 SCR FLT 3X8 2 2 770B--010-139
140 411 035 2707 SCR FLT 4X8 2 2 770B--010-140
141 411 051 1708 SCR TRS 4X6 1 1 770B--010-141
142 411 141 0307 NUT HEX 4 1 1 770B--010-142
143 411 141 2905 WASHER SPR 4 1 1 770B--010-143
144 411 141 5906 WASHER F 4X8X0.8 1 1 770B--010-144
145 630 112 8009 HOLDER 1 1 770B--010-145
146 630 085 0420 SPACER 1 1 T0.05 770UB-01R-001