00191412-01 - 第569页
Betriebsanleitun g Linienrechner UNIX 17.3 Beschreibun g der Bauelemente und Leiterplatten Software-Version 50 1.xx Aus g abe 01/99 17.3 .3 Leiterplatt e 3: Schwerpunkt Nutzentechnik 17 - 4 1 pattern_2 pattern_1 pattern_…

17.3 Beschreibun
g
der Bauelemente und Leiterplatten Betriebsanleitun
g
Linienrechner UNIX
17.3.2 Leiterplatte 2: Schwerpunkt Gehäuseform-Beschreibun
g
Software-Version 501.xx Aus
g
abe 01/99
17 - 40
Abb. 17.3.6 Bestückpositions-Editor für Leiterplatte 2
Name
des PM-Sets ein
g
eben;
# = keine Paßmarken für die
Bestückposition definiert
b = Bestücken
k = Kleben
d = Dispensen
(
Lotpaste
)
n = Nachbearbeiten
s = Sperren
(
für Bestückun
g)
Nummer
der Bestückebene
ein
g
eben;
# = Ebene 0

Betriebsanleitun
g
Linienrechner UNIX 17.3 Beschreibun
g
der Bauelemente und Leiterplatten
Software-Version 501.xx Aus
g
abe 01/99 17.3.3 Leiterplatte 3: Schwerpunkt Nutzentechnik
17 - 41
pattern_2
pattern_1
pattern_3
pattern_4
board_1
board_2
board_3
board_1
board_2
board_3
board_3
board_2
board_1
board_3
board_2
board_1
Example_3
5
10
15
Ecke 1
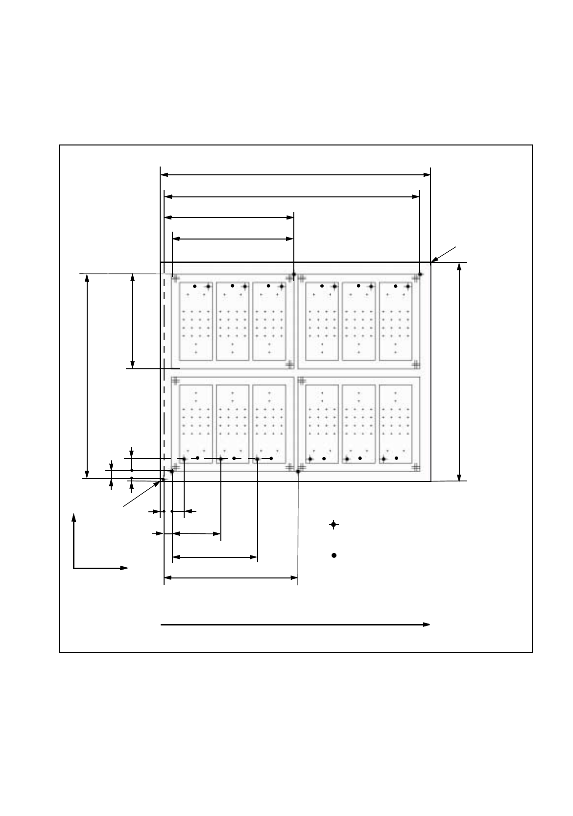
17.3.3 Leiterplatte 3: Schwerpunkt Nutzentechnik
Leiterplatte 3 besteht aus vier Nutzen
(
pattern
)
, die
j
eweils aus drei Einzelschaltun
g
en
(
board
)
bestehen. Die
Maße und der Bestückinhalt der Einzelschaltun
g
en entsprechen der Leiterplatte 2. Die Nutzen 3 und 4 sind um
180°
g
edreht. Für
j
eden Nutzen wird eine Leiterplatten-La
g
eerkennun
g
durch
g
eführt, dazu sind
j
eweils drei
Paßmarken vorhanden. Auf
j
eder Einzelschaltun
g
befindet sich ein Inkpunkt.
335
272
5
X
Y
LP-Koordinaten-
system 0°
Transportrichtun
g
150
116
10
15
60
105
165
Ecke 2
LP-Höhe= 1,5 mm
Nullpunkt der verschiedenen Ebenen:
Leiterplatte, Nutzen, Einzelschaltun
g
Inkpunkt
Abb. 17.3.7 Abmessungen Leiterplatte 3
252
160
315

17.3 Beschreibun
g
der Bauelemente und Leiterplatten Betriebsanleitun
g
Linienrechner UNIX
17.3.3 Leiterplatte 3: Schwerpunkt Nutzentechnik Software-Version 501.xx Aus
g
abe 01/99
17 - 42
Die GF-Beschreibun
g
entfällt.
Die BE-Beschreibunn
g
entfällt.
Die DM-Beschreibun
g
entfällt.
Es sind keine Paßmarken vorhanden.
Es ist kein Inkpunkt vorhanden.
Die Bestückpositionen werden in den
Einzelschaltun
g
en definiert.
GF-Beschreibun
g
Leiterplatten-Editor
für eine Leiterplatte
starten
Lage der Leiterplatte
in der Maschine an-
geben
Inkpunkt
definieren
BE-Beschreibun
g
DM-Beschreibun
g
Abmessungen der
Leiterplatte eingeben
Paßmarken
definieren
Fortsetzun
g
auf Seite 17-44
Nutzen-Editor
Paßmarken-Editor
Bestückpositionen
eingeben
LP-Beschreibung
BP-Editor