PTS-GPX-04JE - 第122页
122 PTS-GPX-04JE

ee
Ref.3/
121
PTS-GPX-04JE

122
PTS-GPX-04JE

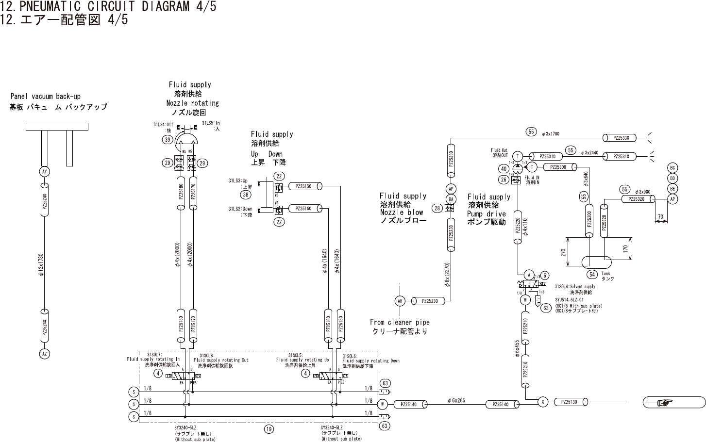
12.PNEUMATIC CIRCUIT DIAGRAM
12.エアー配管図
No. Drg.No. & Code No. QTY Description Rating Materials Remarks
番号 図番 & コード番号 個数 品名 規格 材質 備考
1 H1121E 2 VALVE, SOL バルブ SOL SY3220-5LOZ-C4-F2 OT
3 H1124L 1 VALVE, SOL バルブ SOL VQ21A1-5YZ-C6-F OT
4 H1337F 4 VALVE, SOL バルブ SOL SY3240-5LZ OT
5 H11225 1 VALVE, SOL バルブ SOL SYJ712R-5LOZ-01-F-X20 OT
6 H1122Z 1 VALVE, SOL バルブ SOL SYJ514-5LOZ-01 OT
7 H10634 1 VALVE, RELIEF バルブ リリーフ AQ2000-02 OT
8 H1121C 2 VALVE, SOL バルブ SOL SY3220-5LOZ-C4 OT
9 XB02311 1 VALVE バルブ OT
10 H1030F 1 VALVE, PRESSURE REDUCING バルブ 減圧 AR20K-01BG-R OT
11 H1026D 1SET VALVE, PRESSURE REDUCING バルブ 減圧 AC30D-03D-R-X465B OT
15 H1057W 1 VALVE, ELEC/AIR PROPORTIONAL バルブ デンクウヒレイ VY1100-01-BN-X7 OT
15.1 S1058A 1 SILENCER サイレンサ AN120-M5 OT 15-ACC
16 H1031G 1 VALVE, PRESSURE REDUCING バルブ 減圧 IR1010-01BG-R OT
17 H1030D 1 VALVE, PRESSURE REDUCING バルブ 減圧 AR20K-02BG OT
17.1 A1030T 1 PRESSURE GAUGE 圧力計 G36-10-01 OT 17-ACC
18 H1460N 1 VALVE, SOL バルブ SOL 3PA210-06-C01P-3 OT
19 M1034G 2 MANIFOLD マニホールド SS5Y3-41-02-C4 OT
20 M1034M 1 MANIFOLD マニホールド SS5Y3-20-02 OT
22 K5337G 6 CONTROLLER, SPEED コントローラ スピード AS1201F-M5-04 (シロ) OT
23 K5340R 5 CONTROLLER, SPEED コントローラ スピード AS2001F-04(シロ) OT
24 K5337E 4 CONTROLLER, SPEED コントローラ スピード AS1201F-M3-04(シロ) OT
25 K53416 1 CONTROLLER, SPEED コントローラ スピード AS2201F-01-04S OT
26 K5344L 1 CONTROLLER, SPEED コントローラ スピード AS2211F-01-04S(シロ) OT
27 K53417 4 CONTROLLER, SPEED コントローラ スピード AS2201F-01-04S-X214 OT
28 K53474 1 CONTROLLER, SPEED コントローラ スピード AS2311F-01-06S(シロ) OT
29 K5337F 2 CONTROLLER, SPEED コントローラ スピード AS1201F-M5-04-X214 OT
31 S2197G 3 CYLINDER, AIR シリンダ エアー CQ2B32-25D OT
32 S2197B 1 CYLINDER, AIR シリンダ エアー CDQ2B32-25D-M9BL OT
35 S21146 1 CYLINDER, AIR シリンダ エアー CDQSB20-10D-M9BVL OT
36 A4004D 1 EJECTOR, VACUUM エジェクタ バキューム ZH20DL-03-04-04 OT
37 H54471 1 PUMP, VACUUM ポンプ バキューム DAP-12S OT
38 S2195D 1 CYLINDER シリンダ CXSJM20-50-M9B OT
39 S2201C 1 CYLINDER シリンダ RAPS1-90-ZC130A2 OT
40 H5430X 1 PUMP ポンプ PB1013-01-B-X16 OT
41 S1060C 1 SILENCER サイレンサ AN300-KM12 OT
42 S2197C 1 CYLINDER, AIR
シリンダ エアー CDQSB20-40D-M9B
OT
44 S2197H 2 CYLINDER, AIR シリンダ エアー CUJB10-20D OT
123
PTS-GPX-04JE