00197973-10_SM_MaterialTower - 第66页
在线预览 00197973-10_SM_MaterialTower PDF 文档。

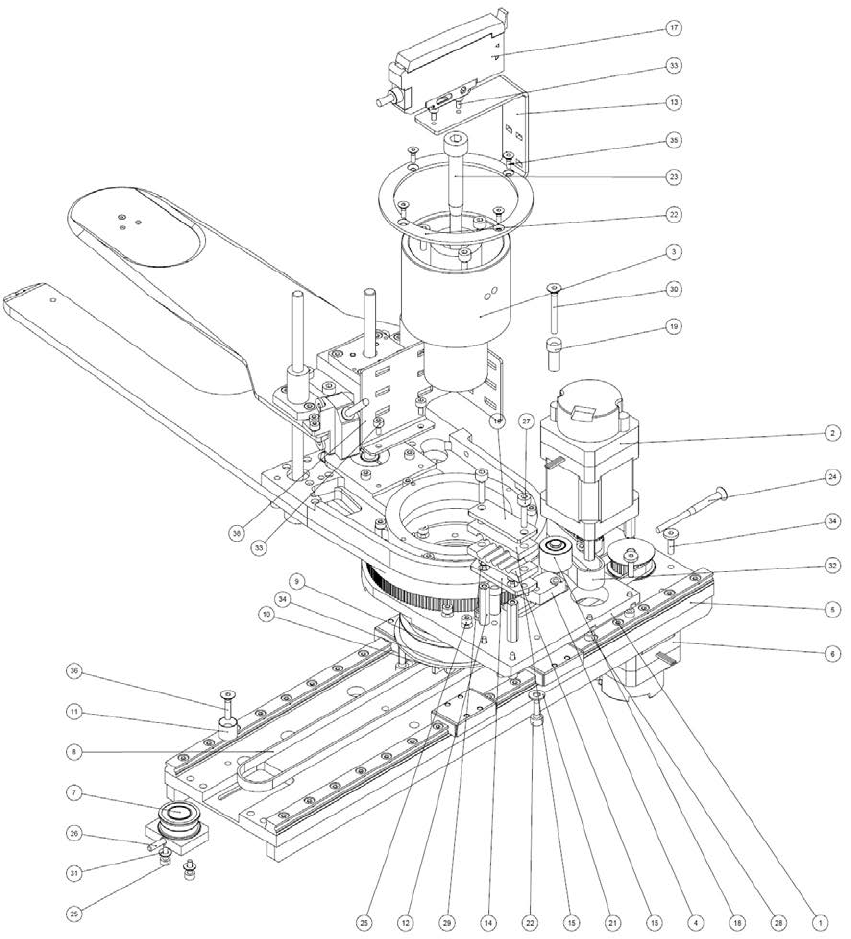
00197973-10 / 02 , 2016 X Axis
SIPLACE Mat. Tower Storage Service Manual © ASM 4-25
Finalize exchange steps
Remove all tools, attach all previously removed covers and close the doors of the machine.
Plug in the power connector and switch on the machine.
Initialize the machine by means of the software.

00197973-10 / 02 , 2016
SIPLACE Mat. Tower Storage Service Manual © ASM 5-1
5 Y Axis