OM-1241-005_w - 第163页
5-2 AIX-ML T-ID 0705-003 2. Layout of Sensors and Loads Frame Section (FP-G100R) 2. Layout of Sensors and Loads 2.1 Frame Section (FP-G100R) -Y0101 -S0519 -S0501 -S0503 -S0502 -S0504 -S0505 -Y0103 -Y0102 -S0518 -B0201 -B…

5-1
AIX-MLT-ID
0705-003 -(M806XER--0001)
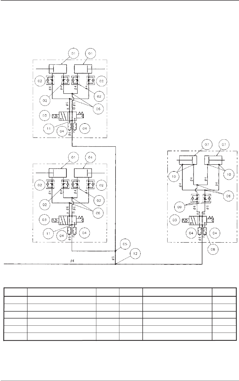
1. Pneumatic Diagram
1.1 Pneumatic Diagram (FP-G100R) and (FP-G100L)
Traverse Unit
Pallet Chuck
Elevator Axis 2 (Upper)
Rack Shutter (Upper)
Elevator Axis 1 (Lower)
Rack Shutter (Lower)
From the manifold (KM13-08-10-3) of the main machine (GX)
Symbol Name Q'ty
Symbol Name Q'ty
01 Cylinder 4
02 Speed Controller 8
03 Solenoid Valve 3
04 Silencer 6
05 Half Union 2
06 Different Union Y 6
07 Cylinder 2
08 Elbow Union 1
09 Speed Controller 2
10 Half Elbow 4
11 Half Union 2
12 Union Y 1
1. Pneumatic Diagram

5-2
AIX-MLT-ID
0705-003
2. Layout of Sensors and Loads Frame Section (FP-G100R)
2. Layout of Sensors and Loads
2.1 Frame Section (FP-G100R)
-Y0101
-S0519
-S0501
-S0503
-S0502
-S0504
-S0505
-Y0103
-Y0102
-S0518
-B0201
-B0420
-B0420 Amp
-B0420
-B0302
Symbol Name Symbol Name
-B0201
Elevator Limit (+)
-B0302
Elevator Limit (-)
-B0420
Ejected Pallet Detection
-B0420 Amp
Ejected Pallet Detection Amplifier
-S0501
Safety Door (Lower) Door Switch Detection
-S0502
Safety Door (Upper) Door Switch Detection
-S0503
Safety Door (Magazine) Door Switch Detection
-S0504
Maintenance Cover Open Detection LS1
-S0505
Maintenance Cover Open Detection LS2
-S0518
Missing Pallet (Return Position) Detection (Right)
-S0519
Missing Pallet (Return Position) Detection (Left)
-Y0101
Safety Door Lock (Lower)
-Y0102
Safety Door Lock (Upper)
-Y0103
Safety Door Lock (Magazine)
(Light Receiving)
(Light Emitting)

5-3
AIX-MLT-ID
0705-003
2.2 Elevator Section (FP-G100R)
-B0427
-M02
-B0512
-B0202
-B0421
-M03
-B0515
Symbol Name Symbol Name
-M02
Elevator (Lower) Driving Motor
-M03
Elevator (Upper) Driving Motor
-B0202
Elevator U/D Approach Check
-B0421
Lower Rack Shutter (Operator Side) Closing Check
-B0427
Upper Rack Shutter (Operator Side) Closing Check
-B0512
Magazine (Lower) Type Determination
-B0515
Magazine (Upper) Type Determination
2. Layout of Sensors and Loads Elevator Section (FP-G100R)