OM-1241-005_w - 第208页
AIX-ML T-ID 5-47 UA54 I/O Board ILB-IN 1 L (Front Left) G-S014-02 (For Main Machine) 0705-003 -(M803WBL-A2009) /RX RX /TX TX FG -X0505 -X0506 -X0508 -X0509 -X0510 -X051 1 -U05 CN5 CN6 CN7 CN8 CN9 CN10 CN1 1 CN12 -502 -50…

AIX-MLT-ID
5-46
UA54 I/O Board ILB-IN 1 L (Rear Left Side) G-S014-01 (For Maine Machine)
0705-003 -(M803WBL-A2008)
/RX
RX
/TX
TX
FG
-X0505
-X0506
-X0508
-X0509
-X0510
-X0511
X2639:1 (From K3 34)
X2639:2 (From K3 33)
X2722:1 (From K4 34)
X2722:2 (From K4 33)
-U05
CN5
CN6
CN7
CN8
CN9
CN10
CN11
CN12
Lifted Suppressor
Detection (A)
Lifted Suppressor
Detection (B)
-502
-501
-506
-507
-505
-504
9
3 72
6
7
9 63
2
FG
TX
/TX
RX
/RX
-X0504-X0503
CN4CN3
10B
24B1L
ILB
IN
1
2
3
3
2
1
3
2
1
3
2
1
1
2
3
1
2
3
1
2
3
3
2
1
24B1L
10B
10B
24B1L
10B
24B1L
10B
24B1L
1
2
CN2
-X0502
9 5
9 5
-K48
-K48
-512
802
803
-Q223 -Q222
-513
805
806
-Q223 -Q222
804
-Q221 -Q201
801
-Q221 -Q201
-515
-514
-510
-511
-516
Nozzle U/D Interlock (MA)
Nozzle U/D Interlock (MB)
CN20
CN19
CN18
CN17
CN16
CN15
CN14
CN13
From MA-B3103 OUT
-X10514
-X10515
-X10520
-X0520
-X0515
-X0514
-X0513
-X0519
-X0518
-X0517
-X0516
1
2
3
3
2
1
3
2
1
3
2
1
1
2
3
1
2
3
1
2
3
3
2
1
10B
10B
10B
10B
(UA54)
:7
:2
:5
:4
:9
:2
:6
:3
:7
:3
10B
10B
BA
BB
BA BA BABA
14 13 13 13
13131314
14 14
1414
ac
ac
BB BBBBBB
X504
:1
-X1504
:1
:2
:2
:1
-X1504
:2
X504
-X10511
-X10510
-B0510
-B0510
DA
DB
+
-
OUT1
:2
:3
:1
+
-
OUT1
:2
:3
:1
:1
:3
:2
:1
:3
:2
-X10508
-X10509
OUT2
OUT2
D(L) ch1-1
BL ch1-1
-X0710(CN10)
-X1202(CN2)
-U12 (UB14) Main Machine
Safety Monitor for
Left Cover
Emergency Stop
Safety Monitor
-U07(UA53)I/F
Beam B CB Error Monitor
Beam A CB Error Monitor
CB Error
(A-Y1)
CB Error
(A-Y2)
CB Error
(B-Y1)
CB Error
(B-Y2)
CB Error (Beam B Integral
)
CB Error
(B-X)
CB Error (Beam A Integral
)
CB Error
(A-X)
Beam A Main Power OFF
Detection
Beam B Main Power OFF
Detection
Head U/D Interlock (MA)
RESERVED
Disengaged Latch
Detection (A)
Disengaged Latch
Detection (B)
RESERVED
RESERVED
Multi-layer Tray (L)
Multi-layer Tray (L)
Brown
Orange
Blue
Black
Brown
Orange
Blue
Black
From A-B3101 OUT
From B-B3101 OUT
Note
The -marked area is specially specified.
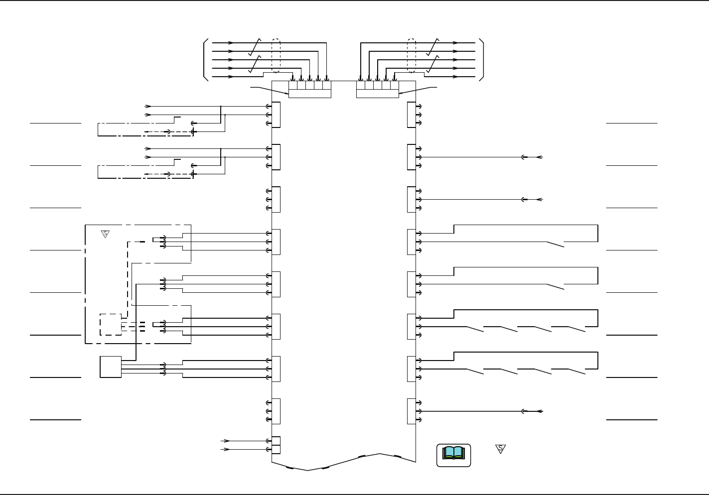
4.2 Electrical Circuit Diagrams UA54 I/O Board ILB-IN 1 L (Rear Left Side) G-S014-01 (For Maine Machine)

AIX-MLT-ID
5-47
UA54 I/O Board ILB-IN 1 L (Front Left) G-S014-02 (For Main Machine)
0705-003 -(M803WBL-A2009)
/RX
RX
/TX
TX
FG
-X0505
-X0506
-X0508
-X0509
-X0510
-X0511
-U05
CN5
CN6
CN7
CN8
CN9
CN10
CN11
CN12
-502
-501
-506
-507
-505
-504
9
3 72
6
7
9 63
2
FG
TX
/TX
RX
/RX
-X0504-X0503
CN4CN3
10B
24B1L
ILB
IN
1
2
3
3
2
1
3
2
1
3
2
1
1
2
3
1
2
3
1
2
3
3
2
1
24B1L
10B
10B
24B1L
10B
24B1L
10B
24B1L
1
2
CN2
-X0502
9 5
9 5
-K48
-K48
-512
802
803
-Q223 -Q222
-513
805
806
-Q223 -Q222
804
-Q221 -Q201
801
-Q221 -Q201
-515
-514
-510
-511
-516
CN20
CN19
CN18
CN17
CN16
CN15
CN14
CN13
-X10514
-X10515
-X10520
-X0520
-X0515
-X0514
-X0513
-X0519
-X0518
-X0517
-X0516
1
2
3
3
2
1
3
2
1
3
2
1
1
2
3
1
2
3
1
2
3
3
2
1
10B
10B
10B
10B
(UA54)
:7
:2
:5
:4
:9
:2
:6
:3
:7
:3
10B
10B
BA
BB
BA BA BABA
14 13 13 13
13131314
14 14
1414
ac
ac
BB BBBBBB
X504
:1
-X1504
:1
:2
:2
:1
-X1504
:2
X504
-X10511
-X10510
-B0510
-B0510
DA
DB
+
-
OUT1
:2
:3
:1
+
-
OUT1
:2
:3
:1
:1
:3
:2
:1
:3
:2
-X10508
-X10509
OUT2
OUT2
D(L) ch1-1
BL ch1-1
-X0710(CN10)
-X1202(CN2)
-U07(UA53)I/F
RESERVED
X2639:1 (From K3 34)
X2639:2 (From K3 33)
X2722:1 (From K4 34)
X2722:2 (From K4 33)
Lifted Suppressor
Detection (A)
Lifted Suppressor
Detection (B)
Nozzle U/D Interlock (MA)
Nozzle U/D Interlock (MB)
From MA-B3103 OUT
D(L) ch1-1
-X0710(CN10)
-U12 (UB14) Main Machine
Safety Monitor for
Left Cover
Emergency Stop
Safety Monitor
-U07(UA53)I/F
Beam B CB Error Monitor
Beam A CB Error Monitor
CB Error
(A-Y1)
CB Error
(A-Y2)
CB Error
(B-Y1)
CB Error
(B-Y2)
CB Error (Beam B Integral
)
CB Error
(B-X)
CB Error (Beam A Integral
)
CB Error
(A-X)
Beam A Main Power OFF
Detection
Beam B Main Power OFF
Detection
Head U/D Interlock (MA)
RESERVED
Disengaged Latch
Detection (A)
Disengaged Latch
Detection (B)
RESERVED
Multi-layer Tray (L)
Multi-layer Tray (L)
Brown
Orange
Blue
Black
Brown
Orange
Blue
Black
From A-B3101 OUT
From B-B3101 OUT
Note
The -marked area is specially specified.
4.2 Electrical Circuit Diagrams UA54 I/O Board ILB-IN 1 L (Front Left) G-S014-02 (For Main Machine)

AIX-MLT-ID
5-48
UA54 I/O Board ILB-IN 1 R (Rear Right) G-S014-03 (For Main Machine)
0705-003 -(M803WBR-A2008)
/RX
RX
/TX
TX
FG
-X0505
-X0506
-X0508
-X0509
-X0510
-X0511
-U05
CN5
CN6
CN7
CN8
CN9
CN10
CN11
CN12
-502
-501
-506
-507
-505
-504
9
3 72
6
7
9 63
2
FG
TX
/TX
RX
/RX
-X0504-X0503
CN4CN3
10B
24B1R
ILB
IN
1
2
3
3
2
1
3
2
1
3
2
1
1
2
3
1
2
3
1
2
3
3
2
1
24B1R
10B
10B
24B1R
10B
24B1R
10B
24B1R
1
2
CN2
-X0502
9 5
9 5
-K48
-K48
-512
802
803
-Q223 -Q222
-513
805
806
-Q223 -Q222
804
-Q221 -Q201
801
-Q221 -Q201
-515
-514
-510
-511
-516
CN20
CN19
CN18
CN17
CN16
CN15
CN14
CN13
-X10514
-X10515
-X10520
-X0520
-X0515
-X0514
-X0519
-X0518
-X0517
-X0516
1
2
3
3
2
1
3
2
1
3
2
1
1
2
3
1
2
3
1
2
3
3
2
1
10B
10B
10B
10B
(UA54)
:3
:4
:5
:2
:7
:7
:3
:6
:2
:9
10B
10B
RESERVED
-X1504
:1
:2
X504
:2
:1
X504
:2
:1
-X1504
14 13 13 1314 14 ac
13131314 1414 ac
OUT2
OUT2
-X10509
-X10508
:2
:3
:1
:2
:3
:1
:1
:3
:2
OUT1
-
+
:1
:3
:2
OUT1
-
+
DD
DC
-B0510
-B0510
-X10510
-X10511
-X1202(CN2)
BR ch1-1
-U07(UA53)I/F
-X0710(CN10)
D(R) ch1-1
From K3 34
From K4 34
Lifted Suppressor
Detection (C)
Lifted Suppressor
Detection (D)
Nozzle U/D Origin (MC)
Nozzle U/D Origin (MD)
From MC-B3102 OUT
-U12 (UB14) Main Machine
Safety Monitor for
Right Cover
Emergency Stop
Safety Monitor
Beam D CB Error Monitor
Beam C CB Error Monitor
CB Error
(C-Y1)
CB Error
(C-Y2)
CB Error
(D-Y1)
CB Error
(D-Y2)
CB Error (Beam D Integral
)
CB Error
(D-X)
CB Error (Beam C Integral
)
CB Error
(C-X)
Beam C Main Power OFF
Detection
Beam D Main Power OFF
Detection
RESERVED
Disengaged Latch
Detection (C)
Disengaged Latch
Detection (D)
RESERVED
Multi-layer Tray (L)
Multi-layer Tray (L)
Brown
Orange
Blue
Black
Brown
Orange
Blue
Black
From C-B3101 OUT
From D-B3101 OUT
Head Downward
Movement (MC)
Note
The -marked area is specially specified.
4.2 Electrical Circuit Diagrams UA54 I/O Board ILB-IN 1 R (Rear Right) G-S014-03 (For Main Machine)