DECAN_S1_TRM(Ver1.1_CS18.02) - 第123页
Page +$1:+$ 121 DECAN S1 Electric Power (6/8) NO. P ART NO. P ART NAME Q'TY Old No. Supply Supply L T Reference 1 AM03-01490 9B CAB LE ASSY -MC_INPU T_220V 1 2 AM03-014907A CABLE ASSY -PUMP_ PWR_ALARM-EXT 1 3 AM03-0…

Page
+$1:+$
120
DECAN
S1
Electric Power (6/8)
1
2
4
3
6
5
-MC2
(T16-2.3)
VACUUM
PUMP
-SK
AM03-019377A
CV-CN12
CV-CN15
SH203-C16
-CP2
(16A)
AM03-014909B
1.5mm(BLK)
AM03-014851A
K3CRD-50500
D-S1_PW042-1
1.5mm(BLK)
SM48C_PW147-1
0.13mm(BLK)
(B6-30-10-01)
-TR
1.5mm(BLK)
0.5A(200W)
KHB200A-304A-G1
AM03-014907A
AM03-027769A
SM48C_PW041
SM48C_PW040
EP07-001120
SM48C-PW042
0.75mm(BLK)
0.5mm(BLUE)
0.5mm(BLK)
1
3
5
2
4
6
2
4
6
97
95
98
96
13
A1
14
A2
135
246
3
5
U
V
W
PE
1
3
+24V
HD MAIN AIR
VACUUM AIR SOL CONNECTOR
VACUUM PUMP ALARM
GND
VACUUM PUMP ALARM
GND
+24V
VACUUM PUMP PWR
PE3
2
2
2
2
AM03-025092A
DECAN_1TCV_006
AM03-014853A
SM48C_PW146
2
2
2

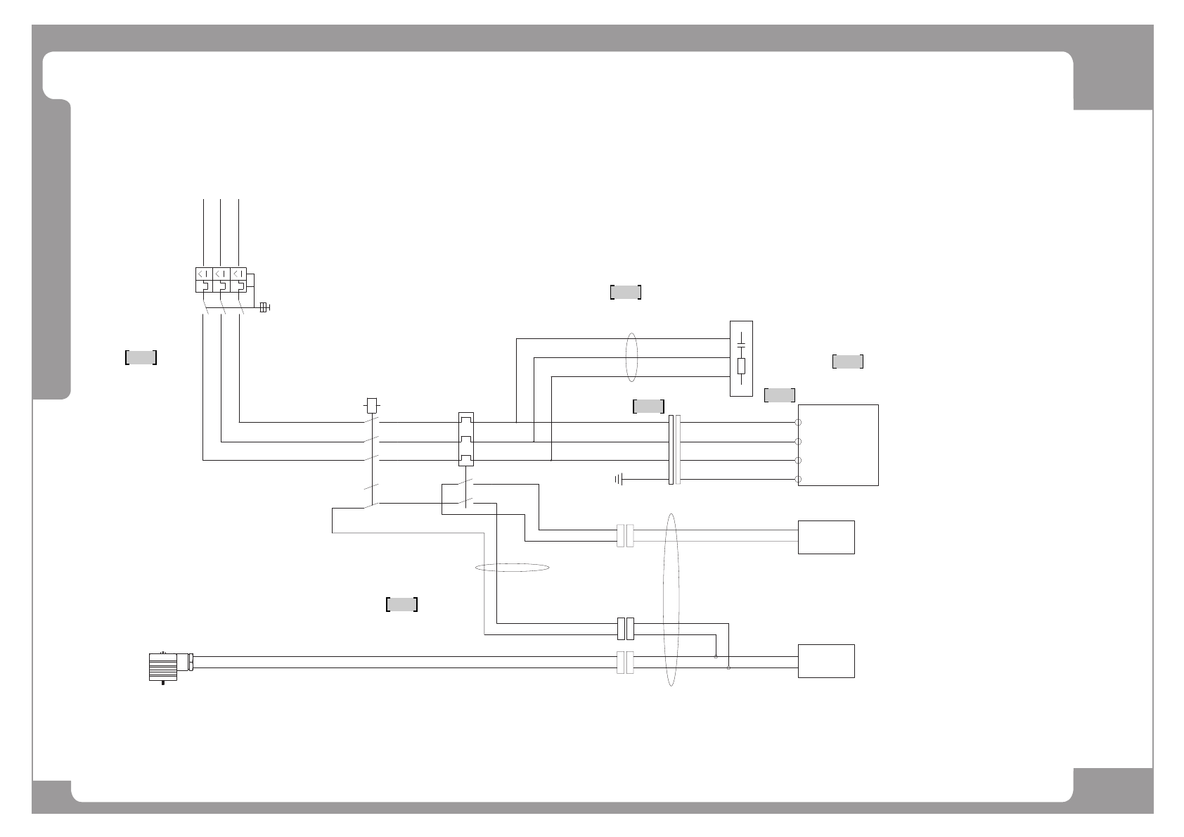
Page
+$1:+$
121
DECAN
S1
Electric Power (6/8)
NO. PART NO. PART NAME Q'TY Old No. Supply Supply LT Reference
1 AM03-014909B CABLE ASSY-MC_INPUT_220V 1
2 AM03-014907A CABLE ASSY-PUMP_PWR_ALARM-EXT 1
3 AM03-014851A CABLE ASSY-SPARK_KILLER 1
4 AM03-027769A CABLE ASSY-VACUUM_PUMP_PWR_EXT 1
5 AM03-019377A CABLE ASSY-VACUUM_PUMP_220V 1
6 AM03-014851A CABLE ASSY-SPARK_KILLER 1

Page
+$1:+$
122
DECAN
S1
Electric Power (7/8)
1
2
3
6
4
5
8
7
FROM CP1
1L2
1L1
AC220V
OUTLETINLET
UPS OPTION INSTALL
-UPS
(1600VA)
0.75mm(BLK)
(RIGHT SIDE)
-FAN1
-FUSE5 (AC250V,5A)
1L1 1L2(F3) 1L1
0.75mm(BLK)
1L1 1L2
-FUSE3 (AC250V,5A)
-FAN2
(FRONT SIDE)
1L1
1L1
1L2(F4)
-FUSE4 (AC250V,5A)
1L2
(REAR SIDE)
-FAN3
1L2(F5)
1L21L1
SM511_PW112
SM511_PW113
-FUMP
(15W,12V)
1L1 1L2
0.75mm(BLK)
912
58
RY 11
SC-CN24
+24V
24G
AM03-014705A
14
13
SM511C_PW145
SM511C_PW145-1
TO FRONT
1.5mm(BLK)
PC RACK
POWER SUPPLY
(SM511C_PW025)
RACK FAN
0.6A(Max 1.2A)
MONITOR
0.1A
0.1A
0.1A
0.1A
AM03-011247B
0.5mm(BLK)
0.75mm(BLK)
SM-FAN00
0.75mm(BLK)
(SERVO DRIVER RACK)
-FAN4
0.1A
-FAN5
0.1A
AM03-011278B
AM03-014706A
AM03-014707B
J90833316A
SM511C_PW044
AM03-020572A
EP18-000020
MY2N-D2-DC24V
< FRONT OPERATION>
6A
1A1A1A
6A
1A1A
B
AA
B
6D
1B
A
2B
7D
B
8D
3B
6C
1C
2 2 2
SM33_PW026
2
2
DC POWER(350W)
(12V)
(GND)
AC IN
5/3.3/12/-12/VDC
PE03
2
2
* Connect when using UPS
* Connect when using UPS