DECAN_S1_TRM(Ver1.1_CS18.02) - 第193页
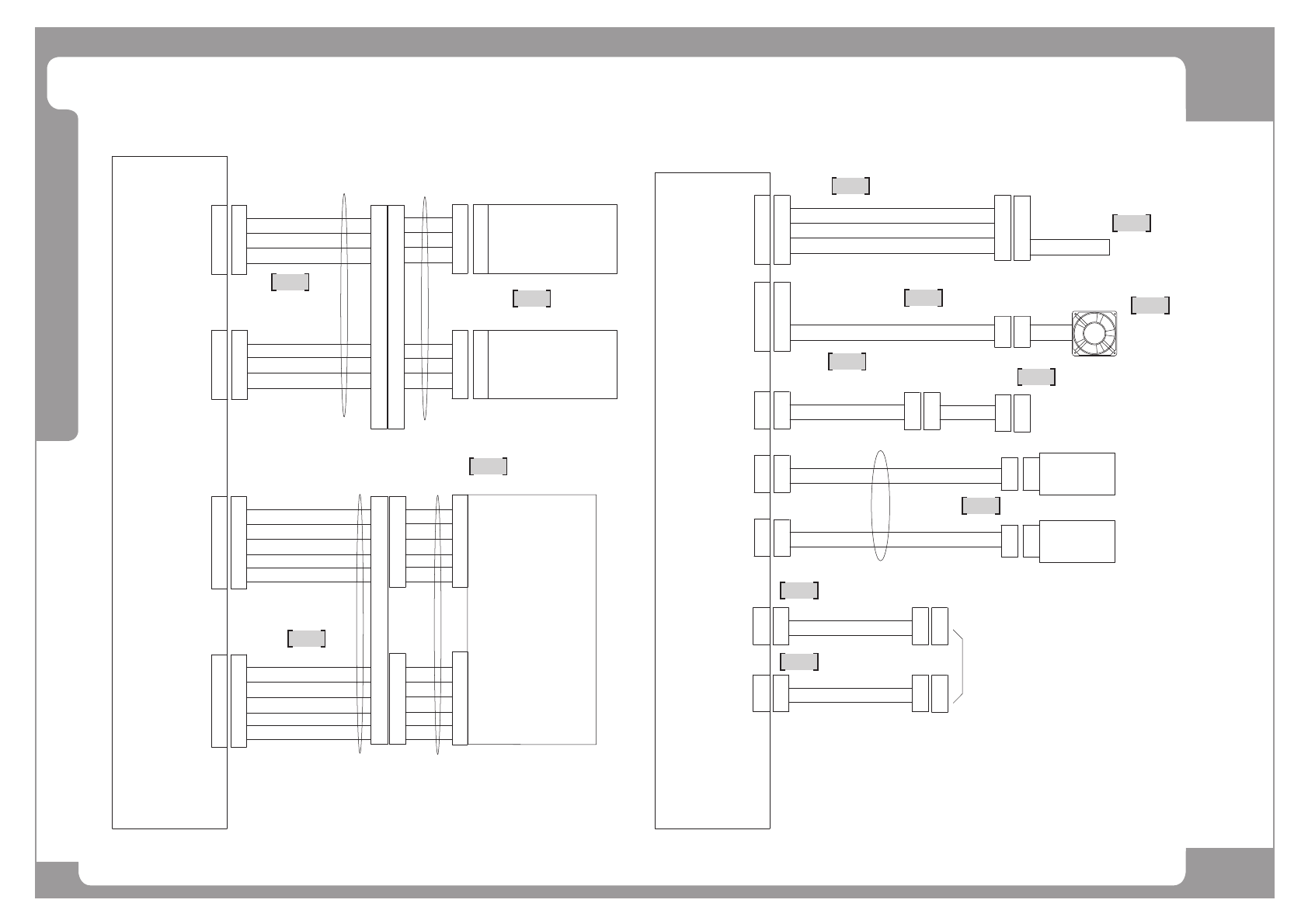
Page +$1:+$ 191 DECAN S1 Safety Control Board (3/5) NO. P ART NO. P ART NAME Q'TY Old No. Supply Supply L T Reference 1 AM03-01 1245C CABLE A SSY -CV_RDF_ PWR_EXT 1 2 AM03-010841C CABLE A SSY -CONV_I-F_ R_FDR_PWR_J2…

Page
+$1:+$
190
DECAN
S1
Safety Control Board (3/5)
1
2
3
4
5
6
7
8
9
10
11
12
13
BOARD
SAFETY CONTROL
4
3
2
1
6
5
4
3
2
1
6
5
4
3
2
1
6
5
4
3
2
1
6
5
B6
A6
B5
A5
B7
A7
B9
A9
B8
B10
A10
A8
SM511C_CV132
KEYPAD USED
EMG_IN
RXD
TXD
+12V
GND
KEYPAD USED
EMG_IN
RXD
TXD
+12V
GND
B2
A2
B1
A1
B3
A3
B2
A2
B1
A1
B3
A3
4
3
2
1
6
5
4
3
2
1
6
5
CONVEYER I/F B/D
CN26
CN27
CN33
CN35
SC-J1R-3
SC-J1R-4
44
44
CN22
22
33
1 1
CN20
22
33
1 1
4
4
24G
+24V
24G
CV-CN4
2
3
1
2
3
1
4
4
RFD-CN4
2
3
1
2
3
1
1
4
3
2
5
+24V
8
7
SM511_SC101-1
REAR FEEDER I/F B/D
(DOCKING CART)
CONVEYOR I/F B/D
SM511_CV101
6
24G
24G
+24V
+24V
REAR FEEDER I/F B/D
(DOCKING CART)
3
2
4
1
24G
FSO
3
44
3
4
3
FD1
TF1
1
22
1
2
1
CN-FSO
SM511_SC009
BOARD
SAFETY CONTROL
CN5
CN10
1
2
1
22
1
24G
+24VM
1
2
R STEPPING DRIVER CN-POWER
SM481_SC011
1
2
1
22
1
24G
+24VM
CN11
1
2
CN12
2
1
24G
+24VM
SM41_SC012
1
2
1
2
1
2
CB12/BW12-CN1
CB34-CN1
TF EM1
TF EM1
TO CABLE SM511_VM101(AM03-012484A)
TFEM1
CN14
2
1
1
22
1
2
1
1
2
1
22
1
1
2
MOLEX 2PIN
CN15
TFEM2
TF EM2
TF EM2
SM421_VM101-1
1
2
24V DC
24G
3
44
3
2
1
1
22
1
FAN
SM5111_PW020
CN6
SM471_PW022
AM03-011245C
10
9
AM03-010841C
1
4
3
2
5
8
7
6
10
9
SM511_SC204
AM03-010961A
AM03-010857C
AM03-010951A
SM48_SC008-1
AM03-017549A
AM03-010919C
AM03-006409A
1
2
1
2
AM03-007044B
SM471_SC111-2
AM03-005723C
AM03-010657A
AM03-003686A
SM421_VM102-1
AM03-003689A

Page
+$1:+$
191
DECAN
S1
Safety Control Board (3/5)
NO. PART NO. PART NAME Q'TY Old No. Supply Supply LT Reference
1 AM03-011245C CABLE ASSY-CV_RDF_PWR_EXT 1
2 AM03-010841C CABLE ASSY-CONV_I-F_R_FDR_PWR_J2R 1
3 AM03-010857C CABLE ASSY-T_BOX_HOST_J1R 1
4 AM03-010961A CABLE ASSY-BD_PW_SC_J1R 1
5 AM03-010951A CABLE ASSY-FRONT_OVERRIDE_KEY_EXT 1
6 AM03-017549A #N/A #N/A
7 AM03-010919C CABLE ASSY-LEFT_REAR_FAN_PW 1
8 AM03-006409A CABLE ASSY-CABLE ASSY-LR_ZR_DRV_FAN 1
9 AM03-007044B CABLE ASSY-CABLE_ASSY-R_STEP_DRV_PWR 1
10 AM03-005723C #N/A #N/A
11 AM03-010657A CABLE ASSY-CONV-BELT-STEP-POWER 1
12 AM03-003686A CABLE ASSY-1_TRAY_FEEDER_EXT 1
13 AM03-003689A CABLE ASSY-2_TRAY_FEEDER_EXT 1

Page
+$1:+$
192
DECAN
S1
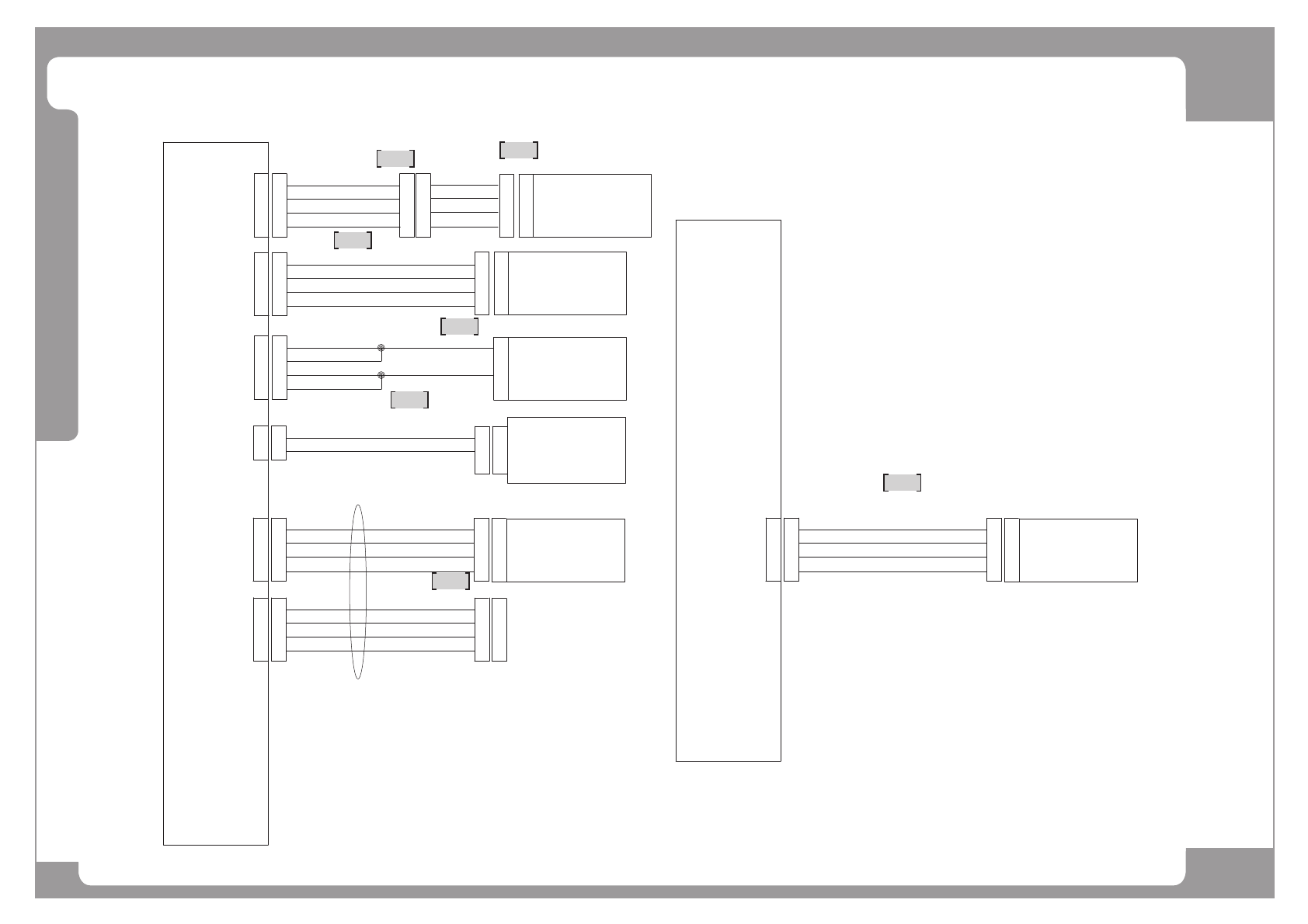
Safety Control Board (4/5)
1
2
3
4
5
6
7
22
44
33
CN21
1 1
FRONT FEEDER I/F B/D
24G
24G
+24V
+24V
BOARD
SAFETY CONTROL
SM511_FD101
(DOCKING CART)
CN24
24G
+24V
+24V
24G
44
2
3
2
3
11
4
4
FFD-CN4
2
3
1
2
3
1
FFD-PW
RY#11
SM511_PW044
SM511_FD101-1
BOARD
SAFETY CONTROL
14
13
2
4
3
1
2
4
3
1
+24V
44
3
2
3
2
24G
24G
1 1
+24V
4
3
2
CN27
1
24G
+24V
+24V
24G
44
2
3
2
3
11
4
2
3
1
4
2
3
1
AXIO B/D #1
CN2
AXIS SENSOR B/D
4
4
AX-CN1
2
3
1
2
3
1
SM511_AX001
CN23
11
44
CN25
SCANNER
24G
+24V
1
1
4
4
D-SUB 15P
SM41_IT003
4P
15
15
4
3
2
CN28
1
24G
+24V
+24V
24G
44
2
3
2
3
11
4
2
3
1
4
2
3
1
SM48_SC007
HD-PW-EXT
TO CABLE (SM481_AX006)
4
3
2
CN26
1
24G
+24V
+24V
24G
44
2
3
2
3
11
4
2
3
1
4
2
3
1
AXIO B/D #2
CN2
SM481_SC009
AM03-010867B
AM03-010866C
AM03-011671A
AM03-014705A
AM03-012662A
AM03-006922B
AM03-007045A