DECAN_S1_TRM(Ver1.1_CS18.02) - 第204页
Page +$1:+$ 202 DECAN S1 Interlock Block Diagram (1/2) PC RACK 1 2 3 5 13 14 6 7 8 10 CASE SBC-VGA1 적색 녹색 청색 DDC GND H SYNC. WHITE V SYNC.YELLOW 적색 SHIELD GND 녹색 SHIELD GND 청색 SHIELD GND SYNC. GND SHIELD AM03-010873A SM5…

Page
+$1:+$
201
DECAN
S1
Motor IF Board (3/3)
NO. PART NO. PART NAME Q'TY Old No. Supply Supply LT Reference
1 AM03-026604A CABLE ASSY-DECAN_S1 FLAT 1 1
2 AM03-026604A CABLE ASSY-DECAN_S1 FLAT 1 1
3 AM03-026604A CABLE ASSY-DECAN_S1 FLAT 1 1
4 AM03-026603A CABLE ASSY-DECAN_S1 FLAT 2 1

Page
+$1:+$
202
DECAN
S1
Interlock Block Diagram (1/2)
PC RACK
1
2
3
5
13
14
6
7
8
10
CASE
SBC-VGA1
적색
녹색
청색
DDC GND
H SYNC. WHITE
V SYNC.YELLOW
적색 SHIELD GND
녹색 SHIELD GND
청색 SHIELD GND
SYNC. GND
SHIELD
AM03-010873A
SM511_KV003-2
VGA1
F MONITOR
SBC BD
1
2
3
5
13
14
6
7
8
10
CASE
1
2
3
5
13
14
6
7
8
10
CASE
1
2
3
5
13
14
6
7
8
10
CASE
F-MON
적색
녹색
청색
DDC GND
H SYNC. WHITE
V SYNC.YELLOW
SYNC. GND
SHIELD
적색 SHIELD GND
녹색 SHIELD GND
청색 SHIELD GND
VGA
1
2
3
5
13
14
6
7
8
10
CASE
SBC-VGA1
적색
녹색
청색
DDC GND
H SYNC. WHITE
V SYNC.YELLOW
적색 SHIELD GND
녹색 SHIELD GND
청색 SHIELD GND
SYNC. GND
SHIELD
AM03-010874A
SM511_KV003-3
VGA2
R MONITOR
1
2
3
5
13
14
6
7
8
10
CASE
1
2
3
5
13
14
6
7
8
10
CASE
1
2
3
5
13
14
6
7
8
10
CASE
R-MON
적색
녹색
청색
DDC GND
H SYNC. WHITE
V SYNC.YELLOW
SYNC. GND
SHIELD
적색 SHIELD GND
녹색 SHIELD GND
청색 SHIELD GND
VGA
1
2
3
4
-
AM03-000084
USB
USB HUB
1
2
3
4
1
2
3
4
1
2
3
4
-
USB
1
2
3
4
USB-HUB
USB
1
2
3
4
VCC
DATA-
DATA+
GND
AM03-010911A
SM511-PC005
1
2
3
4
1
2
3
4
MOUSE
F-USB
USB
F KEYBOARD &
COVERCOVER COVERCOVER
VCC
DATA-
DATA+
GND
1
2
3
4
USB-HUB
USB
1
2
3
4
VCC
DATA-
DATA+
GND
AM03-011257A
SM511-PC006
1
2
3
4
1
2
3
4
MOUSE
R-USB
USB
R KEYBOARD &
COVERCOVER COVERCOVER
VCC
DATA-
DATA+
GND
-
-
-
-
-
DC PWR
USB HUB DC ADAPTOR
TB1-3C
TB1-8C
AM03-005519A
SM471-PW067
1
2
3
5
4
6

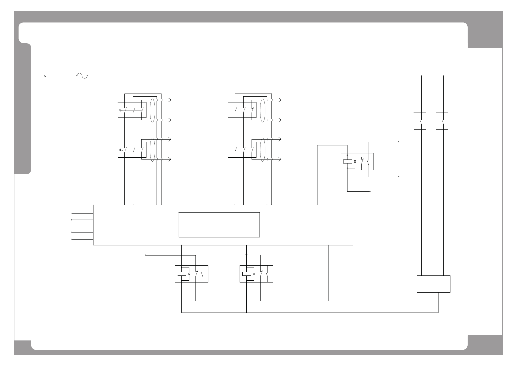
Page
+$1:+$
203
DECAN
S1
Interlock Block Diagram (2/2)
IM1 IM0
21
31
-EM S/W
22
32
(REAR)
-EM S/W
(FRONT)
22
21
32
31
11
12
11
12
EM2
(S/W MONITOR)
(S/W MONITOR)
24G
EM1
(S/W MONITOR)
(S/W MONITOR)
24G
21
31
-DOOR S/W
22
32
(REAR)
-DOOR S/W
(FRONT)
22
21
32
31
REM1
11
12
11
12
RD
(S/W MONITOR)
(S/W MONITOR)
24G
FD
(S/W MONITOR)
(S/W MONITOR)
24G
IM3 IM2
o0
A1
A2
-SERVO READY
-READY OUT
-MC1
A1 21 33
A2 22 34
-MC3
A1 21 33
A2 22 34
o1 i15 i7
T0 T1 T2 T3
24V
0V
TB-21D
IM19
SAFETY PLC OUTPUT MONITOR
RY
A1 11
A2 12 14
(SWITCH)
(S/W SIGNAL)
CANCV CN19
TB-24B
CN18
AM03-027501A
D-S1_SF003
AM03-027501A
D-S1_SF003
AM03-027502A
D-S1_SF004
AM03-027504A
D-S1_SF002
AM03-027503A
D-S1_SF001
AM03-027503A
D-S1_SF001
AM03-027508A
D-S1_SF009
AM03-027508A
D-S1_SF009
AM03-027510A
D-S1_SF010
AM03-027510A
D-S1_SF010
AM03-027509A
D-S1_SF008
AM03-027509A
D-S1_SF008
AM03-027507A
D-S1_SF007
AM03-027507A
D-S1_SF007
AM03-027507A
D-S1_SF007
AM03-027506A
D-S1_SF006
AM03-027506A
D-S1_SF006
AM03-027505A
D-S1_SF005
+24V
SAFETY PLC
PILZ PNOZ_MM0P
FROP CONTROL BD
SF-003
SERVO READY OUT SIGNAL
Magnetic Contact #1 Feedback Magnetic Contact #3 Feedback
TB-21B
TB-22A
TB-23B
TB-24A
-FUSE1
(250V,0.5A)