JX-300LED-Rev02.PDFA - 第106页
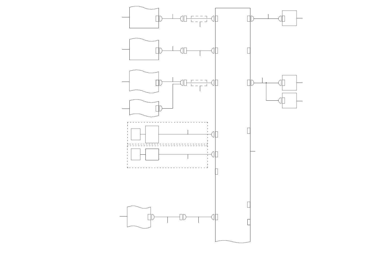
- 10 1 - 5 1 .SY S TE M DI AG RA M (H EA D UN IT ) (1 ) SYSTEM DIAGRAM(HEAD UNIT) (1) OC C1 (L ) OC C2(L) BAD MARK opt ion H M S option 8-4 C 10-2 A 4-2C CN01 8 CN01 8 10 -4A 1 -3C 1-3C 1-3C 1 -4D CN808 C N8 9-1C X Y BEA…

- 100 -
REF.NO NOTE PART NO D E S C R I P T I O N
品 名
Qty
1 400-44535 4AXIS SERVO AMP
4軸一体型サーボアンプ
1
2 401-35377 ZTA ENC CABLE ASM
ZTA ENC 束線組
1
3 401-35378 ZTB ENC CABLE ASM
ZTB ENC 束線組
1
4 401-50021 IEEE1394 BOARD
IEEE 1394ボード
1
5 401-35376 LNC60 ENC CABLE ASM
LNC 60 ENC 束線組
1
6 400-45547 LNC60
LNC 60
1
7 400-44517 1394 ROBOT CABLE ASM
1394ロボットケーブル組
1
8 400-48078 IEEE1394 REPEATER BOARD
IEEE 1394リピータボード
1
9 400-44516 1394 RELAY CABLE ASM
1394中継ケーブル組
1
10 401-34998 ENC RLY PCB ASM
ENC リレー基板組
1

- 101 -
51.SYSTEM DIAGRAM (HEAD UNIT)(1)
SYSTEM DIAGRAM(HEAD UNIT)(1)
OC C1 (L )
OCC2(L)
BAD MARK opt ion
HM S option
8-4 C
10-2A
4-2C
CN018
CN018
10-4A
1-3C
1-3C
1-3C
1-4D
CN808 C N8
9-1C
X Y BEAR CABLES
POWER UNIT(4/6)
CN2 46
X Y BEAR CABLES
X Y BEAR CABLES
CN19
CN13
BAD
MA RK
SEN SOR
AMP
H EIG HT
S ENS OR
AMP
LS4 -5CN 5
CN2CN8 02
X Y BEAR CABLES
CN7
CN20
CN8 09
CN9
CN8 52
CN12(CN52)
LI GH T CTRL PCB(2/2)
CN 479LS2-1CN1
CN805
C N47 8LS 5-4
CN5
IP-X 3R A PCB(3/3)
CN 4
CN4
CN82 3CN3
CN806CN6
SAFETY PCB (2/4)
LS1-7CN7
CN801
CN 245
HEAD MAIN PCB(1/2)
CN 1
I/O CON TROL PC B(2/4)
OCC-C
LIGHT PCB
OCC-A
LIGHT PCB
OCC L
1 4 6
2 2 2
89
2
11
12
14
13 15 16
7
310517
18

- 102 -
REF.NO NOTE PART NO D E S C R I P T I O N
品 名
Qty
1 400-02151 OCC CAMERA CABLE ASM
OCC カメラケーブル組
1
2 400-58385 XY BEAR CABLES ASM
XY ベアケーブル組
1
3 400-01918 LIGHT CTRL PCB ASM.(50)
ライトコントロール基板組(50)
1
4 400-02140 OCC LIGHT CABLE ASM
OCC ライトケーブル組
1
5 401-35753 SAFETY PCB ASM JX-300LED
セーフティ_基板_組_ JX −300 LED
1
6 400-45452 HEAD SP CABLE ASM ヘッド SP ケーブル組 1
7 400-90481 HEAD MAIN PCB ASM
ヘッドメイン基板組
1
8 400-02185 HIGHT SENSOR CABLE ASM
HMS アンプケーブル組
1
9 400-02267 BAD MARK SENSOR ASM
バッドマークセンサ組
1
10 400-01943 I/O CTRL PCB ASM.
I / O CTRL 基板組
1
11 400-45435 HEAD MAIN PWR CABLE ASM
ヘッドメインパワーケーブル組
1
12 400-45453 OCC L CABLE ASM
OCC L ケーブル組
1
13 400-10386 CCD CAMERA
CCD カメラ
1
14 400-45456 OCC LIGHT L CABLE ASM
OCC ライト L ケーブル組
1
15 400-01979 OCC C LIGHT P.C.B ASM
OCC 同軸照明基板組
1
16 400-01959 OCC A LIGHT PCB ASM.
OCC A ライト基板組
1
17 400-52359 IP-X3R ASM A
IP−X3R基板A組
1
18 401-35748 POWER UNIT ST JX-300LED
電源_ユニット_ ST _ JX −300 LED
1