JX-300LED-Rev02.PDFA - 第114页
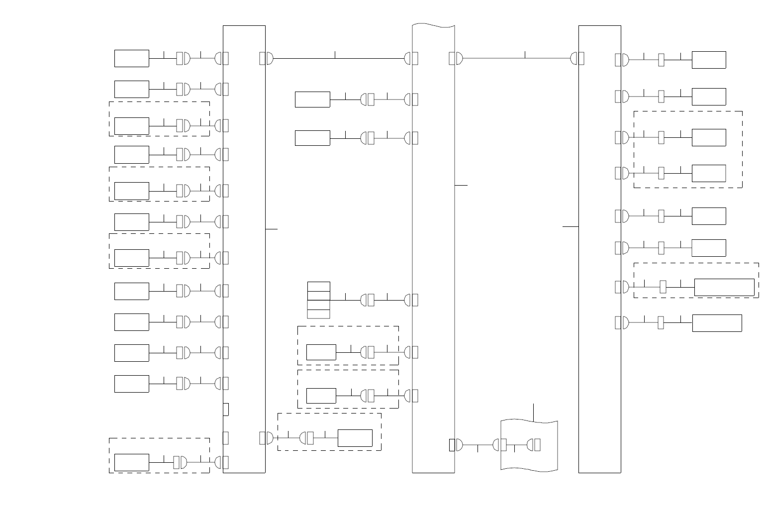
- 10 9 - 5 5 .SY S TE M DI AG RA M (C AR RY U N IT ) SYSTEM DIAGRAM(CARRY UNIT) STOP SENSOR( 1500m) CN 45 3 CN 40 6L CN 6 1500 m m option SU P TA BL E op ti on STOPPER (1500mm) SU P_ TA BL E CLAM P S ENS OR (LF) CLAM P S…

- 108 -
REF.NO NOTE PART NO D E S C R I P T I O N
品 名
Qty
1 400-48075 JOINT MOTOR ASM
ジョイントモータ組
1
2 E9434-729-0A0 WIDTH ADJUST MOTOR ASM.
自動幅調モ−タ組
1
3 400-02100 CENT MOTOR PWR CABLE ASM
CENT モータパワーケーブル組
1
4 401-38560 CENT MOTOR CABLE ASM
CENT モータケーブル組
1
5 400-02094 AWC ENC CABLE ASM
AWC ENC ケーブル組
1
6 400-02176 AWC MOTOR CABLE ASM AWC モータケーブル組 1
7 400-02093 CENT MOTOR PULSE CABLE ASM
CENT モータ PULSE ケーブル組
1
8 400-02096 AWC MOTOR PULSE CABLE ASM
AWC モータ PULSE ケーブル組
1
9 401-37539 CARRY PCB ASM 300LED
キャリー基板組 300 LED
1
10 400-45438 CENT-PM CTRL CABLE ASM
CENT − PM コントロールケーブル組
1
11 400-02078 CRY SAFE CABLE ASM
キャリー安全接続ケーブル組
1
12 400-02075 CRY BASE CABLE ASM
キャリーベース接続ケーブル組
1
13 400-02081 TEMP VAC CABLE ASM
温度圧力センサケーブル組
1
14 400-02179 CAL BLOCK CABLE ASM
キャルブロック基板ケーブル組
1
15 400-02180 CAL VCUM CABLE ASM
キャルバキュームセンサケーブル組
1
16 E8609-721-0A0 CAL BLOCK CIRCUIT BOARD ASM.
CAL ブロック基板組
1
17 400-02125 CAL VCUM SV ASM
CAL バキューム SV 組
1
18 400-02126 CAL VACUUM SENSOR ASSY
CAL バキュームセンサ組
1
19 400-29824 TEMPERATURE SENSOR PCB ASM
温度センサ基板組
1
20 400-29825 BASE TEMP CABLE ASM
ベース温度ケーブル組
1
21 HM-0013200-00 MOTOR DRIVER
モータドライバ
1
22 401-35748 POWER UNIT ST JX-300LED
電源_ユニット_ ST _ JX −300 LED
1
23 HX-0042000-00 5 PHASE STEP DRIVER
5相ステッピングモータドライバ
1
24 401-35753 SAFETY PCB ASM JX-300LED
セーフティ_基板_組_ JX −300 LED
1
25 400-01941 BASE FEEDER PCB ASM.
ベースフィーダ基板組
1

- 109 -
55.SYSTEM DIAGRAM (CARRY UNIT)
SYSTEM DIAGRAM(CARRY UNIT)
STOP
SENSOR( 1500m)
CN 45 3
CN406L
CN6
1500 mm option
SU P TA BL E op ti on
STOPPER
(1500mm)
SU P_ TA BL E
CLAMP SENSOR
(LF)
CLAMP SENSOR
(RF)
BACK UP PIN
SENSOR
(EMISSION)
CN420L
CN 20
CN15
CN19
FEEDER FLOAT
SENSOR(FR)
(EMISSON)
CN 42 7 CN41 8L C N1 8
FEEDER FLOAT
SENSOR(FF)
(RECEIVING)
CN 42 5 CN41 4L C N1 4
CLAMP
SENSOR(LR)
CN 42 1 CN40 7L C N7
STOP
SENSOR(1200m)
CN 45 2 CN40 5L C N5
BACK UP PIN
SENSOR
(RECEIVING)
CN 44 4 CN408L CN8
CLAMP
SENSOR(RR)
CN 42 2 CN409L CN9
CN 44 1 CN416L CN16
CN 44 0 CN417L CN17
CN 43 9 CN404L CN4
OUT SENSOR
RIGHT
CN 43 8
CN403L CN3
IN SENSOR
LEFT
CN 43 7 CN402L CN2
CARRY SE NSOR
RELAY PC B (L)
ST OP PE R
(1 20 0m )
ATC
CL AM P
STOPPER
S .V.
CN 40 1CN 1
AWC option
F EED ER FLO AT
SE NSO R(F F)
(E MIS SIO N)
FEE DER F LOAT
S ENSOR (FR)
(R ECEIV ING)
CN457CN 40 5R
CN 5
CN456CN 40 4R
CN 4
CN450CN 40 3R
CN 3
CN451CN 40 2R
CN 2
C N45 4 CN608 CN8
C N45 5 CN606 CN6
C N61 5 CN6 13 CN 13
C N61 6 CN6 14 CN 14
LS0-15
12 -1 A
2- 2D
XY RELAY PCB(3/5)
CN 15CN15LS0-15
CN637
CN 43 0
CN 4 14R
CN 14
CN 43 2
CN 4 18R
C N18
CN08CN 41 2R
CN12
CN 44 5CN409R
CN9
CAR RY SENSOR
REL AY PCB (R )
CN621 CN421 CN1
CN37
C N67 0 CN612 CN12
CN21CN 62 2 CN 22
CA RRY PC B(2 /2)
1 0-3D
BU DO W N
SENSOR
BU
UP
SENSOR
AT C
OPEN
SENSOR
ATC
CLOSE
SENSOR
MAIN AIR PRESSURE
SENSOR
AU TO WI DT H A DJ UST ME NT
OR IG IN SE NSO R
AWC option
BU TA BL E o pt io n
CN 44 3
1
2
3
4
5
6
7
8
9
10
11
12
13
14
15
16
17
18
19
20
21
22
23
24
25
26
29
30
31
32
35
36
37
38
33
34
44
45
39
40
41
42
43
46
47
48
49
50
51
52
53
54
55
56
57
IN /OU T B UF op tio n
1500mm op tion
I N/ OUT BU F o pt ion
AWC op ti on
27
28
C.OUT
SENSOR(L)
WAIT SENSOR
STOP SENSOR
(L)
27
58
59

- 110 -
REF.NO NOTE PART NO D E S C R I P T I O N
品 名
Qty
1 400-02208 IN_SENS_ASM
インセンサ組
1
2 401-39157 IN SENS CABLE ASM
インセンサ組
1
3 400-02210 OUT SENS ASM
アウトセンサ組
1
4 401-39158 OUT SENS CABLE ASM
アウトセンサ組
1
5 401-37543 WAIT SENSOR ASM
WAIT センサ組
1
6 400-02213 WAIT SENS CABLE ASM
WAIT センサケーブル組
1
7 400-02214 STOP SENS ASM
ストップセンサ組
1
8 400-02215 STOP SENS CABLE ASM
ストップセンサケーブル組
1
9 400-02235 C.OUT SENS ASM
C.OUT センサ組
1
10 400-02236 C.OUT SENS CABLE ASM
C.OUT センサケーブル組
1
11 401-36113 CLAMP SENS RR ASM
クランプセンサ RR 組
1
12 401-36697 CLAMP SENS RR CABLE ASM
クランプセンサ RR ケーブル組
1
13 401-36124 BU PIN RECEIVE SENS ASM
BU ピン受光センサ組
1
14 401-36125 BU PIN RECEIVE SENS CABLE ASM
BU ピン受光センサケーブル組
1
15 401-36104 STOP SENS ASM(1200MM)
ストップセンサ組(1200 MM)
1
16 401-36105 STOP SENS CABLE ASM(1200MM)
ストップセンサケーブル組(1200 MM)
1
17 401-36111 CLAMP SENS LR ASM
クランプセンサ LR 組
1
18 401-36695 CLAMP SENS LR CABLE ASM
クランプセンサ LR ケーブル組
1
19 400-02131 FD-FLOAT(FF)RECEIVE SENS ASM
フィーダ浮きセンサ(FF)受光組
1
20 401-38971 FD-FLOAT(FF) RCV CABLE ASM
フィーダ浮き(FF)受光ケーブル組
1
21 400-02132 FD-FLOAT(FR)SENS ASM
フィーダ浮きセンサ(FR)投光組
1
22 401-38972 FD-FLOAT(FR)CABLE ASM
フィーダ浮き(FR)ケーブル組
1
23 401-36106 STOP SENS ASM(1500MM)
ストップセンサ組(1500 MM)
1
24 401-36107 STOP SENS CABLE ASM(1500MM)
ストップセンサケーブル組(1500 MM)
1
25 401-36110 CLAMP SENS LF ASM
クランプセンサ LF 組
1
26 401-36694 CLAMP SENS LF CABLE ASM
クランプセンサ LF ケーブル組
1
27 400-01964 CARRY SENSOR RELAY PCB ASM.
キャリーセンサ中継基板組
1
28 400-02074 CRY SENSOR(L)CABLE ASM
キャリーセンサー L ケーブル組
1
29 401-36112 CLAMP SENS RF ASM
クランプセンサ RF 組
1
30 401-36696 CLAMP SENS RF CABLE ASM
クランプセンサ RF ケーブル組
1
31 401-36114 CARRY SV WIRE ASM
キャリー SV ワイヤー組
1
32 400-02079 CARRY SV CABLE ASM
キャリー SV ケーブル組
1
33 401-36127 BU PIN EMISSION SENS CABLE ASM
BU ピン投光センサケーブル組
1
34 401-36126 BU PIN EMISSION SENS ASM
BU ピン投光センサ組
1
35 401-36108 SUPPORT TABLE SV CABLE ASM
サポートテーブル SV ケーブル組
1
36 401-37261 SUPPORT TABLE SV RLY 2 CABLE ASM
サポートテーブル SV 中継2ケーブル組
1
37 401-36109 STOP SV CABLE ASM(1500MM)
ストップ SV ケーブル組(1500 MM)
1
38 401-37260 STOP SV RLY CABLE 2 ASM
ストップ SV 中継ケーブル2組
1
39 401-36123 ATC CLOSE SENS CABLE ASM
ATC クローズセンサケーブル組
1
40 401-36122 ATC CLOSE SENS ASM
ATC クローズセンサ組
1
41 401-36121 ATC OPEN SENS CABLE ASM
ATC オープンセンサケーブル組
1
42 401-36120 ATC OPEN SENS ASM
ATC オープンセンサ組
1
43 401-36116 BU UP SENS CABLE ASM
BU アップセンサケーブル組
1
44 400-45439 CARRY PWR CABLE ASM
キャリーパワーケーブル組
1
45 400-44845 XY RELAY PCB ASM CARRY - CN15
ケーブル
1
46 401-36115 BU UP SENS ASM
BU アップセンサ組
1
47 401-36118 BU DOWN SENS CABLE ASM
BU ダウンセンサケーブル組
1
48 401-36117 BU DOWN SENS ASM
BU ダウンセンサ組
1
49 400-02157 FD FLOAT(FF)CABLE ASM
FD フロート FF ケーブル組
1
50 400-02130 FD-FLOAT(FF)SENS ASM
フィーダ浮きセンサ(FF)投光組
1
51 400-02160 FD FLOAT(FR)RCV CABLE ASM
FD フロート FR RCV ケーブル組
1
52 400-02133 FD-FLOAT(FR)RECEIVE SENS ASM
フィーダ浮きセンサ(FR)受光組
1
53 400-02121 AWC ORG CABLE ASM
自動幅調原点ケーブル組
1
54 400-02120 AWC ORG SENS ASM
自動幅調原点センサ組
1
55 400-45500 AIR PRESSURE CABLE ASM
エアプレッサーケーブル組
1
56 400-45499 AIR PRESSURE METER ASM
エアプレッサメーター組
1
57 400-02073 CRY SENSOR(R)CABLE ASM
CRY センサー R ケーブル組
1
58 401-37539 CARRY PCB ASM 300LED
キャリー基板組 300 LED
1
59 400-44557 XY RELAY PCB ASM
XY リレー基板組
1