JX-300LED-Rev02.PDFA - 第82页
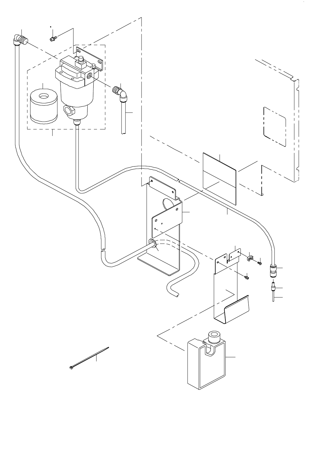
- 77 - 39. MA IN LINE FI LTE R COMP O N ENT S メインラインフィルタ関係 15 14 16 17 7 8 13 11 9 6 18 5 12 19 3 2 1 4 10 19

- 76 -
NOTE( 注記 ) #01....FOR ST ST 用
#02....FOR JE JE 用
#03....FOR CH CH 用
REF.NO NOTE PART NO D E S C R I P T I O N
品 名
Qty
1 400-27209 FCS PWB ASM(FOR FCS)
FCS ガラス基板組
1
2 400-11454 GLASS PWB(FOR MNVC)
ガラスジグ基板(MNVC)
(1)
3 400-18223 JIG PWB BASE(FOR CHIP)
治具基板ベース(チップ)
(1)
4 400-27196 DRAWING PAPER
色画用紙(黒)
(1)
5 400-34082 FCS POSITIONING SEAL
FCS ポジショニングシール
1
6 400-20304 FCS JIG CHIP B
FCS 治具チップ B
2
7 400-27147 SILICON SHEET
シリコンシート
96
8 E2101-998-000 JIG NOZZLE A (V001)
治具ノズル A(V 001)
1
9 400-27210 FCS CARRYING CASE
FCS キャリングケース
1
10 400-66810 INNER PACKAGE A
インナーパッケージ A
1
11 400-66811 INNER PACKAGE B
インナーパッケージ B
1
12 400-27198 MENDING TAPE
メンディングテープ
1
13 400-27316 FCS JIF CHIP CASE
FCS 治具チップケース
1
14 400-27312 FCS JIG CHIP HOLDER
FCS 治具チップホルダ
(1)
15 400-27313 INNER A
インナー A
(2)
16 400-27314 INNER B
インナー B
(1)
17 400-27315 INNER C
インナー C
(2)
18 400-27410 INNER D
インナー D
(1)
19 400-11453 CAL PIECE G
CAL ピース G
2
20
#01
400-56878 FCS OPERATION MANUAL(ST)
FCS 操作マニュアル(ST)
1
21
#02
400-56879 FCS OPERATION MANUAL(JE)
FCS 操作マニュアル(JE)
1
22
#03
400-56880 FCS OPERATION MANUAL(CH)
FCS 操作マニュアル(CH)
1
23 400-01344 NOZZLE ASSEMBLY 506
ノズルアッセンブリ506
1
24 400-66812 CUSHION A
クッション A
1
25 400-66813 CUSHION B
クッション B
1
26 400-27235 TRAYSEE
めがね拭き
1
27 400-46647 JIG NOZZLE LNC
治具ノズル LNC
1

- 77 -
39.MAIN LINE FILTER COMPONENTS
メインラインフィルタ関係
15
14
16
17
7
8
13
11
9
6
18
5
12
19
3
2
1
4
10
19

- 78 -
NOTE( 注記 ) #01....MTS IS INSTALLED MTS 装着時
REF.NO NOTE PART NO D E S C R I P T I O N
品 名
Qty
1 PF-0154010-A0 AIR FILTER
エアフィルター
1
2 PF-9010070-00 FILTER ELEMENT
フィルターエレメント
(1)
3 BT-1200801-EF TUBE
チュ−ブ
2
4
#01
SL-6061692-TN BOLT
座金付き六角穴ボルト
2
5 400-16815 DRAIN TANK
ドレインタンク
1
6 BT-1000651-EB POLYURETHANE TUBE
ポリウレタン チュ−ブ
0.8
7 PJ-3031000-02 STRAIGHT
ストレート
1
8 PJ-3090400-03 REDUCER 4-10
レジューサ φ 4ー φ 10
1
9 BT-0400251-EA TUBE HOSE, BLUE
ウレタンホ−ス 青
0.16
10 SL-6082092-TN BOLT
座金付き六角穴ボルト
2
11 400-55291 FILTER BRACKET
フィルタブラケット
1
12
#01
HX-0005500-0J RUBBER BUSHING
ゴムブッシュ
1
13 E1387-700-000 HOD MAGNET
HOD マグネット
2
14 400-55290 DRAIN TANK STAY
ドレインタンクステイ
1
15
#01
SL-6040892-TN BOLT
座金付き六角穴ボルト
2
16 HX-0029400-00 FIXED BASE
固定ベース
1
17 SM-4040601-SC SCREW M4X0.7 L=6
なべ小ねじ M 4 X 0.7 L =6
1
18 EA-9500B01-00 CABLE BAND
束線バンド
1
19 PJ-3041254-01 ELBOW UNION D=12
エルボユニオン φ 12
2