JX-300LED-Rev02.PDFA - 第93页
- 88 - REF .NO N OTE PART NO D E S C R I P T I O N 品 名 Q ty 1 4 01 -3 59 4 8 IN _O U T _B UF F E R_ L R _A S M IN / OUT バッファ LR 組 1 2 401-35490 W AIT_ SENSO R_BR ウェイトセンサブラケット (1) 3 E 21 69-7 21- 0 00 H OLD PL ATE ホールドプレー…

- 87 -
44.IN/OUT BUFFER COMPONENTS
IN / OUT バッファ関係
7
6
2
4
23
25
5
11
3
19
8
1
18
24
16
29
17
21
9
22
20
10
13
14
12
26
28
27
15
30

- 88 -
REF.NO NOTE PART NO D E S C R I P T I O N
品 名
Qty
1 401-35948 IN_OUT_BUFFER_LR_ASM
IN / OUT バッファ LR 組
1
2 401-35490 WAIT_SENSOR_BR
ウェイトセンサブラケット
(1)
3 E2169-721-000 HOLD PLATE
ホールドプレート
(1)
4 SL-6041292-TN SCREW
座金付き六角穴ボルト
(2)
5 SL-4031091-SC SCREW M3 L=10
座金付きなべ小ねじ M 3 L =10
(2)
6 EA-9500B00-00 CABLE BAND
結束バンド 60
(19)
7 400-02235 C.OUT SENS ASM
シーアウトセンサ組
(1)
8 SM-4031001-SN SCREW
なべ小ねじ M 3 X 0.5 L =10
(1)
9 SM-4030501-SC SCREW M3X0.5 L=5
なべ小ねじ M 3 X 0.5 L =5
(1)
10 400-65488 BU PIN SENSOR DOG
BU ピンセンサドグ
(1)
11 401-37543 WAIT SENSOR ASM
ウェイトセンサ組
(1)
12 401-13944 RAIL_SUPPORT_L
レールサポート L
(1)
13 SL-6041092-TN SCREW
座金付き六角穴ボルト
(2)
14 SL-6051092-TN BOLT
座金付き六角穴ボルト
(2)
15 401-36311 IN_OUT_BUFFER_RL_ASM
IN / OUT バッファ RL 組
1
16 SL-4031091-SC SCREW M3 L=10
座金付きなべ小ねじ M 3 L =10
(2)
17 EA-9500B00-00 CABLE BAND
結束バンド 60
(19)
18 400-02235 C.OUT SENS ASM
シーアウトセンサ組
(1)
19 SM-4031001-SN SCREW
なべ小ねじ M 3 X 0.5 L =10
(1)
20 400-65488 BU PIN SENSOR DOG
BU ピンセンサドグ
(1)
21 401-37543 WAIT SENSOR ASM
ウェイトセンサ組
(1)
22 SM-4030501-SC SCREW M3X0.5 L=5
なべ小ねじ M 3 X 0.5 L =5
(1)
23 401-35490 WAIT_SENSOR_BR
ウェイトセンサブラケット
(1)
24 E2169-721-000 HOLD PLATE
ホールドプレート
(1)
25 SL-6041292-TN SCREW
座金付き六角穴ボルト
(2)
26 401-13944 RAIL_SUPPORT_L
レールサポート L
(1)
27 SL-6041092-TN SCREW
座金付き六角穴ボルト
(2)
28 SL-6051092-TN BOLT
座金付き六角穴ボルト
(2)
29 E1143-721-000 WOOLEN CLOTH PAPER
搬送カバーラシャペーパ(CE)
(1)
30 E1143-721-000 WOOLEN CLOTH PAPER
搬送カバーラシャペーパ(CE)
(1)

- 89 -
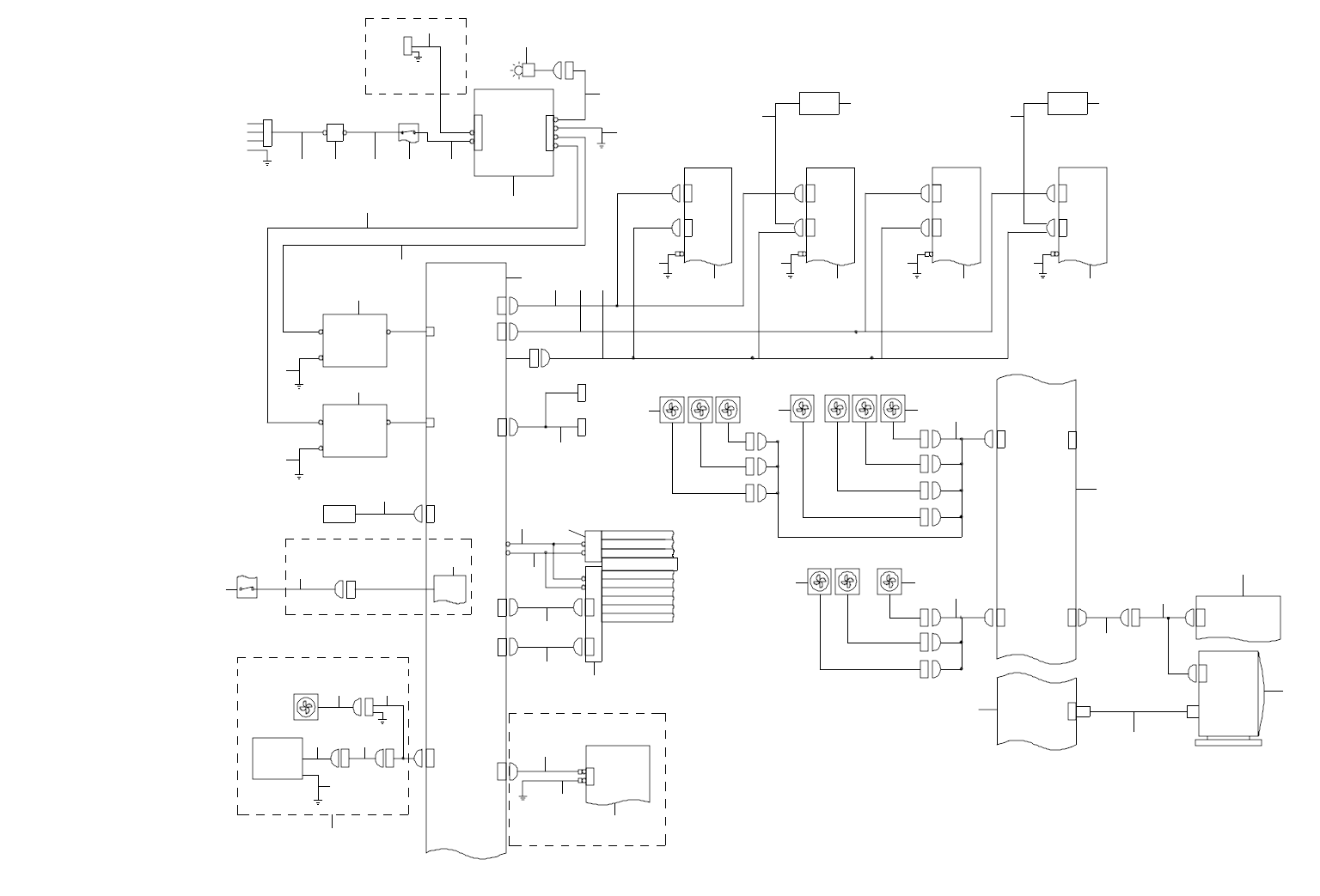
45.SYSTEM DIAGRAM (POWER UNIT)
SYSTEM DIAGRAM(POWER UNIT)
7-1 A
1-3 C
LS5-3
CN3
IN
V CS( OC S)
MON IT OR
F-LCD
PWR
DC12V
CN015
1 5-4 A
FRONT LC D
M ONITOR(1 /2)
CN0 15
FAN_L2
FAN _L1
FAN_YL
PWR30
CN 030
FAN_R1
FAN_R2
FAN_R3
FAN_YR
F AN_ CN 1
FA N_ C N2
AWC option
VACUUM PUMP OPTION
MT S o ptio n
CN 06 9
C& N KH2 0B T10 3/ 17
4-2A
6-4B(1/2)
FG
FG
IEEE 1394 BOARD
CN0 14
PWR29
CN1 3 C N13
VACUUM PUMP
C N080
CN 06 8
10-2C
CN00 5
AW C D RI VE R( 1/2 )
F6E
TB
R8E
MT S P WR (L )
CN 06
C N06 0
PW R
LAMP
2-3C
XR
X R SE RV O
AMP(1/4)
MR-J3-70B-RJ024
F2E
E
CN P2
C NP1
(1/4) 9- 2A
(1/4)
(1/4)
(1/2)
(1/3)
(1/2)
(1/3)
(1/5)
2- 2A
7-1A
7-1B
7-1B
1-4D
2-3A
1 4-2 A
2-3D2-3B
2-3C
14 -2 B
1- 2A
1-1 C
1-2D
1-4B
R5E
CPU
OUT MOTER
DRIVER
12-4C
CN0 31C N031 CN655 (R)
IN MOTER
DRIVER
12-4B
CN655 (L)
CPCI BACK
BOA RD
TB 2
TB1
BASE-FEEDER
XY RELAY
LIGHT CTRL
I/ O CT RL
SAFETY
IP -X 3R A
B US -BR ID GE
P OS ITI ON BO AR D
YR
YR SERVO
AM P( 1/ 4)
MR -J 3- 20 0B- RJ 02 4
F3E
E
CNP2
CNP 1
XL
XL SERVO
AMP(1/4)
MR-J3-70B-RJ024
F4E
E
CNP2
CNP 1
CN001
CN0 5
MAIN
SW(2/ 2)
TB 2
AC200V
INPUT
YL
FA N_ C N3
YL SERVO
AM P( 1/ 4)
MR -J 3- 200 B- RJ 00 24
POWER UNIT(1/6)
CN027
CN024
CN010
POWER UNIT(2/ 6)
CN 02 9
HOURMETER C N010
CN2
CN 1
REMORT SW
U PS (1/ 2)
CN27
CN24
F5E
E
CNP2
CN P1
C N09 9
C N002
TB1
CN096
R7E
TF 2( AC TRANS )
R6E
TF1 (DC TR ANS)
AC INPUT UNIT
TB1
MAIN
SW(1/ 2)
NFB1
30A
PE
FG
L3
L2
L1
F-LCD
MONI
PW R
IP -X3 R A PCB( 2/3 )
UPS o ptio n
1
2
3
4
5
6
9
8
10
11
12
13
14 16
15 17
18
20
19
22
33
35
37
36
32
34
21
23
24
25
26
3130
27
28
29
39
40
42
44
45
47
48
REG 1
MR- RB 12
38
46
49
44
55
47
46
56
REG 2
MR- RB 12
57
57
57
57
57
CONTROL UNIT TOP FAN
BASE FAN R
BASE FAN L YR MOTOR FAN
YR MOTOR FAN
51 52
41
7
53
43
50
58
54
21