JX-350-Rev03 - 第103页
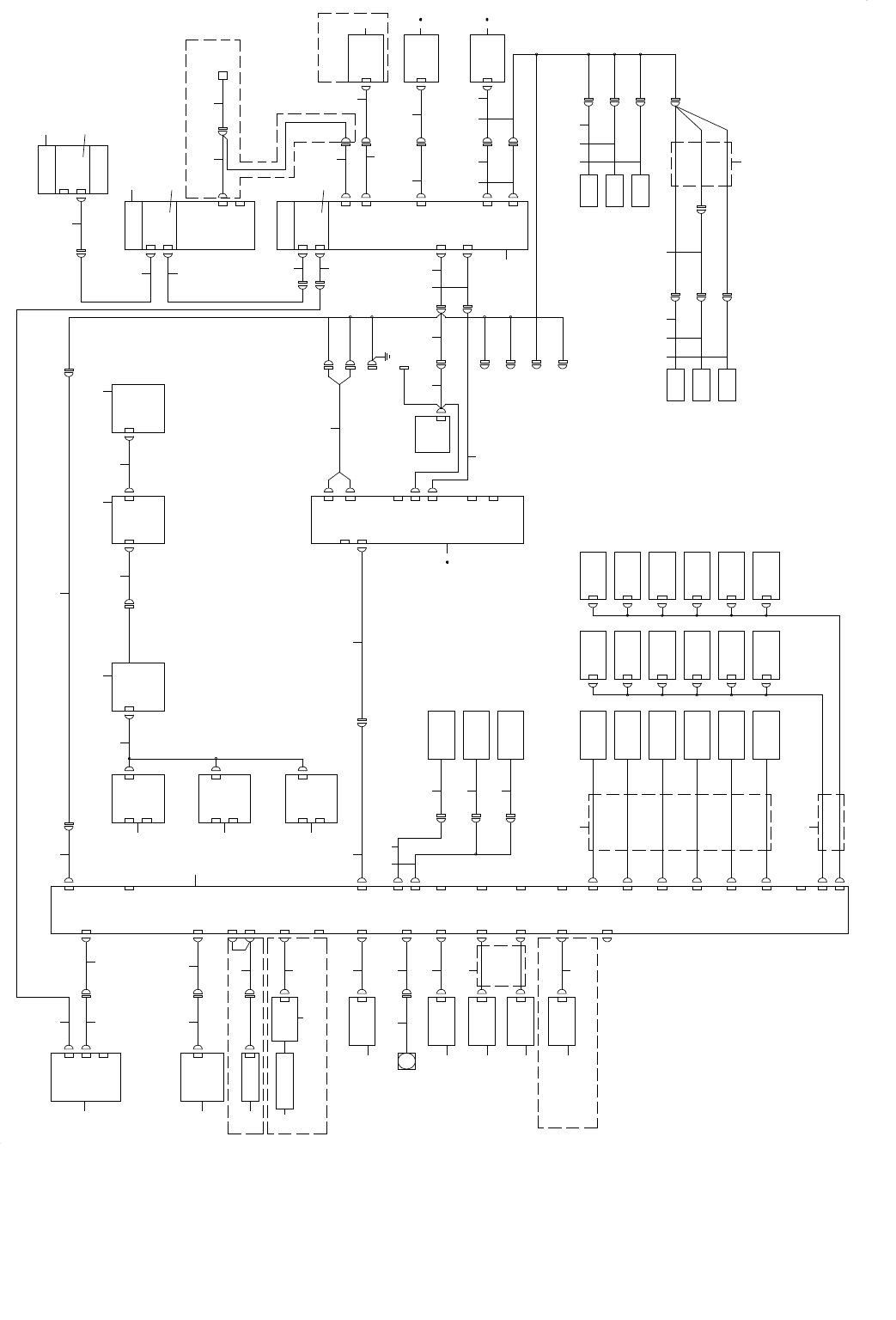
- 98 - NOTE( 注記 ) #01....FOR EN EN 用 REF.NO NOTE P ART NO D E S C R I P T I O N 品 名 Qty 1 401-49647 ETHER-MAIN PCB ASM イーサメイン基板組 1 2 401-47903 ETHER C ABLE MAIN -XY ASM イーサ束線メイン−XY 組 1 3 401-479 04 ETH ER HEAD CABLE ASM …

- 97 -
49. SYSTEM DIAGRAM (2)
SYSTEM DIAGRAM(2)
1
4
32
5
6
7
4
9 12
8
10
11
14 16 18 20 23
15
13 17 19 21 21
4
24
26
4
32
36
37
38 39 40
41 42
28
30
35
43
44
45
46
47
57 58
59
60
63
67
71
72
68
64
61
55
54
73
73
73
51
25 25 25
27
29
31
33 34
49 52
5250
53
56
52
62 65 66 69 70
22
75
73
73
74
48
FEEDER PCB(1/2)
ETHER
SLAVE
PCB
3-2A
EN2
EN1
ES F
BASE I/O PCB(1/2)
MTS I/F
4-2A
CN2
CN1
ETHER
SLAVE
PCB
EN2
EN1
(MTS OPTION)
ETHER
SLAVE
PCB
EN2
EN1
XY-RELAY PCB(2/3)
1-3A
CN5
CN33
CN7
CN16
CN10
CN9
CN4
4-5A
XY01
XY02
XY04
XY08
XY05
I/F R
(COM PORT OPTION)
8-PORT
COM BOARD
SI02
4-4C
OPERATION
PCB (F)
CN14
3-4A
OPERATION
PCB (R)
CN14
3-4B
CN1239
CN1247
CN1241
CN1223
Y -LIMIT
SENSOR
Y+LINIT
SENSOR
YNEAR
SENSOR
CN127
XNEAR
X+LIM
X-LIM
X -LIMIT
SENSOR
X +LINIT
SENSOR
XNEAR
SENSOR
FULX RLY
COPLA LA
LED R
LED F
SAFE IO
XY03
XY10
ION I/O
SAFTY
UNIT(EN)
CN901
XYEN2
XYEN2
PUMP-IO
CN064
HEAD IO
IEEE1394
BOARD
CH1
IEEE1394a
REPEATER
CH1CH2
LNC60
POWER UNIT(3/5)
1-3B
CN68
CN064
CN32
CN20
CN17
CN26
CN19
CN61
CN62
3-3B
Z1 BLW SV
Z2 BLW SV
Z3 BL W SV
Z4 BLW SV
Z5 BLW SV
Z6 BLW SV
NOZZLE UP
SV ASM
NOZZLE DOWN
SENSOR L
NOZZLE DOWN
SENSOR R
Z1
PRESSURE
SENSOR
Z2
PRESSURE
SENSOR
Z3
PRESSURE
SENSOR
Z4
PRESSURE
SENSOR
Z5
PRESSURE
SENSOR
Z6
PRESSURE
SENSOR
Z1 VAC SV
Z2 VAC SV
Z3 VAC SV
Z4 VAC SV
Z5 VAC SV
Z6 VAC SV
CN201
NZ DWN1
NZ DWN2
CN5
4AXIS SERVO AMP(3)
CN4B
CN4D
1-5C
CN5
1-5B
CN4D
CN4B
4AXIS SERVO AMP(2)
4AXIS SERVO AMP(1)
CN5
1-5A
CN4D
CN4B
CN245
S-HEAD MAIN
PCB ASM
CN15
EN1
CN19
CN2
CN33
CN32
CN14
CN20
CN1
LNC60
CN13
CN23
CN12
CN16
CN28
CN1
CN31
CN6CN9
CN7
CN10
CN11
CN8
CN35
CN27
CN36
CN37
CN38
CN39
CN40
CN41
CN25
CN26
(SOLDER REC OPTION)
OCC A LIGHT
PCB ASM
LIGHT-A2
LIGHT-A1
LIGHT-C
OCCL
OCC CAMERA
OCC C LIGHT
PCB ASM
OCC A LIGHT
PCB ASM
FAN
TEMPERATURE
SENSOR PWB ASM
AMP
BAD MARK
SENSOR
(HMS OPTION)
HMS
SENSOR
AC3
4-1D
IP-X7 PCB(1/2)
CN478
HMS
CN813
EN2
EN1
EN3
ETHER MAIN PCB

- 98 -
NOTE( 注記 ) #01....FOR EN EN 用
REF.NO NOTE PART NO D E S C R I P T I O N
品 名
Qty
1 401-49647 ETHER-MAIN PCB ASM
イーサメイン基板組
1
2 401-47903 ETHER CABLE MAIN-XY ASM
イーサ束線メイン−XY組
1
3 401-47904 ETHER HEAD CABLE ASM
イーサヘッド束線組
1
4 401-46388 XY BEAR CABLES ASM
XY ベアケーブル組
1
5 401-30259 S-HEAD MAIN PCB ASM
Sヘッドメイン基板組
1
6 400-71300 IPX7 ASM
IPX7組図
1
7 401-46374 OCC CABLE ASM
OCCケーブル組
1
8 401-46354 HMS CABLE ASM
HMSケーブル組
1
9 401-46355 HIGHT SENSOR RELAY CABLE ASM
ハイトセンサ中継ケーブル組
1
10 HD-0013100-30 FIBER UNIT
ファイバユニット
1
11 HD-0026400-00 SENSOR
センサ
1
12 400-47981 BAD MARK FIBER AMP ASM
バッドマークファイバアンプ組
1
13 401-28883 THERMAL SENSOR PCB ASM
サーマルセンサ基板組
1
14 401-46370 HDM-TMP SENSOR CABLE ASM
HDM−TMP センサケーブル組
1
15 401-19461 HEAD FAN MOTOR A ASSY
頭部ファンモータA組
1
16 401-46385 HEAD FAN RELAY CABLE ASM
ヘッドファン中継ケーブル組
1
17 400-48028 OCC CAMERA
OCCカメラ
1
18 400-92466 OCC CAMERA L CABLE ASM
OCCカメラLケーブル組
1
19 400-47512 OCC C LIGHT PCB ASM
OCC C ライト基板組
1
20 401-09978 OCC LIGHT 3010 CABLE ASM
OCCライト3010ケーブル組
1
21 400-47508 OCC A LIGHT PCB ASM
OCC A ライト基板組
1
22 401-46380 Y BEAR CABLES ASM
Y ベアケーブル組
1
23 400-92470 OCC A2 LIGHT CABLE ASM
OCC A2 ライトケーブル組
1
24 401-09976 HEAD I/O CABLE ASM
ヘッド I/O ケーブル組
1
25 401-29650 4AXIS INTEGRAL TYPE T AXIS DRIVER
4軸一体型T軸ドライバ
1
26 401-46398 LNC60 I/F CABLE ASM
LNC60 I/F ケーブル組
1
27 400-45547 LNC60
レーザセンサ
1
28 400-44517 1394 ROBOT CABLE ASM
1394ロボットケーブル組
1
29 400-44518 IEEE1394 REPEATER BOARD
IEEE1394リピータボード
1
30 401-13617 1394 RELAY CABLE ASM
1394中継ケーブル組
1
31 401-50021 IEEE1394 BOARD
IEEE1394 ボード
1
32 401-09974 HEAD MAIN PWR CABLE ASM
HEAD MAIN 電源ケーブル組
1
33 401-49489 POWER SUPPLY UNIT 10 ASM
電源ユニット10組
1
34
#01
401-49490 POWER SUPPLY UNIT 10 (EN) ASM
電源ユニット10(EN)組
1
35 401-46433 SERV/PMP CTRL CABLE ASM
SERV/PMP コントロールケーブル組
1
36 401-46401 NOZZLE UP SV RELAY CABLE ASM
ノズルアップSV中継ケーブル組
1
37 401-46413 NOZZLE DOWN CABLE ASM
ノズルダウンケーブル組
1
38 401-29113 NZL-UP SV CABLE ASM
NZL−UP SVケーブル組
1
39 400-92495 NOZZLE DOWN SENS L ASM
ノズルダウンセンサ Lケーブル組
1
40 401-13701 NOZZLE DOWN SENS R ASM
ノズルダウンセンサ Rケーブル組
1
41 401-58238 VAC SENS CABLE ASM(6AXIS)
VAC センサケーブル組(6軸)
1
42 401-58236 VAC SV CABLE ASM(6AXIS)
VAC SV ケーブル組(6軸)
1
43 401-13640 SAFETY U 901 CABLE ASM(EN)
セーフティ U 901 ケーブル組(EN)
1
44 401-46389 XY-RELAY I/O CABLE ASM
XY−RELAY I/O ケーブル組
1
45 401-09960 XY-RELAY PWR CABLE ASM
XY−RELAY 電源ケーブル組
1
46 400-97616 XY-RELAY I/O REALY CABLE ASM
XY−RELAY I/O中継ケーブル組
1
47 401-13690 XY-RELAY PWR RELAY CABLE ASM
XY−RELAY パワー中継ケーブル組
1
48 401-47905 ETHER CABLE FEEDER LR-RF ASM
イーサ束線フィーダLR−RF組
1
49 400-47560 FEEDER PCB ASM
フィーダ基板組
1
50 400-71680 BASE IO PCB ASM
ベースIO基板組
1
51 401-47906 ETHER CABLE BASE FEEDER ASM
イーサ束線ベースフィーダ組
1
52 400-47557 ETHER-SLAVE PCB ASM
ETHER−SLAVE基板組
1
53 401-47901 ETHER CABLE XY BASE ASM
イーサ束線XYベース組
1
54 401-61263 MTS IF CABLE ASM(R)
MTS IF ケーブル組(R)
1
55 401-10050 MTC MTS I/F BR CABLE ASM
MTC MTS I/F ブラケットケーブル組
1
56 401-06795 S-XY RELAY PCB ASM
S−XYリレー基板組
1
57 401-47900 ETHER CABLE XY BASE RELAY ASM
イーサ束線XYベース中継組
1
58 401-47902 ETHER CABLE MAIN-XY RELAY ASM
イーサ束線メイン−XY中継組
1
59 401-13688 XY MTC MTS CABLE ASM
XY MTC MTS ケーブル組
1
60 401-13691 XY-RELAY HOD 232C RELAY CABLE ASM
XY−RELAY HOD 232C 中継ケーブル組
1
61 401-46372 XY-RELAY HOD 232C CABLE ASM
XY−RELAY HOD 232C ケーブル組
1
62 401-35433 8-PORT COM BOARD
8−PORT COM ボード
1
63 400-97619 XY-RELAY OPERATION RELAY CABLE ASM
XY−RELAYオペレーションリレーケーブル組
1
64 401-10068 OPERATION RLY CABLE F ASM
オペレーション電源ケーブル組(F)
1
65 401-48273 OPERATION PCB FRONT10 PCB ASM
オペレーション基板 フロント10組
1
66
#01
401-48277 OPERATION PCB FRONT10 ASM(EN)
オペレーション基板 フロント10組(EN)
1
67 400-97620 XY-RELAY OPERATION RELAY CABLE ASM
XY−RELAYオペレーションリレーケーブル組
1
68 401-10069 OPERATION RLY CABLE R ASM
オペレーション電源ケーブル組(R)
1
69 401-48275 OPERATION PCB REAR10 ASM
オペレーション基板 リア10組
1
70
#01
401-48279 OPERATION PCB REAR10 ASM(EN)
オペレーション基板 リア10組(EN)
1
71 401-13689 XY-RELAY SENSOR RELAY CABLE ASM
XY−RELAY センサ中継ケーブル組
1
72 401-46403 XY-RELAY SENSOR CABLE ASM
XY−RELAY センサケーブル組
1
73 401-65028 XY LMT SENSOR ASM
XY LMT センサ組
1
74 401-29002 NEAR SENSOR CABLE ASM
ニアセンサケーブル組
1
75 401-46404 X PLUS SENSOR RELAY CABLE ASM
X プラスセンサ中継ケーブル組
1

- 99 -
50. SYSTEM DIAGRAM (3)
SYSTEM DIAGRAM(3)
㸦㹄㹎㹇ࠉ㹍㹎㹒㹇㹍㹌㸧
㹁㹌㸵
㸦㹄㹐㹍㹌㹒ࠉ㹄㹇㹖㹃㹂ࠉ㹃㹊㹃㹁ࠉ㹄㹃㹃㹂㹃㹐ࠉ㹍㹎㹒㹇㹍㹌㸧
㹁㹌㸲
㸯
㸴
㸵
㸵
㸯㸮
㸯㸯
㸱
㸲 㸷
㸶
㸯㸱
㸯㸲
㸯㸴
㸯㸶
㸯㸵
㸯㸷
㸯㸳
㸰㸯
㸰㸰
㸰㸳 㸰㸴
㸱㸮
㸱㸱
㸱㸰
㸰㸷
㸱㸴
㸱㸵 㸱㸶 㸱㸷
㸲㸱
㸱㸲
㸰㸷
㸲㸵
㸲㸶
㸲㸷
㸱㸲
㸵㸵
㸲㸵
㸱㸯 㸳㸮
㸲㸳
㸳㸷 㸴㸮
㸴㸰 㸴㸲 㸴㸵
㸵㸮 㸵㸯
㸵㸱
㸴㸯
㸴㸰
㸵㸳
㸵㸲 㸵㸴
㸴㸳 㸴㸴
㸳㸶
㸴㸱
㸳㸴 㸳㸵
㸴㸶 㸴㸷
㸰㸵
㸲㸯
㸲㸰
㸰㸵
㸰㸲 㸰㸲
㸳㸰
㸳㸯
㸳㸱 㸳㸲 㸳㸳
㸳
㸰㸲
㸰㸲
㸲㸮
㸰
㸴㸱
㸰㸱
㸰㸮
㸯㸮
㸯㸮
㸯㸮
㸯㸰
㸯㸰
㸯㸰
㸯㸰
㸯㸮
㸯㸮
㸯㸮
㸯㸮
㸯㸰
㸯㸰
㸯㸰
㸯㸰
㸱㸳
㸱㸳
㸰㸶 㸲㸴
㸲㸲
㸳㸰 㸳㸰㸳㸰 㸳㸰㸳㸰 㸳㸰㸳㸰
㸳㸶
㸴㸯
㸵㸰
㹃㹋㹅ࠉ㹑㹕㹝㹄
㹁㹍㹔㹃㹐ࠉ㹍㹎㹃㹌ࠉ㹑㹕㸦㹄㸧
㹁㹍㹔㹃㹐㸦㹄㸧ࠉ㹊㹍㹁㹉ࠉ㹑㹔
㹍㹎㹃㹐㸿㹒㹇㹍㹌ࠉ㹎㹁㹀㸦㹄㸧ࠉ㸦㸰㸭㸰㸧
㸰㸫㸳㹁
㹁㹌㸯㸰
㹁㹌㸶
㹁㹌㸰㸱
㹁㹌㸵
㹁㹌㸰㸰
㹁㹌㸯㸳
㹁㹌㸰㸯
㹁㹌㸰㸲
㹁㹌㸯㸵
㹁㹌㸯㸱
㹆㹍㹂ࠉ㹀㹍㹖
㸦㹆㹍㹂ࠉ㹍㹎㹒㹇㹍㹌㸧
㹆㹍㹂
㹁㹌㸷㸮㸰
㸦㹒㹍ࠉ㹑㸿㹄㹃㹒㹗ࠉ㹓㹌㹇㹒㸧
㸦㹃㹌ࠉ㹑㹎㹃㹁㸧
㹁㹌㸯
㹑㹕㸵
㹑㹕㸯
㹑㹕㸰
㹑㹕㸱
㹑㹕㸲
㹑㹕㸳
㹑㹕㸴
㹋㸿㹇㹌㹒㸿㹇㹌ࠉ㹉㹃㹗
㹑㹒㹍㹎
㹑㹒㸿㹐㹒
㹍㹎㹃㹐㸿㹒㹇㹍㹌ࠉ㹎㹁㹀㸦㹐㸧ࠉ㸦㸰㸭㸰㸧
㹁㹌㸯㸰
㹁㹌㸶
㹁㹌㸶
㹁㹌㸰㸱
㹁㹌㸵
㹁㹌㸰㸰
㹁㹌㸯㸳
㹁㹌㸯㸵
㹁㹌㸰㸮
㹁㹌㸯㸮
㹁㹌㸯㸱
㹁㹌㸯
㹑㹕㸳
㹑㹕㸲
㹑㹕㸰
㹑㹕㸯
㸰㸫㸳㹁
㹃㹋㹅ࠉ㹑㹕㹝㹐
㹁㹍㹔㹃㹐ࠉ㹍㹎㹃㹌ࠉ㹑㹕㸦㹐㸧
㹁㹍㹔㹃㹐ࠉ㹍㹎㹃㹌ࠉ㹑㹕㸦㹐㸧
㹁㹍㹔㹃㹐㸦㹐㸧ࠉ㹊㹍㹁㹉ࠉ㹑㹔
㸦㹐㹃㸿㹐ࠉ㹑㸿㹄㹃㹒㹗ࠉ㹁㹍㹔㹃㹐ࠉ㹍㹎㹒㹇㹍㹌㸧
㹑㹇㹅㹌㸿㹊ࠉ㹊㹇㹅㹆㹒
㹁㹌㸷㸮㸱
㸦㹒㹍ࠉ㹑㸿㹄㹃㹒㹗ࠉ㹓㹌㹇㹒㸧
㸦㹐㹃㸿㹐ࠉ㹑㸿㹄㹃㹒㹗ࠉ㹁㹍㹔㹃㹐ࠉ㹍㹎㹒㹇㹍㹌ࠉ㸦㹃㹌㸧㸧
㹀㸿㹌㹉ࠉ㹎㹁㹀㸦㹄㸧
㹁㹌㸴
㹁㹌㸳
㹁㹌㸶
㹁㹌㸵
㹁㹌㸷
㹁㹌㸯㸮
㹁㹌㸱
㹁㹌㸰
㹁㹌㸱㸵㸮
㹀㹉㸫㹄㹐
㹀㹉㸫㹄㹊
㹁㹌㸱
㹎㹍㹕㹃㹐ࠉ㹓㹌㹇㹒㸦㸲㸭㸳㸧㹃㹒㹄ࠉ㹎㹍㹕㹃㹐ࠉ㹓㹌㹇㹒
㸯㸫㸯㹀
㸰㸫㸱㹀
㹁㹌㸰㸲
㹁㹌㸴㸳
㹁㹌㸱㸮
㹁㹌㸱㸯
㹁㹌㸴㸴
㹁㹌㸰㸳
㹁㹌㸰㸱
㹁㹌㸴㸷
㹁㹌㸴㸵
㹁㹌㸵㸮
㹁㹌㸱㸳㸯
㹁㸿㹊㹐
㹁㹌㸱㸳㸯
㸲㸫㸲㸿
㹐㹊㹗㸮㸱
㹁㹌㸱㸳㸱
㹁㹌㸱
㹂㹐㹇㹔㹃ࠉ㹁㹗㹊㹇㹌㹂㹃㹐ࠉ㸿㹑㹑㹗
㹂㹐㹇㹔㹃ࠉ㹁㹗㹊㹇㹌㹂㹃㹐ࠉ㸿㹑㹑㹗
㹀㸿㹌㹉ࠉ㹎㹁㹀㸦㹐㸧
㹁㹌㸵
㹁㹌㸰
㹁㹌㸶
㹁㹌㸳
㹁㹌㸴
㹁㹌㸷
㹁㹌㸯㸮
㹁㹌㸱
㹁㹌㸱㸵㸮
㹁㹌㸱㸳㸱
㹀㹉㸫㹐㹊
㹀㹉㸫㹐㹐
㹁㹌㸲
㸦㹐㹃㸿㹐ࠉ㹋㹃㹁㹆㸿ࠉ㹄㹃㹃㹂㹃㹐ࠉ㹍㹎㹒㹇㹍㹌㸧
㹂㹐㹇㹔㹃ࠉ㹁㹗㹊㹇㹌㹂㹃㹐ࠉ㸿㹑㹑㹗
㸦㹐㹃㸿㹐ࠉ㹄㹇㹖㹃㹂ࠉ㹃㹊㹃㹁ࠉ㹄㹃㹃㹂㹃㹐ࠉ㹍㹎㹒㹇㹍㹌㸧
㹂㹐㹇㹔㹃ࠉ㹁㹗㹊㹇㹌㹂㹃㹐ࠉ㸿㹑㹑㹗
㹊㹃㹂ࠉ㹎㹁㹀㸦㹄㸫㹊㹊㸧
㹊㹃㹂ࠉ㹎㹁㹀㸦㹄㸫㹊㹐㸧
㹊㹃㹂ࠉ㹎㹁㹀㸦㹄㸫㹐㹊㸧
㹊㹃㹂ࠉ㹎㹁㹀㸦㹄㸫㹐㹐㸧
㹊㹃㹂ࠉ㹎㹁㹀㸦㹐㸫㹐㹐㸧
㹊㹃㹂ࠉ㹎㹁㹀㸦㹐㸫㹐㹊㸧
㹊㹃㹂ࠉ㹎㹁㹀㸦㹐㸫㹊㹐㸧
㹊㹃㹂ࠉ㹎㹁㹀㸦㹐㸫㹊㹊㸧
㹁㹌㸯㸶
㹁㹌㸯㸵
㹁㹌㸯㸴
㹁㹌㸯㸳
㹁㹌㸰㸱
㹁㹌㸰㸲
㹁㹌㸵
㹁㹌㸶
㹁㹌㸲
㹁㹌㸰㸯
㹁㹌㸲
㹁㹌㸰㸵
㹁㹌㸰㸶
㹁㹌㸱㸮
㹁㹌㸱㸯
㹁㹌㸯
㹁㹌㸱
㹁㹌㸱
㹁㹌㸯㸷
㹁㹌㸳
㹁㹌㸯㸷
㹁㹌㸰㸮
㸰㸫㸳㸿
㹄㹃㹃㹂㹃㹐ࠉ
㹎㹁㹀㸦㸰㸭㸰㸧
㹁㸿㹊㹄
㹁㸿㹊ࠉ㹎㹁㹀
㹁㹌㸰
㹁㹌㸯
㹁㹌㸴㸴㸷
㹁㹌㸯㸮㸶㸶
㹁㹌㸯㸮㸶㸵
㹁㹌㸯㸱㸰㸱
㹁㹌㸯㸱㸱㸮
㹁㹌㸲㸯㸶
㹁㹌㸯㸱㸱㸱
㹁㹌㸯㸱㸰㸳
㸿㹒㹁ࠉ㹑㸬㹔㸬
㹁㹌㸯㸱㸰㸷
㹁㹌㸯㸱㸰㸲
㹁㹌㸯㸱㸱㸯
㹁㹌㸯㸱㸰㸵
㹁㹌㸰㸯
㹁㹌㸯㸱㸰㸱
㹁㹌㸯㸱㸱㸮
㹁㹌㸲㸰㸷
㹁㹌㸲㸰㸴
㹁㹌㸯㸱㸱㸱
㹁㹌㸯㸱㸰㸳
㹁㹌㸯㸱㸰㸷
㹁㹌㸯㸱㸰㸲
㹁㹌㸯㸱㸱㸯
㹁㹌㸯㸱㸰㸵
㹁㹓㹒ࠉ㹄
㹁㹓㹒ࠉ㹐
㸿㹇㹐ࠉ
㹑㹃㹌㹑㹍㹐
㹃㸫㹁㹓㹒㹒㹃㹐
㹃㸫㹁㹓㹒㹒㹃㹐
㹁㹌㸯㸲㸱㸳
㹁㹌㸯㸱㸱㸳
㸿㹇㹐㸦㹎㸧ࠉ㹑㹃㹌㹑㹍㹐
㸿㹇㹐㸦㹌㸧ࠉ㹑㹃㹌㹑㹍㹐
㹃㹁㹓㹒㹒㹃㹐㸦㹐㸧
㹃㹁㹓㹒㹒㹃㹐㸦㹄㸧
㸦㹃㹊㹃㹁ࠉ㹁㹓㹒㹒㹃㹐ࠉ㹍㹎㹒㹇㹍㹌㸧
㹃㹊㹃㹁ࠉ㹄㹃㹃㹂ࠉ㹂㹃㹒
㹑㹃㹌㸦㹐㹊㸧㸦㹃㹋㹇㸧
㸦㹃㹊㹃㹁ࠉ㹄㹃㹃㹂㹃㹐ࠉ㹍㹎㹒㹇㹍㹌㸧
㹄㹃㹃㹂㹃㹐ࠉ㹄㹊㹍㸿㹒ࠉ
㹑㹃㹌㹑㸦㹐㹊㸧㸦㹃㹋㹇㸧
㹄㹃㹃㹂㹃㹐ࠉ㹄㹊㹍㸿㹒
㹑㹃㹌㹑㸦㹐㹐㸧㸦㹃㹋㹇㸧
㹁㸿㹊ࠉ㹑㸬㹔
㹃㹊㹃㹁ࠉ㹄㹃㹃㹂ࠉ㹄㹊㹍㸿㹒ࠉ
㹑㹃㹌㹑㸦㹐㹊㸧㸦㹐㹃㹁㸧
㹃㹊㹃㹁ࠉ㹄㹃㹃㹂ࠉ㹂㹃㹒ࠉ
㹑㹃㹌㹑㸦㹐㹐㸧㸦㹐㹃㹁㸧
㸦㹃㹊㹃㹁ࠉ㹄㹃㹃㹂㹃㹐ࠉ㹍㹎㹒㹇㹍㹌㸧
㹃㹊㹃㹁ࠉ㹄㹃㹃㹂ࠉ㹄㹊㹍㸿㹒
㹑㹃㹌㹑㸦㹐㹐㸧㸦㹃㹋㹇㸧
㸿㹒㹁ࠉ㹁㹊㹍㹑㹃ࠉ㹑㹃㹌㹑
㹁㸿㹊ࠉ㹔㸿㹁㹓㹓㹋ࠉ
㹑㹃㹌㹑㹍㹐
㸿㹒㹁ࠉ㹍㹎㹃㹌ࠉ㹑㹃㹌㹑
㹄㹃㹃㹂㹃㹐ࠉ㹄㹊㹍㸿㹒ࠉ
㹑㹃㹌㹑㸦㹄㹐㸧㸦㹐㹃㹁㸧
㹄㹃㹃㹂㹃㹐ࠉ㹄㹊㹍㸿㹒
㹑㹃㹌㹑㸦㹄㹊㸧㸦㹐㹃㹁㸧
㸦㹃㹊㹃㹁ࠉ㹄㹃㹃㹂㹃㹐ࠉ㹍㹎㹒㹇㹍㹌㸭㹋㹒㹑ࠉ㹍㹎㹒㹇㹍㹌㸧
㹀㸿㹌㹉ࠉ㹓㹎ࠉ
㹑㹕ࠉ㸦㹄㸧
㸦㹃㹊㹃㹁ࠉ㹄㹃㹃㹂㹃㹐ࠉ㹍㹎㹒㹇㹍㹌㸧
㹃㹊㹃㹁ࠉ㹄㹃㹃㹂ࠉ㹂㹃㹒ࠉ
㹑㹃㹌㹑㸦㹄㹐㸧㸦㹐㹃㹁㸧
㹃㹊㹃㹁ࠉ㹄㹃㹃㹂ࠉ㹄㹊㹍㸿㹒ࠉ
㹑㹃㹌㹑㸦㹄㹊㸧㸦㹐㹃㹁㸧
㸿㹒㹁ࠉ㹑㸬㹔
㹄㹃㹃㹂㹃㹐ࠉ㹄㹊㹍㸿㹒
㹑㹃㹌㹑㸦㹄㹊㸧㸦㹃㹋㹇㸧
㹄㹃㹃㹂㹃㹐ࠉ㹄㹊㹍㸿㹒ࠉ
㹑㹃㹌㹑㸦㹄㹐㸧㸦㹃㹋㹇㸧
㸦㹃㹊㹃㹁ࠉ㹄㹃㹃㹂㹃㹐ࠉ㹍㹎㹒㹇㹍㹌㸧
㹃㹊㹃㹁ࠉ㹄㹃㹃㹂ࠉ㹄㹊㹍㸿㹒
㹑㹃㹌㹑㸦㹄㹐㸧㸦㹃㹋㹇㸧
㹃㹊㹃㹁ࠉ㹄㹃㹃㹂ࠉ㹄㹊㹍㸿㹒
㹑㹃㹌㹑㸦㹄㹊㸧㸦㹃㹋㹇㸧
㸦㹐㹃㸿㹐ࠉ㹄㹃㹃㹂㹃㹐ࠉ㹍㹎㹒㹇㹍㹌㸧
㹄㹃㹃㹂㹃㹐ࠉ㹄㹊㹍㸿㹒ࠉ
㹑㹃㹌㹑㸦㹐㹊㸧㸦㹐㹃㹁㸧
㹄㹃㹃㹂㹃㹐ࠉ㹄㹊㹍㸿㹒
㹑㹃㹌㹑㸦㹐㹐㸧㸦㹐㹃㹁㸧
㸦㹃㹊㹃㹁ࠉ㹄㹃㹃㹂㹃㹐ࠉ㹍㹎㹒㹇㹍㹌㸭㹋㹒㹑ࠉ㹍㹎㹒㹇㹍㹌㸧
㹀㸿㹌㹉ࠉ㹓㹎ࠉ
㹑㹕ࠉ㸦㹐㸧
㹁㹌㸲㸱
㹁㹌㸲㸯
㹎㹁㹀ࠉ㸿㹑㹋ࠉ㹔㸰㸦㹄㸧
㹃㹊㹃㹁ࠉ㹀㸿㹌㹉ࠉ㸯㸮
㹁㹌㸲㸱
㹁㹌㸲㸯
㹎㹁㹀ࠉ㸿㹑㹋ࠉ㹔㸰㸦㹐㸧
㹃㹊㹃㹁ࠉ㹀㸿㹌㹉ࠉ㸯㸮
㸵㸶
㸵㸷 㸵㸷
㸵㸶