文档中心
/
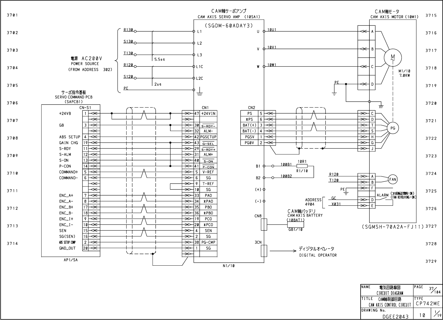
Schmtic_CP742ME_09
Schmtic_CP742ME_09 - 第42页
在线预览 Schmtic_CP742ME_09 PDF 文档。
目录
100%
显示:宽度
宽度
1 / 242
回到旧版
旧版
?
该页面需要启用 JavaScript 才能进行交互式预览。