BM221 Parts list(Mechanical20140224) - 第428页
ヘット ゙部(カ メラ専用 部(□10) ) HEAD S ECT.(CAMERA EX CLUSIVE SECT .(10 FIELD )) 47 FN610013922AA_01 M397

PART No.
イラスト
No.
REF
No.
PART NAME
REMARKS
Q'TY
47
ヘッド部(S軸部)
HEAD SECT.(S-AXIS SECT.)
部 品 名 品 番 個数
備 考
R
1
R
2
1 N610013920AA
HEAD DRIVING UNIT ヘット
゙クドウユニット
1
302 108620913401
BRACKET ブラケット
2
303 N210095774AA
PULLEY プーリー
1305 108620930505
PLATE フ
゚レート
1306 108620913602
BRACKET ブラケット
1
308 108620907603
BRACKET ブラケット
1
310 108620915902
BRACKET ブラケット
1311 108620931103
BRACKET フ
゙ラケット
1313 108620913303
COVER カハ
゙ー
1
314 108620931401
BRACKET ブラケット
1324 108620932402
BRACKET ブラケット
1325 108620939001
BRACKET フ
゙ラケット
1
343 108620934301
MIRROR ミラー
1
344 108620934401
MIRROR ミラー
1345 1086209345
GUIDE ガイド
1346 108620934601
COVER カハ
゙ー
1
347 108620934701
CLAMP クランプ
1
350 N210024182AA
HOLDER ホルダ
1351 N210096763AA
HOLDER ホルダ
1352 1086209352
DOG FOR SENSOR ト
゙グ
1
353 108620935301
LINEAR MOTION UNIT リニアモーションユニット
1
354 108620935401
LINEAR MOTION UNIT リニアモーションユニット
HC-KFS13 S
1
N301
N606HCKFS13
MOTOR モータ
SFC-020DA-T015
1
N302
N644SFC0-197
COUPLING カッフ
゚リング
WSSB10-6-3
1
N303
N986WSSB1063
WASHER ザガネ
F606ZZ
4
N304
KXF020KAA00
BALL BEARING ボール ベアリング
6,STEEL,P.C
4
N305
XUB6FP
RETAINING RING C-TYPE,SHAFT C カ
゙タジクヨウトメワ
CBS6-20
6
N307
N986CBS620
BOLT ボルト
M4X10-45H A2S (Trival
1
N308
N510018365AA
HEX. SOCKET SET SCREW ロッカクアナツキトメネジ
P923S1
1
N309
N310P923S1
SENSOR センサ
687-3GT-20
1
N310
N6416873GT20
BELT ヘ
゙ルト
07-30-038-0-16-060.30
1
N312
N9860730-R33
FLEXIBLE DUCT フレキシブルダクト
M3X5-4.8 A2S (Trivale
4
N313
N510018157AA
FLUSH HEAD SCREW サラコネジ
636872-09
1
N314
N610122595AA
SCALE スケール
647288-01
1
N315
N510045424AA
SCALE スケール
No.2 3 S A2S (Trivale
4
N320
N510018328AA
SPRING WASHER バネザガネ
No.2 6 S A2S (Trivale
6
N321
N510018335AA
SPRING WASHER バネザガネ
6 10H A2S (Trivalent)
6
N322
N510018502AA
ROUND PLAIN WASHER ミカ
゙キマルヒラザガネ
CBS3-8
4
N324
N986CBS38
HEX. SOCKET HEAD CAP BOLT ロッカクアナツキホ
゙ルト
M3X8-10.9 A2S (Trival
4
N325
N510017342AA
HEX. SOCKET HEAD CAP BOLT ロッカクアナツキボルト
3 10H A2J (Trivalent)
4
N326
N510018478AA
ROUND PLAIN WASHER コガタマルヒラザガネ
M396
FN610013920AA_02_A

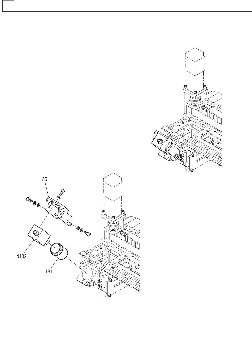
ヘッド部(カメラ専用部(□10))
HEAD SECT.(CAMERA EXCLUSIVE SECT.(10 FIELD))
47
FN610013922AA_01
M397

PART No.
イラスト
No.
REF
No.
PART NAME
REMARKS
Q'TY
47
ヘッド部(カメラ専用部(□10))
HEAD SECT.(CAMERA EXCLUSIVE SECT.(10 FIELD))
部 品 名 品 番 個数 備 考
R
1
R
2
1 N610013922AA
CAMERA UNIT カメラユニット
1
181 108620912401
LENS(CAMERA) レンズ(カメラ)
1
183 N210024181AA
BRACKET ブラケット
CS8550DI-10 S
1
N182
N510023800AA
CAMERA カメラ
M398
FN610013922AA_01