文档中心
/
2RGKFW005400
2RGKFW005400 - 第2页
在线预览 2RGKFW005400 PDF 文档。
目录
100%
显示:宽度
宽度
1 / 35
回到旧版
旧版
?
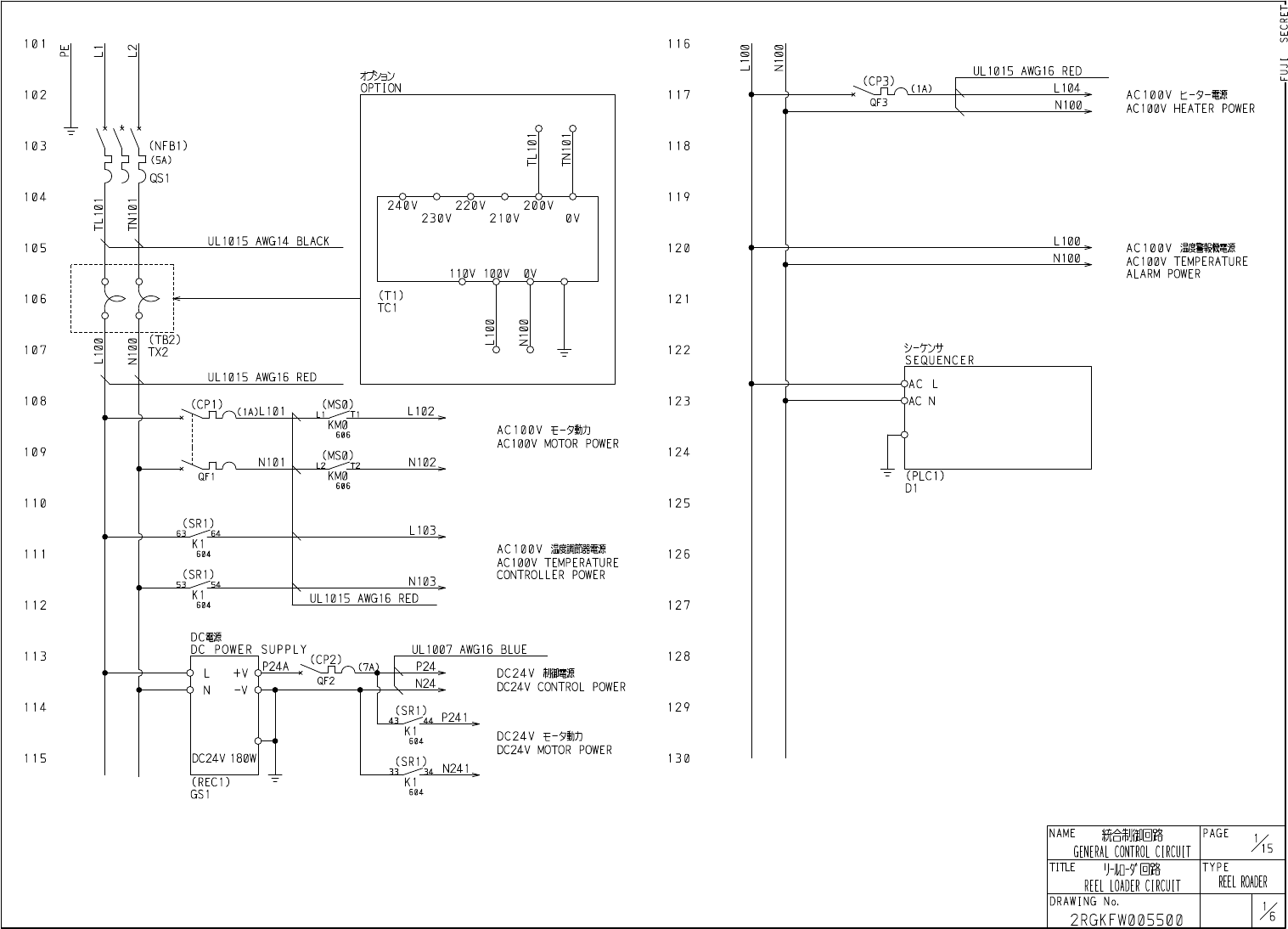
ELECTRICAL
SCHEMA
TIC
電 気 回 路 線 図
リ
ール
ロー
ダ
リ
ール
ロー
ダ
リ
ール
ロー
ダ
リ
ール
ロー
ダ
ー
ー
ー
ー
RE
EL
LO
AD
ER
RE
EL
LO
AD
ER
RE
EL
LO
AD
ER
RE
EL
LO
AD
ER
Dr
a
wing number 2RGKFW005400
该页面需要启用 JavaScript 才能进行交互式预览。