JM-100_维修调整作业书 - 第150页
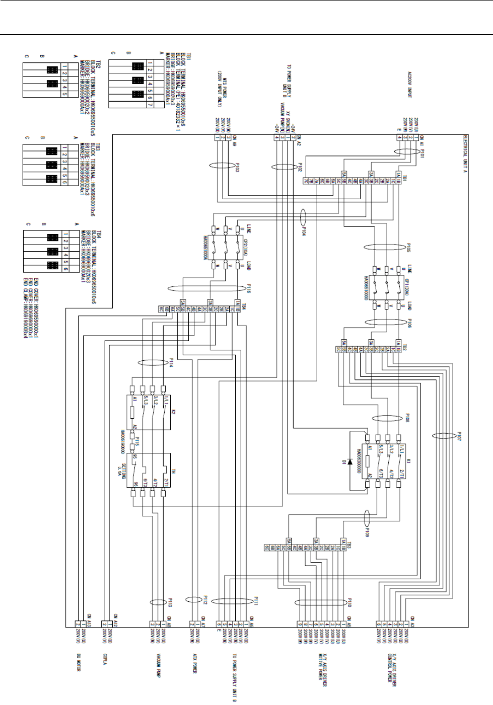
维修调整要领书 11 - 5 图 1 1-2-1-1-4 PSU A WIRI NG DIAGRAM [ST]

维修调整要领书
11-4
表 11-2-1-1-1 电气装置单元 A (ST) <零件清单>
No.
JUKI 品号 零件名 零件数 位置 备注
1 HA006510000 CIRCUIT PROTECTOR (3OA) 1 CP1
2 HA00651000A CIRCUIT PROTECTOR (10A) 1 CP2
3 HA006300000 MAGNETIC CONTACTOR 1 K1
4 HA006190000 MAGNETIC CONTACTOR 1 K2&TH
5
6
7
8
9
10
11

维修调整要领书
11-5
图 11-2-1-1-4 PSU A WIRING DIAGRAM [ST]

维修调整要领书
11-6
11-2-1-2 电气装置单元 A (EN) 构成
图 11-2-1-2-3 电气装置单元 A (EN) 的外观图
图 11-2-1-2-2 电气装置单元 A (EN) 的正面图图 11-2-1-2-1 电气装置单元 A (EN) 的外观
1
2
3
4
5
5
6 7