JM-100_维修调整作业书 - 第162页
维修调整要领书 1 1-17 表 1 1-2-2-2-1 电气装置单元 B (EN) <零件清单> No. JUKI 品号 零件名 零件数 位置 备注 1 HA00650000A CIRCUIT PROTECTO R (20A) 3 CP3, CP6, CP7 2 HA006500000 CIRCUIT PROTECT OR (30A) 1 CP4 3 HA00542000B CIRCUIT PROTECT OR (8A) 1 CP5 …

维修调整要领书
11-16
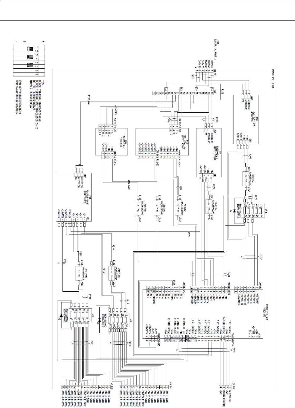
图 11-2-2-2-4 电气装置单元 B (EN)
4 3
1
1
9
6
8
7
2
11
10

维修调整要领书
11-17
表 11-2-2-2-1 电气装置单元 B (EN) <零件清单>
No.
JUKI 品号 零件名 零件数 位置 备注
1 HA00650000A CIRCUIT PROTECTOR (20A) 3 CP3, CP6, CP7
2 HA006500000 CIRCUIT PROTECTOR (30A) 1 CP4
3 HA00542000B CIRCUIT PROTECTOR (8A) 1 CP5
4 HB00128000C RELAY 3 RL1, RL2, RL3
5 40128877 POWER PCB ASM 1
6 40182378 POWER SUPPLY 1 PS3
7 HX006920000 POWER SUPPLY 1 PS4
8 HX007180000 POWER SUPPLY 1 PS1
9 HX007190000 POWER SUPPLY 1 PS2
10 40187862 POWER SUPPLY 1 PS5
11 HA00542000J CIRCUIT PROTECTOR (2A) 2 CP8, CP9

维修调整要领书
11-18
图 11-2-2-2-5 PSU B WIRING DIAGRAM [EN]