JM-100_维修调整作业书 - 第169页
维修调整要领书 1 1-24 11-2-3-2 电气装置单元 C (EN) 构成 表 1 1-2-3-2-1 电气装置单元 C (EN) <零件清单> No. JUKI 品号 零件名 零件数 位置 备注 1 HA00651000E CIRCUIT PROTECT OR (25A) 1 CP13 2 HA00650000B CIRCUIT PROTECT OR (5A) 1 CP14 3 HA00651000A CIRCUIT PROTE…

维修调整要领书
11-23
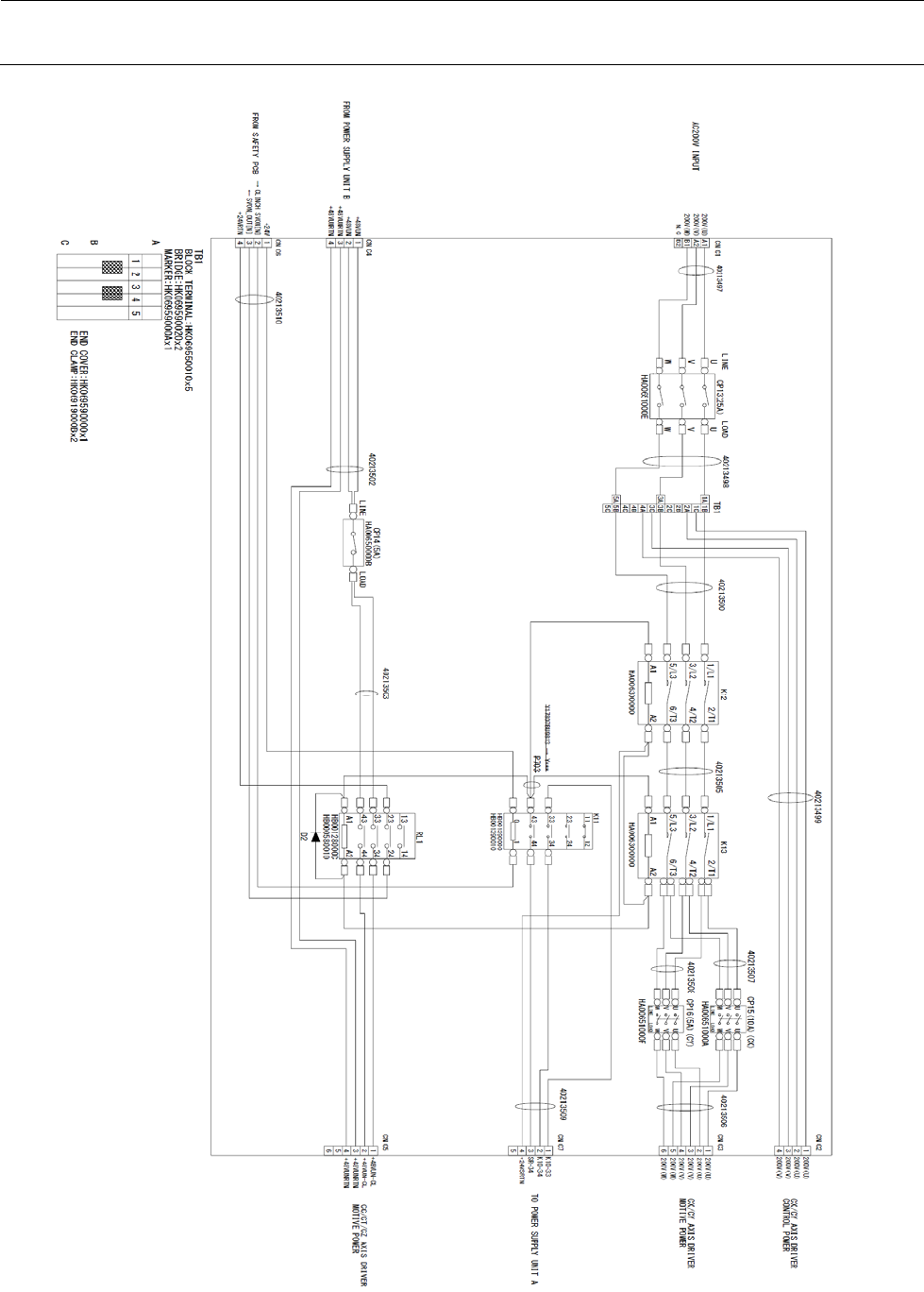
图 11-2-3-1-4 PSU C WIRING DIAGRAM [ST]

维修调整要领书
11-24
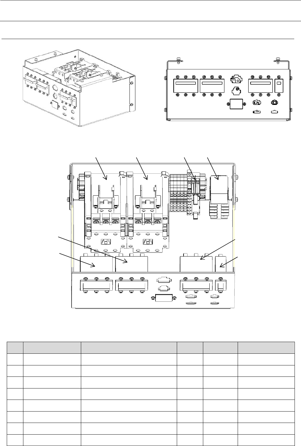
11-2-3-2 电气装置单元 C (EN) 构成
表 11-2-3-2-1 电气装置单元 C (EN) <零件清单>
No.
JUKI 品号 零件名 零件数 位置 备注
1 HA00651000E CIRCUIT PROTECTOR (25A) 1 CP13
2 HA00650000B CIRCUIT PROTECTOR (5A) 1 CP14
3 HA00651000A CIRCUIT PROTECTOR (10A) 1 CP15
4 HA00651000F CIRCUIT PROTECTOR (5A) 1 CP16
5 HA006300000 MAGNETIC CONTACTOR 1 K12
6 HA006300000 MAGNETIC CONTACTOR 1 K13
7 HB001390000 RELAY 1 K11
8 HB00128000C RELAY 1 RL1
图 11-2-3-2-3 电气装置单元 C (EN) 的外观图
图 11-2-3-2-2 电气装置单元 C (EN) 的正面图图 11-2-3-2-1 电气装置单元 C (EN) 的外观
1
2
4
3
5
6 7 8

维修调整要领书
11-25
图 11-2-3-2-4 PSU C WIRING DIAGRAM [EN]