P-198-001e - 第137页
MODEL TCM-3600J-2 0109-001 135 Key No. P AR T No. P AR T NAME Q’ ty REMARKS NOTE 6-4 1 630 066 1 170 PLA TE 4 703J--01B-080 2 630 066 1354 HOLDER 4 703J--01B-086 3 630 064 3442 GUIDE,SLIDE 4 703J--01H-141 4 41 1 141 9003…

MODEL TCM-3600J-2
0109-001
134
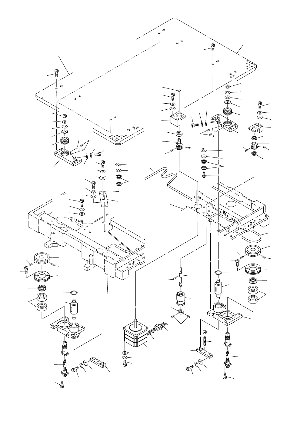
㨄㨅࠹ࡉ࡞ㇱ XY TABLE SECTION
Fig. 6-4 ࡃ࠶ࠢࠕ࠶ࡊࡌࠬਅㇱ Back-up Base Leveller
See Fig.6-3
See Fig.6-3
Key No.1
See Fig.6-3
Key No.51
See Fig.6-3
Key No.51
1
17
16
15
See Fig.6-3
See Fig.6-3
Key No.1
14
14
2
4
3
5
6
7
8
9
10
11
11
11
11
18
28
27
27
26
26
24
19
20
21
21
12
23
22
1
17
17
16
16
15
15
14
2
4
3
5
6
7
8
9
10
11
11
11
18
28
27
26
24
24
19
19
20
21
13
23
22
38
25
38
55
54
53
51
52
56
56
50-1
50-1
50
29
29
29
29
60
59
58
57
57
34
34
33
33
32
32
31
31
31-1
37
31-1
35
39
39
36
40
41
41
64
63
63
62
61
61
68
67
67
66
68
67
67
65
69
69
30-1
30-1
30-2
30-2
30-3
30-3
47
49
48
120
121
46
46
Fig.6-4
TCM-3600J-2
TCM-3500Z-2

MODEL TCM-3600J-2
0109-001
135
Key No. PART No. PART NAME Q’ty REMARKS
NOTE
6-4
1 630 066 1170 PLATE 4 703J--01B-080
2 630 066 1354 HOLDER 4 703J--01B-086
3 630 064 3442 GUIDE,SLIDE 4 703J--01H-141
4 411 141 9003 RING C 21 4 703J--01H-149
5 630 064 3435 BALL SCREW 4 703J--01H-140
6 630 064 6801 BEARING,RADIAL 8 703J--01H-138
7 630 064 6122 DISK 4 703J--01B-084
8 630 066 1316 DISK 4 703J--01B-085
9 630 000 7640 BOLT,HEX-SCT 16 M4X14
10 630 065 8897 PULLEY,TIMING 4 703J--01H-134
11 630 000 8890 SET SCREW 8 M3X6 SET
12 630 064 6115 DISK 3 703J--01B-082
13 630 064 6108 DISK 1 703J--01B-081
14 630 064 6818 SPRING 4 703J--01H-142
15 411 141 4008 WASHER V 4X9X0.8 4 FW4
16 411 141 2905 WASHER SPR 4 4 SW4
17 411 141 0307 NUT HEX 4 4 M4
18 630 000 7503 BOLT,HEX-SCT 16 M3X6
19 411 141 4008 WASHER V 4X9X0.8 4 FW4
20 411 141 2905 WASHER SPR 4 4 SW4
21 630 000 7657 BOLT,HEX-SCT 4 M4X16
22 630 032 1814 SHEET 8 703J--01B-051
23 630 000 8920 SET SCREW 8 M4X6 SET
24 630 064 5750 PLATE 4 703J--01B-087
25 630 064 6825 MECH PARTS 1 703J--01H-143
26 411 141 3902 WASHER V 3X7X0.5 4 FW3
27 411 141 2806 WASHER SPR 3 4 SW3
28 630 000 7541 BOLT,HEX-SCT 4 M3X14
29 630 000 7640 BOLT,HEX-SCT 16 M4X14
30 -1 411 141 2905 WASHER SPR 4 16 SW4
30 -2 411 141 4008 WASHER V 4X9X0.8 16 FW4
30 -3 630 000 7657 BOLT,HEX-SCT 16 M4X16
31 630 064 5590 HOLDER 1 703J--01B-095
31 -1 630 001 1388 BEARING,RADIAL 2 703J--01H-042
32 411 141 4008 WASHER V 4X9X0.8 2 FW4
33 411 141 2905 WASHER SPR 4 2 SW4
34 630 000 7664 BOLT,HEX-SCT 2 M4X20
35 630 066 1163 SHAFT 1 703J--01B-096
36 630 059 5888 PIN,GUIDE 1 703J--01B-043
37 630 059 6755 PULLEY,TIMING 1 703J--01H-135
38 630 000 8883 SET SCREW 2 M3X4 SET
39 630 059 6823 CLUTCH/BRAKE 1 703J--01H-044
40 630 064 6061 COLLAR 1 703J--01B-098
41 630 000 8883 SET SCREW 2 M3X4 SET
46 630 064 6788 MOTOR,STEPPING 1 PM104(BPC), #103H7121-0440
703J--01H-132
47 411 141 4008 WASHER V 4X9X0.8 4 FW4
48 411 141 2905 WASHER SPR 4 4 SW4
49 630 000 7640 BOLT,HEX-SCT 4 M4X14
50 630 064 5606 HOLDER 1 703J--01B-099

MODEL TCM-3600J-2
0109-001
136
Key No. PART No. PART NAME Q’ty REMARKS
NOTE
6-4
50 -1 630 006 9433 BEARING,RADIAL 1 703J--01H-137
51 630 064 6436 PULLEY,TIMING 1 703J--01H-133
52 630 008 1985 RING 1 703J--01H-150
53 411 141 4008 WASHER V 4X9X0.8 2 FW4
54 411 141 2905 WASHER SPR 4 2 SW4
55 630 000 7664 BOLT,HEX-SCT 2 M4X20
56 630 000 8883 SET SCREW 2 M3X4 SET
57 630 064 6153 SHAFT 4 703J--01B-093
58 630 001 1388 BEARING,RADIAL 8 703J--01H-042
59 411 141 4008 WASHER V 4X9X0.8 4 FW4
60 411 000 9809 RING E 3 4 703J--01H-049
61 630 064 6160 SHAFT 1 703J--01B-094
62 630 001 1388 BEARING,RADIAL 2 703J--01H-042
63 411 141 4008 WASHER V 4X9X0.8 1 FW4
64 411 000 9809 RING E 3 1 703J--01H-049
65 630 001 0213 WASHER 1 703J--01H-128
66 411 141 4008 WASHER V 4X9X0.8 1 FW4
67 411 141 2905 WASHER SPR 4 2 SW4
68 630 000 7633 BOLT,HEX-SCT 2 M4X12
69 630 064 6795 BELT,TIMING 1 703J--01H-136
120 630 076 1870 ASSY,CORD (C35-BPC-1) 1
121 630 076 1887 ASSY,CORD (C35-BPC-2) 1