P-198-001e - 第144页
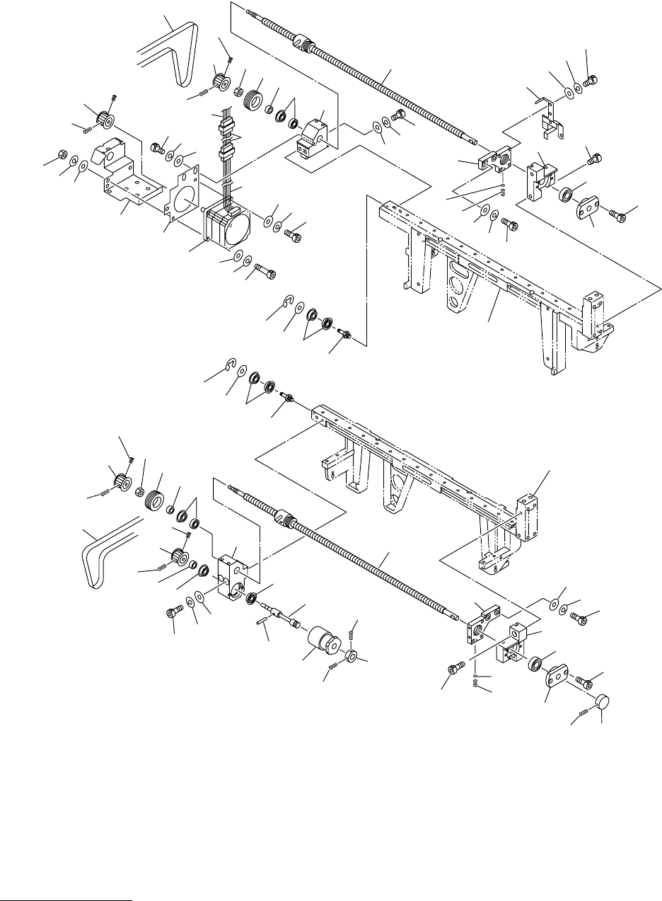
MODEL TCM-3600J-2 0109-001 142 㨄㨅࠹ࡉ࡞ㇱ XY TABLE SECTION Fig. 6-6 ࠪࡘ࠻㚟േㇱ Chute Driver See Fig.6-5 Key No.2 See Fig.6-5 Key No.1 1 2 3 4 5 6 7 8 9 1 0 11 11 12 12 12 12 1 3 14 14 16 16 17 17 1 8 13-1 1 9 20 20 2 1 2 2 3 6…

MEMO

MODEL TCM-3600J-2
0109-001
142
㨄㨅࠹ࡉ࡞ㇱ XY TABLE SECTION
Fig. 6-6 ࠪࡘ࠻㚟േㇱ Chute Driver
See Fig.6-5
Key No.2
See Fig.6-5
Key No.1
1
2
3
4
5
6
7
8
9
10
11
11
12
12
12
12
13
14
14
16
16
17
17
18
13-1
19
20
20
21
22
36
37
38
38
39
39
41
42
42
43
44
45
46
47
47
48
49
50
51
52
52
53
53
54
53-1
55
55
60
60
61
61
62
62
45-1
45-1
59
56
57
58
64
64
65
65
70
70
69
69
71
55-1
66
45-1
45-1
67
68
68
68
71
78
77
76
79
78
78
77
77
76
76
80
80
80
23
23
33
118
119
122
24
24
26
26
27
27
26
26
27
27
29
29
28
28
31
25
26
26
27
27
30
32
34
34
35
79

MODEL TCM-3600J-2
0109-001
143
Key No. PART No. PART NAME Q’ty REMARKS
NOTE
6-6
1 630 063 9322 BALL SCREW 1 703J--01H-033
2 630 059 5949 SUPPORT 1 703J--01B-037
3 630 032 1814 SHEET 1 703J--01B-051
4 630 000 8920 SET SCREW 1 M4X6 SET
5 630 061 2424 HOLDER 1 703J--01B-040
6 630 061 2370 SUPPORT 1 703J--01B-032
7 630 059 6786 BEARING,RADIAL 1 703J--01H-034
8 630 059 6526 NUT 1 703J--01B-050
9 630 059 6793 COLLAR 1 703J--01H-035
10 630 059 6809 NUT 1 703J--01H-036
11 630 064 6412 PULLEY,TIMING 1 703J--01H-037
12 630 000 8883 SET SCREW 2 M3X4 SET
13 630 059 6007 HOLDER 1 703J--01B-031
13 -1 630 036 7645 BEARING,RADIAL 1 703J--01H-032
14 630 000 7503 BOLT,HEX-SCT 2 M3X6
16 411 119 2104 WASHER V 4X9X0.8 2 FW4 F
17 411 008 1706 WASHER SPR 4 2 SW4 F
18 630 000 7695 BOLT,HEX-SCT 2 M4X35
19 630 000 7657 BOLT,HEX-SCT 2 M4X16
20 411 141 4008 WASHER V 4X9X0.8 2 FW4
21 411 141 2905 WASHER SPR 4 2 SW4
22 630 000 7640 BOLT,HEX-SCT 2 M4X14
23 630 064 5507 BRACKET 1 703J--01B-044
24 630 064 6764 MOTOR,STEPPING 1 PM100(CHW), #103H6701-0440
703J--01H-040
25 630 066 1064 PLATE 1 703J--01B-054
26 411 141 4008 WASHER V 4X9X0.8 5 FW4
27 411 141 2905 WASHER SPR 4 5 SW4
28 630 000 7626 BOLT,HEX-SCT 1 M4X10
29 630 000 7664 BOLT,HEX-SCT 2 M4X20
30 411 141 0307 NUT HEX 4 2 M4
31 630 064 6429 PULLEY,TIMING 1 703J--01H-038
32 630 008 1053 SET SCREW 2 703J--01H-039
33 411 141 4107 WASHER V 5X10X1 2 FW5
34 411 141 6705 WASHER SPR 5 2 SW5
35 630 000 7763 BOLT,HEX-SCT 2 M5X16
36 630 066 1088 PLATE 1 703J--01B-038
37 411 141 3902 WASHER V 3X7X0.5 2 FW3
38 411 141 2806 WASHER SPR 3 2 SW3
39 630 000 7503 BOLT,HEX-SCT 2 M3X6
41 630 063 9322 BALL SCREW 1 703J--01H-033
42 630 059 5956 SUPPORT 1 703J--01B-036
43 630 032 1814 SHEET 1 703J--01B-051
44 630 000 8920 SET SCREW 1 M4X6 SET
45 630 061 2431 HOLDER 1 703J--01B-041
45 -1 630 006 9211 BEARING,RADIAL 2 703J--01H-043
46 630 061 2387 SUPPORT 1 703J--01B-033
47 630 059 6786 BEARING,RADIAL 1 703J--01H-034
48 630 059 6526 NUT 1 703J--01B-050
49 630 059 6793 COLLAR 1 703J--01H-035