P-120-001e - 第53页
MODEL TCM-3600J 981 1-001 3-1 1 Key No. PART No. PART NAME Q' ty REMARKS 1 630 048 6995 BASE 1 703K--01B-007 2 411 141 4503 W ASHER V 8X17X 1.6 4 FW 8 3 411 141 3100 W ASHER SPR 8 4 SW 8 4 630 000 8043 BOLT,HEX-SCT …

MODEL TCM-3600J
9811-001
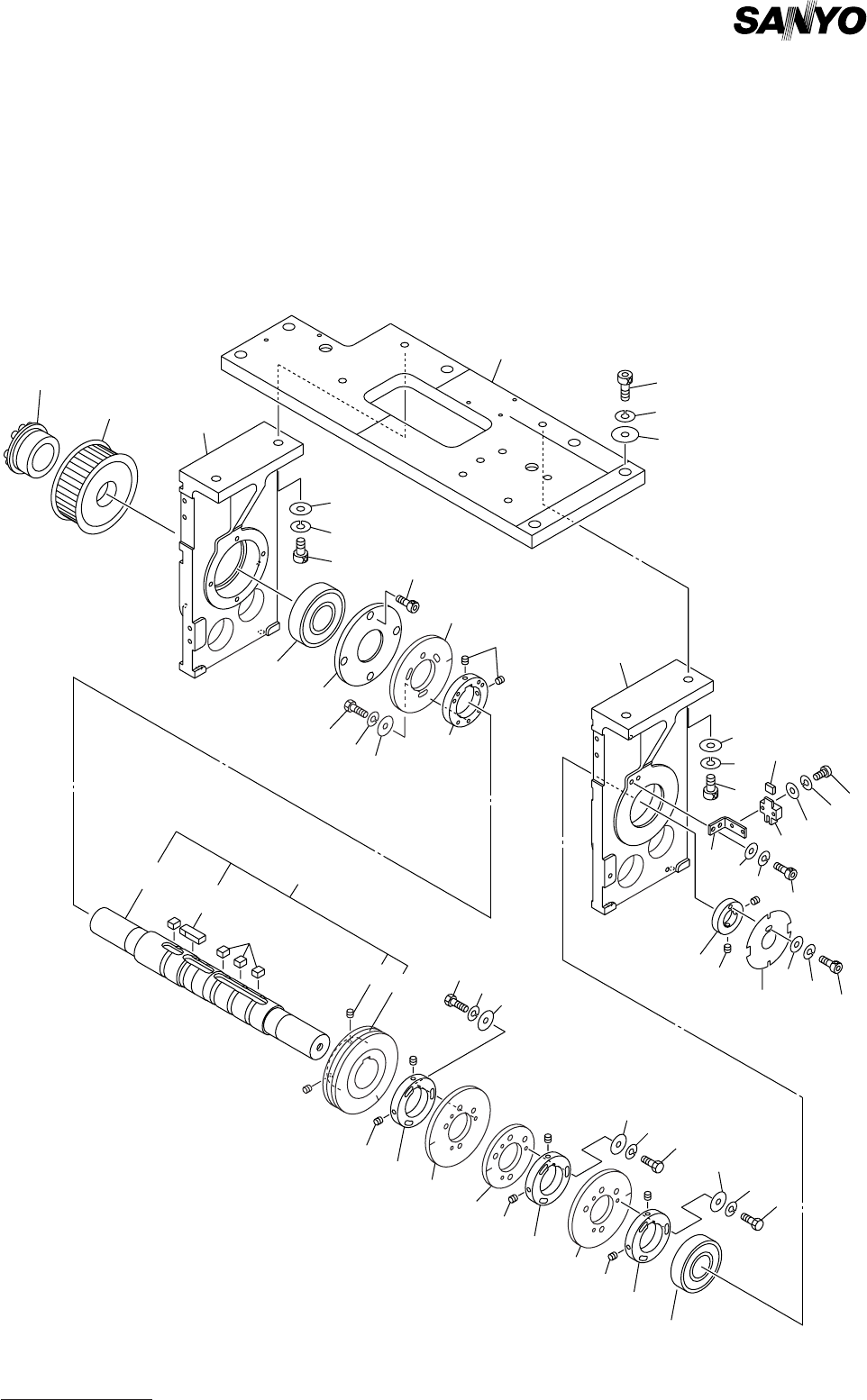
ヘッド駆動部 HEAD DRIVING SECTION
Fig. 3-11カム軸−2 ストッパ Cam Shaft-2 Stopper
11
12
15
16
13
14
17
20
21
22
15
16
11
12
15
16
15
16
13
14
17
19
18
19
18
4
3
2
56
55
54
51
See Fig.3-9
Key No.1
53
52
1
10
10
4796

MODEL TCM-3600J
9811-001
3-11
Key No. PART No. PART NAME Q'ty REMARKS
1 630 048 6995 BASE 1 703K--01B-007
2 411 141 4503 WASHER V 8X17X1.6 4 FW8
3 411 141 3100 WASHER SPR 8 4 SW8
4 630 000 8043 BOLT,HEX-SCT 4 M8X35
10 630 060 4849 ASSY,LEVER(STOPPER TYPE2) 2
11 630 048 7244 BASE 1 703K--01B-031
12 630 055 2881 SHAFT 1 703K--01B-030
13 630 048 7268 LEVER 1 703K--01B-033
14 630 000 8944 SET SCREW 1 M5X6 SET
15 630 001 1272 BEARING,RADIAL 2 703K--01H-012
16 411 051 1708 SCR TRS 4X6 4 M4X6 TRS
17 630 060 4931 ASSY,CYLINDER(STOPPER R) 2
17 -1 630 055 2874 CYLINDER 1 703K--01H-053
17 -2 630 000 0436 CASE,CONN 1
17 -3 630 000 4281 CABLE JOINT,TERMINAL 2
18 411 118 8503 NUT HEX 5 2 M5 F
19 630 000 8661 BOLT,HEX 2 M5X35 HEX
20 630 029 1391 WASHER 8 703K--01H-048
21 411 141 6705 WASHER SPR 5 8 SW5
22 630 000 7770 BOLT,HEX-SCT 8 M5X20
51 630 003 7708 PIPE FITTINGS 1
54 411 141 4008 WASHER V 4X9X0.8 1 FW4
55 411 141 2905 WASHER SPR 4 1 SW4
56 630 000 7664 BOLT,HEX-SCT 1 M4X20
NOTE

MODEL TCM-3600J
9811-001
ヘッド駆動部 HEAD DRIVING SECTION
Fig. 3-12カム軸−3 Cam Shaft-3
1-1
1-2
5
14
19
15
16
17
18
9
13
10
11
12
6
9
13
7
10
11
12
9
13
8
10
11
12
25
23
24
33
34
35
36
37
38
39
40
20
32
31
30
21
26
27
28
29
41
42
43
44
45
46
47
48
49
5
22
27
28
29
Fig.3-12
1-4
1-3
1