P-120-001e - 第73页
MODEL TCM-3600J 981 1-001 3-18 Key No. PART No. PART NAME Q' ty REMARKS 10 630 060 6737 ASSY,LEVER(PF STOPPER L) 2 11 630 048 3000 BASE 1 703KB-01B-101 12 630 057 4067 SHAFT 1 703KB-01B-105 13 630 048 3024 LEVER 1 7…

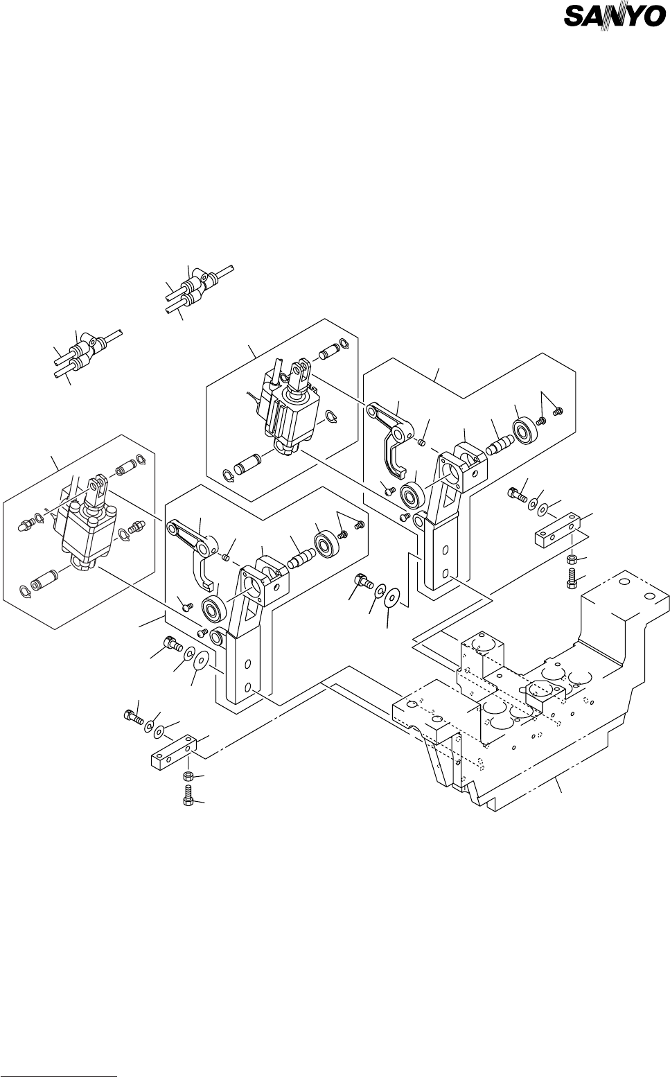
MODEL TCM-3600J
9811-001
ヘッド駆動部 HEAD DRIVING SECTION
Fig. 3-18テープ先送りストッパ Tape Pre-Feeder Stopper
See Fig.3-16
Key No.10
11
31
32
15
3636
13
33
34
37
40
41
42
12
15
35
3535
16
16
36
14
17
20
21
22
71
74
75
71
72
73
46
45
44
47
48
43
26
25
24
27
28
23
30
10

MODEL TCM-3600J
9811-001
3-18
Key No. PART No. PART NAME Q'ty REMARKS
10 630 060 6737 ASSY,LEVER(PF STOPPER L) 2
11 630 048 3000 BASE 1 703KB-01B-101
12 630 057 4067 SHAFT 1 703KB-01B-105
13 630 048 3024 LEVER 1 703KB-01B-103
14 630 000 8944 SET SCREW 1 M5X6 SET
15 630 001 1265 BEARING,RADIAL 2 703KB-01H-111
16 411 051 1708 SCR TRS 4X6 4 M4X6 TRS
17 630 069 7346 ASSY,CYLINDER(STOPPER L) 2
17 -1 630 058 8637 CYLINDER 1 703KB-01H-112
17 -2 630 000 0436 CASE,CONN 1
17 -3 630 000 4281 CABLE JOINT,TERMINAL 2
20 630 001 0237 WASHER 4 703KB-01H-110
21 411 141 3001 WASHER SPR 6 4 SW6
22 630 000 7909 BOLT,HEX-SCT 4 M6X25
23 630 056 9247 BLOCK 1 703KB-01B-139
24 411 141 4107 WASHER V 5X10X1 2 FW5
25 411 141 6705 WASHER SPR 5 2 SW5
26 630 000 7770 BOLT,HEX-SCT 2 M5X20
27 411 141 0505 NUT HEX 5 2 M5
28 630 000 7787 BOLT,HEX-SCT 2 M5X25
30 630 060 6744 ASSY,LEVER(PF STOPPER R) 2
31 630 048 3017 BASE 1 703KB-01B-102
32 630 057 4067 SHAFT 1 703KB-01B-105
33 630 048 3031 LEVER 1 703KB-01B-104
34 630 000 8944 SET SCREW 1 M5X6 SET
35 630 001 1265 BEARING,RADIAL 2 703KB-01H-111
36 411 051 1708 SCR TRS 4X6 4 M4X6 TRS
37 630 069 7346 ASSY,CYLINDER(STOPPER L) 2
37 -1 630 058 8637 CYLINDER 1 703KB-01H-112
37 -2 630 000 0436 CASE,CONN 1
37 -3 630 000 4281 CABLE JOINT,TERMINAL 2
40 630 001 0237 WASHER 4 703KB-01H-110
41 411 141 3001 WASHER SPR 6 4 SW6
42 630 000 7909 BOLT,HEX-SCT 4 M6X25
43 630 056 9247 BLOCK 1 703KB-01B-139
44 411 141 4107 WASHER V 5X10X1 2 FW5
45 411 141 6705 WASHER SPR 5 2 SW5
46 630 000 7770 BOLT,HEX-SCT 2 M5X20
47 411 141 0505 NUT HEX 5 2 M5
48 630 000 7787 BOLT,HEX-SCT 2 M5X25
71 630 003 7708 PIPE FITTINGS 2
NOTE

MODEL TCM-3600J
9811-001
ヘッド駆動部 HEAD DRIVING SECTION
Fig. 3-19ベルトカバー Belt Cover
7
6
5
4
3
2
1
7
6
5
7
6
5
7
6
5
7
6
5
4796